电脑桌面
添加小米粒文库到电脑桌面
安装后可以在桌面快捷访问

怎样看照明图纸

怎样看照明图纸_第1页
1/6
怎样看照明图纸_第2页
2/6
怎样看照明图纸_第3页
3/6
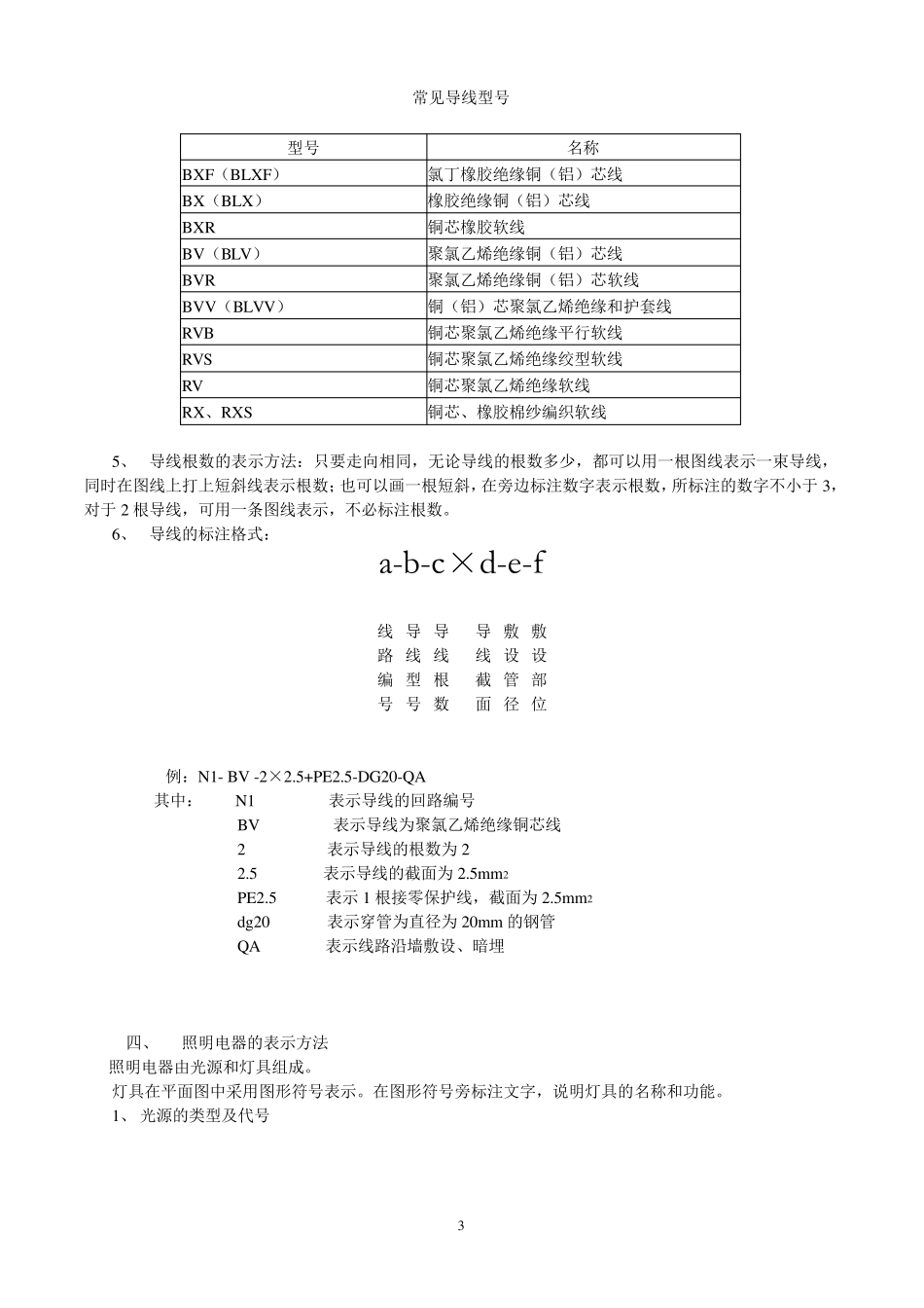
1 怎样看室内照明电气施工图 一、 室内电气工程的组成:指供电和用电工程 外线工程、变配电工程、室内配线工程、电力工程、照明工程、防雷工程、接地工程、发电工程和弱点工程(消防报警|广播、电话|闭路电视、互联网等) 二、 室内电气施工图的作用、组成、特点 1、 图纸的作用:说明电气工程的构成和功能,描述电气工程的工作原理,提供安装技术数据和使用维护的依据。 2、 图纸的组成:设计说明、电气系统图、电气平面图、设备布置图、安装接线图、电气原理图、详图等。 3、 图纸的特点: 各种装置或设备中的元部件都不按比例绘制它们的外形尺寸,而是用图形符号表示,同时用文字符号、安装代号来说明电气装置和线路的安装位置、相互关系和敷设方法。 2 三、 室内配电线路的表示方法 1、 电气照明线路在平面图中采用线条和文字标注相结合的方法,表示出线路的走向、用途、编号、导线的型号、根数、规格及线路的敷设方式和敷设部位。 2、 线路配线方式及代号(斜线后为英文字母代码):分为明敷(M)和暗敷(A)。 塑料夹 VJ/PCL 夹板配线 瓷夹 CJ/PL 金属线槽配线 GC/MR 槽板配线 塑料线槽配线 VC/ PR 钢管配线 DG/SC(G) 线路具体配线方式 线管配线 硬塑料管配线 VG/PC 软管 RG/ 瓷瓶配线 CP/K 钢索配线 S/M 电缆桥架配线 QJ/CT 3、 线路敷设部位及代号: 部位 代号 部位 代号 地面(板) D 墙 Q 柱 Z 梁 L 顶棚 P 4、 导线的类型及代号: 类型项目 类型 代号 类型 代号 线芯材料 铜芯导线 (一般不标注) T 铝芯导线 L 绝缘种类 聚氯乙烯绝缘 V 橡胶绝缘 X 氯丁橡胶绝缘 XF 聚乙烯绝缘 Y 内护套 聚氯乙烯套 V 聚乙烯套 Y 其它特征 绝缘导线、平行 B 双绞线 S 软线 R 3 常见导线型号 型号 名称 BXF(BLXF) 氯丁橡胶绝缘铜(铝)芯线 BX(BLX) 橡胶绝缘铜(铝)芯线 BXR 铜芯橡胶软线 BV(BLV) 聚氯乙烯绝缘铜(铝)芯线 BVR 聚氯乙烯绝缘铜(铝)芯软线 BVV(BLVV) 铜(铝)芯聚氯乙烯绝缘和护套线 RVB 铜芯聚氯乙烯绝缘平行软线 RVS 铜芯聚氯乙烯绝缘绞型软线 RV 铜芯聚氯乙烯绝缘软线 RX、RXS 铜芯、橡胶棉纱编织软线 5、 导线根数的表示方法:只要走向相同,无论导线的根数多少,都可以用一根图线表示一束导线,同时在图线上打上短斜线表示根数;也可以画一根短斜,在旁边标注数字表示根数,所标注的数字不...

1、当您付费下载文档后,您只拥有了使用权限,并不意味着购买了版权,文档只能用于自身使用,不得用于其他商业用途(如 [转卖]进行直接盈利或[编辑后售卖]进行间接盈利)。
2、本站所有内容均由合作方或网友上传,本站不对文档的完整性、权威性及其观点立场正确性做任何保证或承诺!文档内容仅供研究参考,付费前请自行鉴别。
3、如文档内容存在违规,或者侵犯商业秘密、侵犯著作权等,请点击“违规举报”。

碎片内容

怎样看照明图纸

小辰7+ 关注
实名认证
内容提供者

出售各种资料和文档

确认删除?
VIP
微信客服
  • 扫码咨询
会员Q群
  • 会员专属群点击这里加入QQ群
客服邮箱
回到顶部