电脑桌面
添加小米粒文库到电脑桌面
安装后可以在桌面快捷访问

中铁二十二局集团第二工程有限公司

中铁二十二局集团第二工程有限公司_第1页
1/9
中铁二十二局集团第二工程有限公司_第2页
2/9
中铁二十二局集团第二工程有限公司_第3页
3/9
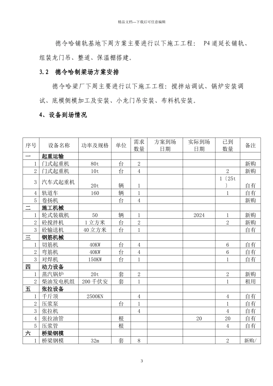
精品文档---下载后可任意编辑中铁二十二局集团第二工程 [2024 年第 6 期]施 工 周 报〔12 月 24 日-12 月 31 日〕公司各工程本周施工进展情况、下周工作方案以及公司外购设备的监造情况如下:一、西格二线铺架工程:1、 德令哈铺架基地工程进展1.1 德令哈铺轨基地工程进展1、本周完成铺轨共计 50m,开累 3825m,设计量 3887m;2、本周完成捣固共计 2946m,开累 2946m,设计量 3887m;3、本周完成保温棚基坑开挖共计 18 个,开累 18 个,设计量 18 个;4、本周完成保温棚基坑灌注共计 8 个,开累 8 个,设计量 18 个;5、本周完成保温棚立柱焊接共计 38 个,开累 38 个,设计量 38 个;6、本周完成保温棚弧梁焊接共计 20 个,开累 20 个,设计量 20 个;本周还完成了机车检查坑修台阶,扳道房室内铺砖,轨排生产区场地平整,解决了综合队食宿问题,对捣固局部进行了路容整理。1.2 德令哈制梁场工程进展1、本周完成配料机防护墙砌筑共计 75㎡,开累 75㎡,设计量 75㎡;2、本周完成配料机加固共计 2 台,开累 2 台,设计量 2 台;3、本周完成煤场场地硬化共计 600㎡,开累 600㎡,设计量 600㎡;1精品文档---下载后可任意编辑㎡㎡㎡;5、本周完成蒸汽养护主管道安装共计 30m,开累 150m,设计量150m;6、本周完成蒸汽养护分支管道焊接共计 60m,开累 60m,设计量150m;7、本周完成蒸汽管道阀门焊接共计 10 个,开累 10 个,设计量 20 个;8、本周完成水泥库房根底开挖共计 180㎡,开累 300㎡,设计量 300㎡9、本周完成水泥库房屋架焊接共计 1 间,开累 1 间,设计量 1 间;10、本周完成标养室试件养护架焊接共计 10 个,开累 10 个,设计量10 个;11、本周完成锅炉房墙体勾缝共计 270㎡,开累 270㎡,设计量 270㎡;12、本周完成搅拌站、锅炉房电缆沟开挖共计 50m,开累 50m,设计量 50m;13、本周完成拼装、焊接 32m 底模共计 2 个,开累 2 个,设计量 2 个;14、本周完成搅拌站污水池建设共计 1 个,开累 1 个,设计量 1 个;㎡㎡㎡。2、 双寨铺架基地工程进展双寨铺架基地征地问题正在洽谈之中,尚不具备开工条件。3、 下周方案安排3.1 德令哈铺轨基地方案安排2精品文档---下载后可任意编辑德令哈铺轨基地下周方案主要进行以下施工工程: P4 道延长铺轨、组装龙门吊、整道、保温棚搭建。3.2 德令哈制梁场方案安排德令哈梁厂下周主...

1、当您付费下载文档后,您只拥有了使用权限,并不意味着购买了版权,文档只能用于自身使用,不得用于其他商业用途(如 [转卖]进行直接盈利或[编辑后售卖]进行间接盈利)。
2、本站所有内容均由合作方或网友上传,本站不对文档的完整性、权威性及其观点立场正确性做任何保证或承诺!文档内容仅供研究参考,付费前请自行鉴别。
3、如文档内容存在违规,或者侵犯商业秘密、侵犯著作权等,请点击“违规举报”。

碎片内容

中铁二十二局集团第二工程有限公司

您可能关注的文档

确认删除?
VIP
微信客服
  • 扫码咨询
会员Q群
  • 会员专属群点击这里加入QQ群
客服邮箱
回到顶部