电脑桌面
添加小米粒文库到电脑桌面
安装后可以在桌面快捷访问

悬挑工字钢U型螺栓固定构造

悬挑工字钢U型螺栓固定构造_第1页
1/10
悬挑工字钢U型螺栓固定构造_第2页
2/10
悬挑工字钢U型螺栓固定构造_第3页
3/10
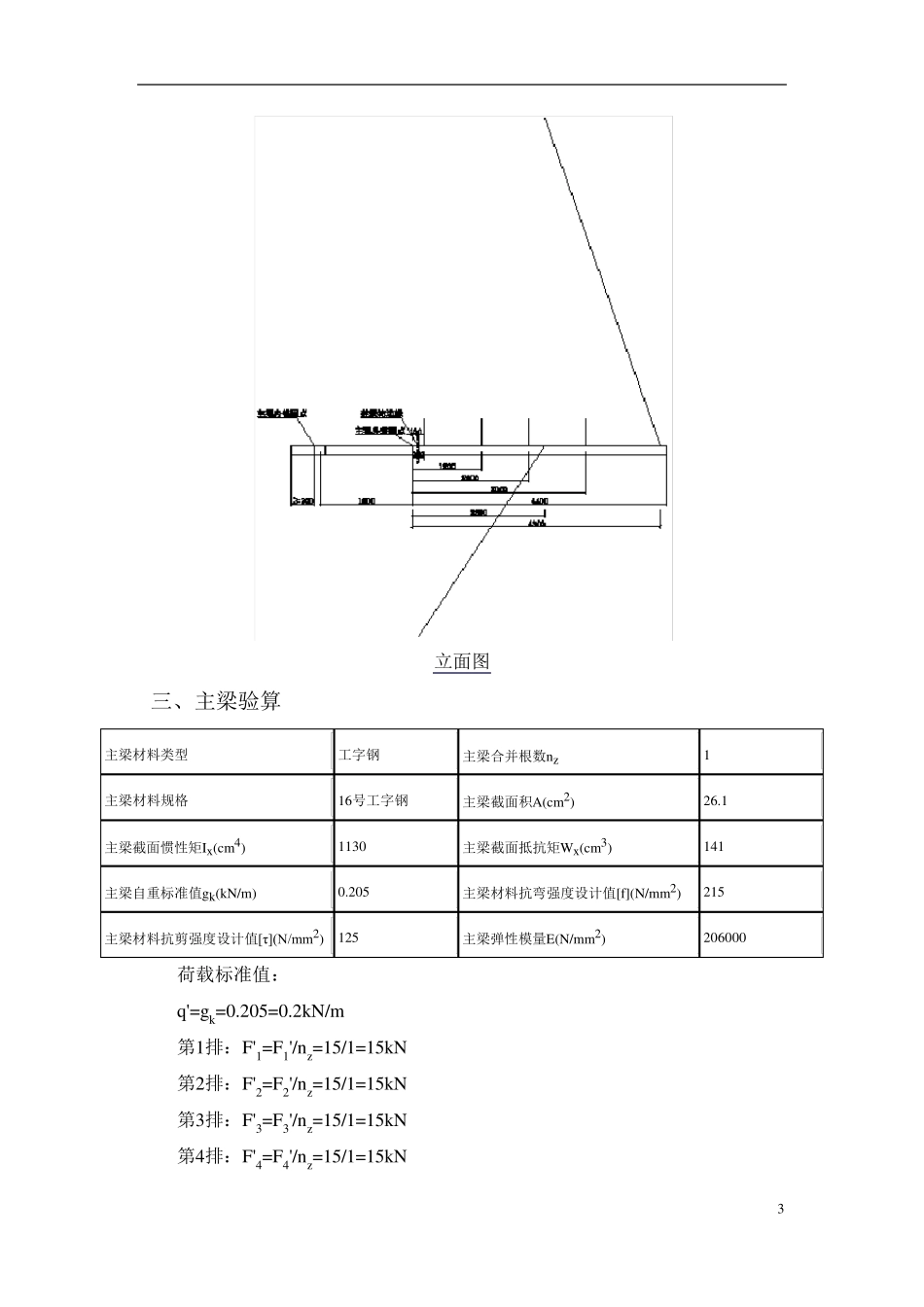
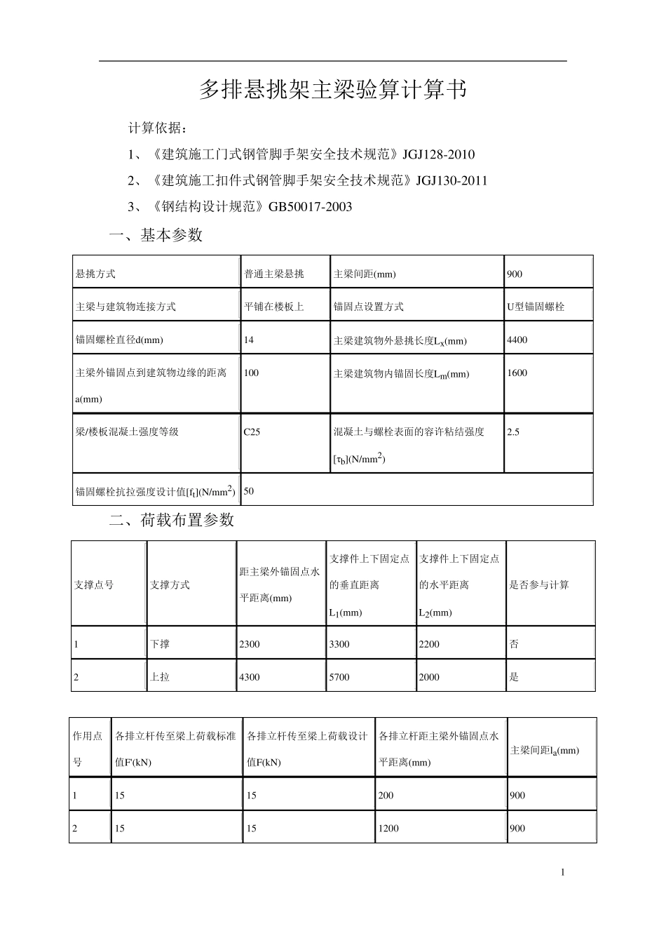
1 多排悬挑架主梁验算计算书 计算依据: 1、《建筑施工门式钢管脚手架安全技术规范》JGJ128-2010 2、《建筑施工扣件式钢管脚手架安全技术规范》JGJ130-2011 3、《钢结构设计规范》GB50017-2003 一、基本参数 悬挑方式 普通主梁悬挑 主梁间距(mm) 900 主梁与建筑物连接方式 平铺在楼板上 锚固点设置方式 U型锚固螺栓 锚固螺栓直径d(mm) 14 主梁建筑物外悬挑长度Lx (mm) 4400 主梁外锚固点到建筑物边缘的距离a(mm) 100 主梁建筑物内锚固长度Lm(mm) 1600 梁/楼板混凝土强度等级 C25 混凝土与螺栓表面的容许粘结强度[τb](N/mm2) 2.5 锚固螺栓抗拉强度设计值[ft](N/mm2) 50 二、荷载布置参数 支撑点号 支撑方式 距主梁外锚固点水平距离(mm) 支撑件上下固定点的垂直距离L1(mm) 支撑件上下固定点的水平距离L2(mm) 是否参与计算 1 下撑 2300 3300 2200 否 2 上拉 4300 5700 2000 是 作用点号 各排立杆传至梁上荷载标准值F'(kN) 各排立杆传至梁上荷载设计值F(kN) 各排立杆距主梁外锚固点水平距离(mm) 主梁间距la(mm) 1 15 15 200 900 2 15 15 1200 900 2 3 1 5 1 5 2 0 0 0 9 0 0 4 1 5 1 5 3 0 0 0 9 0 0 附图如下: 平面图 3 立面图 三、主梁验算 主梁材料类型 工字钢 主梁合并根数nz 1 主梁材料规格 16号工字钢 主梁截面积A(cm2) 26.1 主梁截面惯性矩Ix(cm4) 1130 主梁截面抵抗矩Wx(cm3) 141 主梁自重标准值gk(kN/m) 0.205 主梁材料抗弯强度设计值[f](N/mm2) 215 主梁材料抗剪强度设计值[τ](N/mm2) 125 主梁弹性模量E(N/mm2) 206000 荷载标准值: q'=gk=0.205=0.2kN/m 第1排:F'1=F1'/nz=15/1=15kN 第2排:F'2=F2'/nz=15/1=15kN 第3排:F'3=F3'/nz=15/1=15kN 第4排:F'4=F4'/nz=15/1=15kN 4 荷载设计值: q=1.2×gk=1.2×0.205=0.25kN/m 第1排:F1=F1/nz=15/1=15kN 第2排:F2=F2/nz=15/1=15kN 第3排:F3=F3/nz=15/1=15kN 第4排:F4=F4/nz=15/1=15kN 1 、强度验算 弯矩图(kN·m) σmax=Mmax/W=26.14×106/141000=185.42N/mm2≤[f]=215N/mm2 符合要求! 2 、抗剪验算 5 剪力图(kN) τmax=Qmax/(8Izδ)[bh02-(b-δ)h2]=44.12×1000×[88×1602-(88-6)×140.22]/(8×11300000×6)=52.14N/mm2 τmax=52.14N/mm2≤[τ]=125N/mm2 符合要求! 3 、挠度验算 变形图(mm) νmax=16.25mm≤[ν]=2×lx/400=2×4400...

1、当您付费下载文档后,您只拥有了使用权限,并不意味着购买了版权,文档只能用于自身使用,不得用于其他商业用途(如 [转卖]进行直接盈利或[编辑后售卖]进行间接盈利)。
2、本站所有内容均由合作方或网友上传,本站不对文档的完整性、权威性及其观点立场正确性做任何保证或承诺!文档内容仅供研究参考,付费前请自行鉴别。
3、如文档内容存在违规,或者侵犯商业秘密、侵犯著作权等,请点击“违规举报”。

碎片内容

悬挑工字钢U型螺栓固定构造

您可能关注的文档

确认删除?
VIP
微信客服
  • 扫码咨询
会员Q群
  • 会员专属群点击这里加入QQ群
客服邮箱
回到顶部