电脑桌面
添加小米粒文库到电脑桌面
安装后可以在桌面快捷访问

悬挑脚手架作用下阳台梁承载力验算

悬挑脚手架作用下阳台梁承载力验算_第1页
1/32
悬挑脚手架作用下阳台梁承载力验算_第2页
2/32
悬挑脚手架作用下阳台梁承载力验算_第3页
3/32
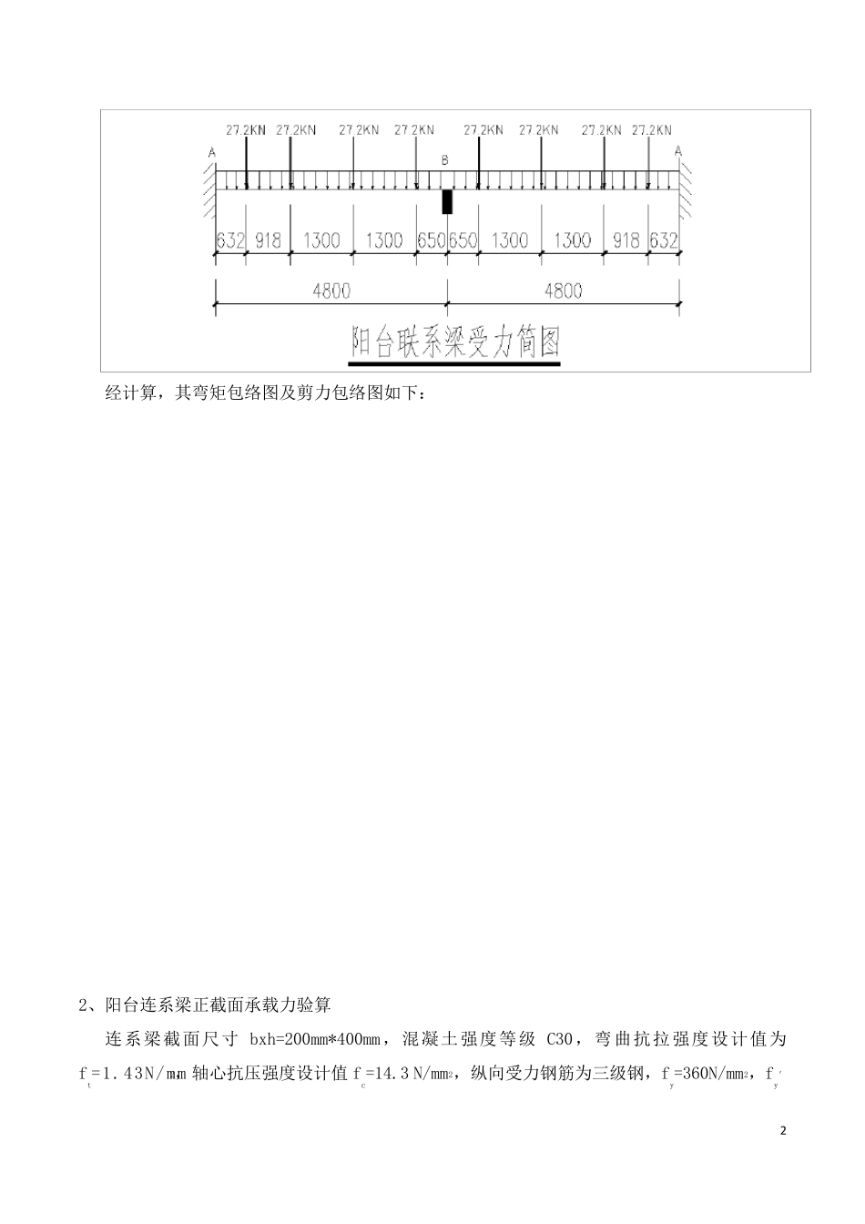
1 悬挑脚手架作用下阳台梁承载力验算 根据本工程特点,外脚手架需进行分段卸荷于主体结构上,结合脚手架施工方案,型钢悬挑脚手架分别设置在8#栋7、13 层,9、10、14#栋10 层,考虑到阳台处脚手架外附加荷载较大,为保证结构传力可靠,需对阳台梁承载力进行验算。 结合8、9、10、14#栋结构图,选取以下阳台进行受力验算: 1、9、10、14#栋南向大阳台选取跨度和荷载都较大的 9、10#栋6~15 轴南向阳台进行结构受力验算。 2、8#栋阳台选取跨度最大的 14~22 及 29~37 轴内阳台进行结构受力验算, 3、14#栋10 层北向阳台(2~8、10~16、18~24、26~32 轴)验算 4、8#栋7、13 层南向阳台(10~14、37~41 轴)验算 5、8#栋7、13 层北向阳台验算(16~18、33~35 轴)验算 6、8#栋7、13 层南向阳台(3~5、46~48 轴)验算 7、9、10#栋10 层北向阳台(7~9、12~14、26~28、31~33 轴)验算 验算成果见附件各栋阳台加强配筋图。 阳台梁上由外架传来的集中力大小及位置详见附图 9、10#栋6~15 轴南向阳台受力验算 一、阳台连系梁承载力验算 阳台连系梁截面为 200*400,混凝土强度等级为 C30,受力纵筋采用HRB400 三级钢,箍筋采用HPB300 一级钢,阳台板厚为 100mm。 1、荷载统计 恒荷载 阳台连系梁自重:q1=0.2*0.4*25=2KN/M 阳台板传给连系梁自重:q2=0.65*0.10*25=1.625KN/M 阳台活荷载:q3=2.5KN/M2*1=2.5 KN/M 则均布荷载设计值为 q=1.2*( q1+ q2)+1.4* q3=1.2*(2+1.625)+1.4*2.5=7.85KN/M 外脚手架型型钢传给阳台连系梁的集中力为 27.2KN,集中力间距为 1.3m。 考虑连系梁两端固接于阳台悬挑梁上,其受力计算简图如下: 2 经计算,其弯矩包络图及剪力包络图如下: 2、阳台连系梁正截面承载力验算 连系梁截面尺寸 bxh=200mm*400mm,混凝土强度等级 C30,弯曲抗拉强度设计值为ft=1.43N/mm2,轴心抗压强度设计值 fc=14.3 N/mm2,纵向受力钢筋为三级钢,fy=360N/mm2,fy'3 =360N/mm2,ξb=0.518 ,受拉钢筋为2Φ14,As=308mm 2,受压钢筋为2Φ14,As'=308mm2,箍筋为一级钢φ8@200。fyV=270N/mm2。mmaass3 5' 8.0,111。 有效高度h0=400-35=365mm 相对受压区高度x= (Asfy- As'fy')/ fcmb=0≤2as', 此时受压钢筋未能得到充分利用,其极限弯矩 Mu= Asfy(h0- as')=308*360*(365-35)=36.6 KN·M 小于支座负弯矩MA=M B=-62.225 KN·M,增加支座负筋; 大于跨中弯矩Mmax=...

1、当您付费下载文档后,您只拥有了使用权限,并不意味着购买了版权,文档只能用于自身使用,不得用于其他商业用途(如 [转卖]进行直接盈利或[编辑后售卖]进行间接盈利)。
2、本站所有内容均由合作方或网友上传,本站不对文档的完整性、权威性及其观点立场正确性做任何保证或承诺!文档内容仅供研究参考,付费前请自行鉴别。
3、如文档内容存在违规,或者侵犯商业秘密、侵犯著作权等,请点击“违规举报”。

碎片内容

悬挑脚手架作用下阳台梁承载力验算

小辰6+ 关注
实名认证
内容提供者

出售各种资料和文档

确认删除?
VIP
微信客服
  • 扫码咨询
会员Q群
  • 会员专属群点击这里加入QQ群
客服邮箱
回到顶部