电脑桌面
添加小米粒文库到电脑桌面
安装后可以在桌面快捷访问

户内配电箱价格清单(施耐德)

户内配电箱价格清单(施耐德)_第1页
1/14
户内配电箱价格清单(施耐德)_第2页
2/14
户内配电箱价格清单(施耐德)_第3页
3/14
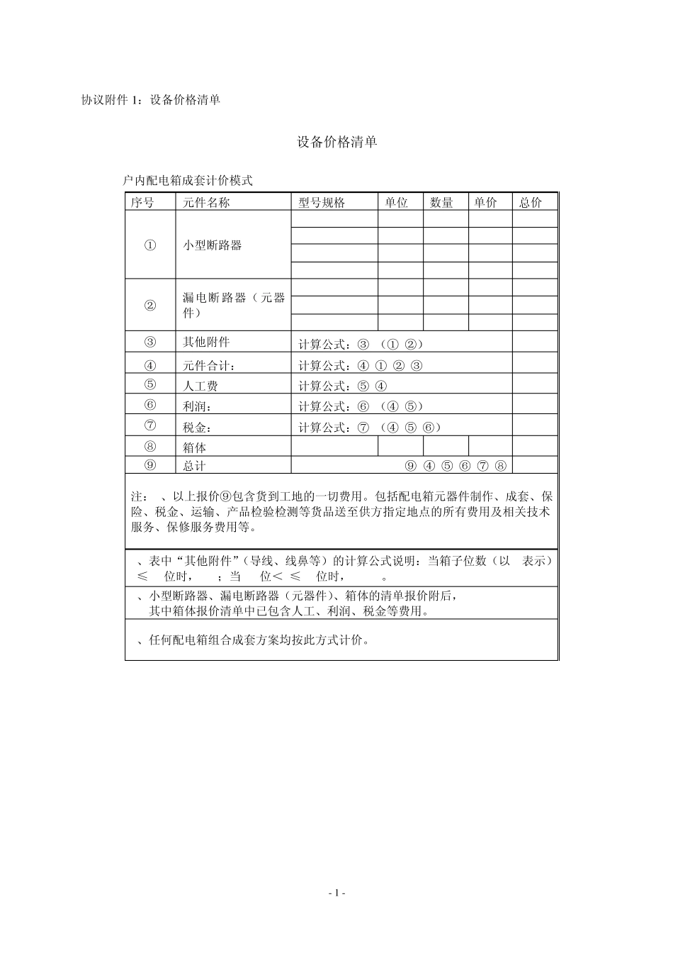
- 1 - 协议附件1 :设备价格清单 设备价格清单 户内配电箱成套计价模式 序号 元件名称 型号规格 单位 数量 单价 总价 ① 小型断路器 ② 漏电断路器(元器件) ③ 其他附件 计算公式:③=(①+②)*A% ④ 元件合计: 计算公式:④=①+②+③ ⑤ 人工费 计算公式:⑤=④ * 9% ⑥ 利润: 计算公式:⑥=(④+⑤)* 10% ⑦ 税金: 计算公式:⑦=(④+⑤+⑥)* 5% ⑧ 箱体 ⑨ 总计 ⑨=④+⑤+⑥+⑦+⑧ 注:1、以上报价⑨包含货到工地的一切费用。包括配电箱元器件制作、成套、保险、税金、运输、产品检验检测等货品送至供方指定地点的所有费用及相关技术服务、保修服务费用等。 2、表中“其他附件”(导线、线鼻等)的计算公式说明:当箱子位数(以N表示)N≤18位时,A=5;当 18位<N≤36位时,A=8.5。 3、小型断路器、漏电断路器(元器件)、箱体的清单报价附后, 其中箱体报价清单中已包含人工、利润、税金等费用。 4、任何配电箱组合成套方案均按此方式计价。 - 2 - 1. 元器件报价清单 1.1 EASY 系列产品: 注:如下列表格中未包含的EASY 系列产品,按《施耐德电气公司产品价格表2009》(2009.09版)价格的63.2%进行结算。 1.1.1 EA9AN-C系列微型断路器 1.1.2 EA9AN-D系列微型断路器 EA9AN-D 系列微型断路器(分断能力 6KA)报价清单(元/个) 序号 型号规格(A) 极数 1P 2P 3P 4P 列表价 成交价 列表价 成交价 列表价 成交价 列表价 成交价 1 EA9AN D6A 37.70 23.81 88.30 55.72 122.30 77.22 176.50 111.43 2 EA9AN D10A 31.20 19.70 70.90 44.78 108.20 68.32 161.80 102.15 3 EA9AN D16A 31.20 19.70 70.90 44.78 108.20 68.32 161.80 102.15 4 EA9AN D20A 31.20 19.70 70.90 44.78 108.20 68.32 161.80 102.15 5 EA9AN D25A 35.80 22.55 80.90 51.07 117.50 74.16 167.10 105.46 6 EA9AN D32A 35.80 22.55 80.90 51.07 117.50 74.16 167.10 105.46 7 EA9AN D40A 41.30 26.07 92.80 58.57 122.30 77.22 176.50 111.43 8 EA9AN D50A 47.60 30.05 108.00 68.19 142.60 90.01 206.90 130.67 9 EA9AN D63A 55.00 34.76 127.20 80.33 166.50 105.07 240.70 151.97 EA9AN-C 系列微型断路器(分断能力 6KA)报价清单(元/个) 序号 型号规格(A) 极数 1P 2P...

1、当您付费下载文档后,您只拥有了使用权限,并不意味着购买了版权,文档只能用于自身使用,不得用于其他商业用途(如 [转卖]进行直接盈利或[编辑后售卖]进行间接盈利)。
2、本站所有内容均由合作方或网友上传,本站不对文档的完整性、权威性及其观点立场正确性做任何保证或承诺!文档内容仅供研究参考,付费前请自行鉴别。
3、如文档内容存在违规,或者侵犯商业秘密、侵犯著作权等,请点击“违规举报”。

碎片内容

户内配电箱价格清单(施耐德)

您可能关注的文档

小辰3+ 关注
实名认证
内容提供者

出售各种资料和文档

确认删除?
VIP
微信客服
  • 扫码咨询
会员Q群
  • 会员专属群点击这里加入QQ群
客服邮箱
回到顶部