电脑桌面
添加小米粒文库到电脑桌面
安装后可以在桌面快捷访问

房建工程见证取样送检计划

房建工程见证取样送检计划_第1页
1/11
房建工程见证取样送检计划_第2页
2/11
房建工程见证取样送检计划_第3页
3/11
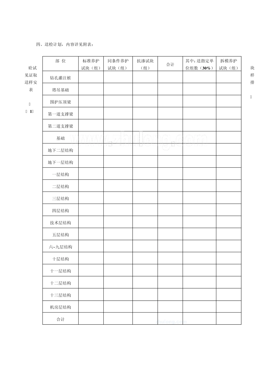
根据建设部《房屋建筑工程和市政基础设施工程实行见证取样和送检的规定》,依据本工程监理情况,制定本计划。 一、工程的特点 二、见证取样送检的程序 1、建设单位应向工程授监质监站和工程检测单位递交“见证单位和见证人员授权书”。授权书应写明本工程现场委托的见证单位和见证人员姓名,以便质监机构和检测单位检查核对。 2、施工企业取样人员在现场进行原材料取样和试块制作时,见证人员必须在旁见证。 3、见证人员应对试样进行监护,并和施工企业取样人员一起将试样送至检测单位或采取有效的封样措施送样。 4、检测单位在接受委托检查任务时,须由送检单位填写委托单,见证人员应在检验委托单上签名。 5、检测单位应在检验报告单备注栏中注明见证单位和见证人员姓名,发生试样不合格情况,首先通知工程授监质监站和见证单位。 三、见证取样送检内容 1、钢筋及焊接试件。在钢材进场时,必须作力学性能试验,按统一直径(规格)及炉号分批,每批重量不大于 60T,每一炉号选取2 根,1 根做拉力试验,1 根进行冷弯试验。钢筋闪光对焊接头采取在同一班内,由同一焊工按同一焊接参数完成的200 个同类型接头为一批,从每批钢筋中抽取6 个试件,3 个进行拉伸试验,3 个进行弯曲试验。钢筋电渣压力焊接头 300 个为一批,从成品中抽取3 个试件进行拉伸试验。钢筋及焊接试件试验报告合格后,方可用于工程。基础、主体结构钢筋工程按上述方法进行见证取样。 2、混凝土试件。由于本工程所用为商品混凝土,故要求每次浇筑混凝土时按不超过 100 立方米的同配合比混凝土,取样次数不得少于 1 次(一组同条件及标准养护各一个)。现浇楼层每层不少于 1 次。当存在下列情况之一时,必须按《回弹法检测混凝土抗压强度技术规程》评定混凝土的强度,并将检测结果作为处理混凝土质量的一个依据。○1缺少同条件试块或标准试块数量不足;○2 试块的质量缺乏代表性;○3 试块的试压结果不符合现行标准规范规程所规定的要求,并对该结果持由怀疑。 3、砌筑砂浆试件。砂浆标号应以标准养护、龄期 28 天养护的时间抗压强度试验结果为标准。每一楼层或 250 立方米砌体中各标号的砂浆,每台搅拌机应至少检查一次,试块一组(每组 6 块),基础砌体按一个楼层计。楼地面水泥沙浆试块的组数每 500m 2 的地面和楼面不得少于 1 组,不足 500 m 2 的按 500 m 2 计算。 4、防水材料。本工程屋面防水采用二级两道防水,第一道及...

1、当您付费下载文档后,您只拥有了使用权限,并不意味着购买了版权,文档只能用于自身使用,不得用于其他商业用途(如 [转卖]进行直接盈利或[编辑后售卖]进行间接盈利)。
2、本站所有内容均由合作方或网友上传,本站不对文档的完整性、权威性及其观点立场正确性做任何保证或承诺!文档内容仅供研究参考,付费前请自行鉴别。
3、如文档内容存在违规,或者侵犯商业秘密、侵犯著作权等,请点击“违规举报”。

碎片内容

房建工程见证取样送检计划

您可能关注的文档

确认删除?
VIP
微信客服
  • 扫码咨询
会员Q群
  • 会员专属群点击这里加入QQ群
客服邮箱
回到顶部