电脑桌面
添加小米粒文库到电脑桌面
安装后可以在桌面快捷访问

手工焊接工艺

手工焊接工艺_第1页
1/6
手工焊接工艺_第2页
2/6
手工焊接工艺_第3页
3/6
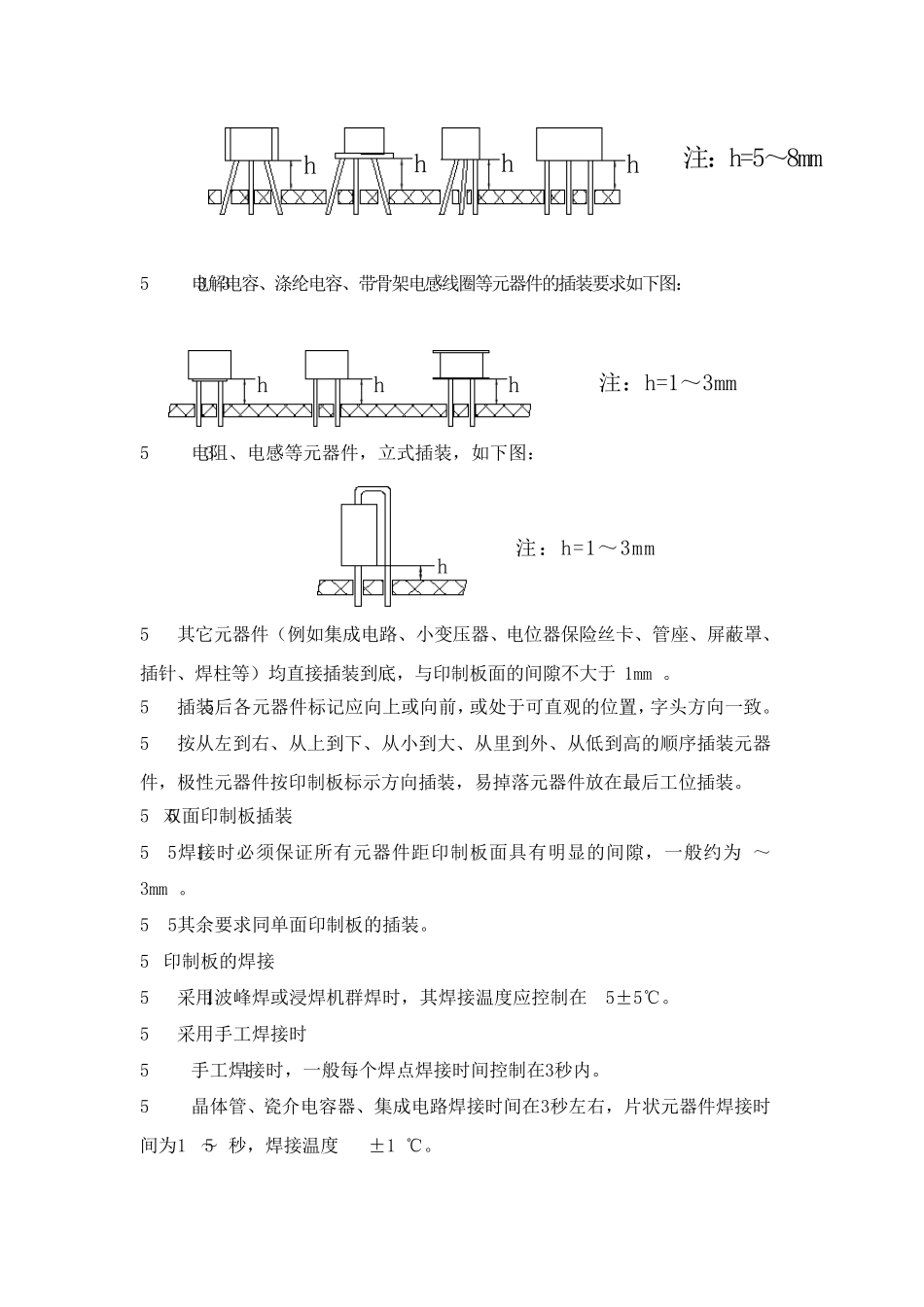
手工焊接工艺1、目的规范在制品加工中手工插件、手工贴片、手工焊、浸焊的操作,保证产品质量。2、适用范围生产车间所有产品印制板手工插件、手工贴片、手工焊、浸焊等各工序施工区。3、手工焊接使用的工具及要求3.1 电烙铁3.1.1手工焊接使用的电烙铁需带防静电接地线,焊接时接地线必须可靠接地,防静电恒温电烙铁插头的接地端必须可靠接交流电源保护地。3.1.2电烙铁绝缘电阻应大于10MΩ,电源线绝缘层不得有破损。3.1.3将万用表打在电阻档,表笔分别接触烙铁头部和电源插头接地端,接地电阻值稳定显示值应小于3Ω;否则接地不良。3.1.4烙铁头不得有氧化、烧蚀、变形等缺陷。3.2 烙铁支架3.2.1烙铁放入烙铁支架后应能保持稳定、无下垂趋势,护圈能罩住烙铁的全部发热部位。3.2.2支架上的清洁海绵加适量清水,使海绵湿润不滴水为宜。3.3 镊子:端口闭合良好,镊子尖无扭曲、折断。3.4 防静电手腕:检测合格,手腕带松紧适中,金属片与手腕部皮肤贴合良好,接地线连接可靠。3.5 烙铁不使用时上锡保护,工作时段长时间不用必须关闭电源防止空烧,下班后必须拔掉电源。4、手工焊接准备工作4.1保证焊接人员戴防静电手腕,确认怛温烙铁接地。4.2检查烙铁发热是否正常,烙铁头是否氧化或有脏物,如有可在湿海绵上擦去脏物,烙铁头在焊接前应挂上一层光亮的焊锡。4.3检查烙铁头温度是否符合所要焊接的元件要求,每次开启烙铁和调整烙铁温度都必须进行温度测试。4.4检查烙铁漏电压,用万用表交流档测试烙铁头和地线之间的电压,要求小于5V,否则不能使用。5、操作步骤5.1检查待装元器件的外观,浸锡及成形是否符合要求,不符合要求不得装配。5.2检查印制板是否有缺孔、缺印制线,可与设计图对照,不符合要求不得装焊,并及时提出。5.3检查完后,根据设计要求或实际情况,将不能浸焊的孔用阻焊胶带贴在焊接面贴孔。5.4单面印制板的插装5.4.1电阻、电感、二极管等应紧贴印制板安装(允许元件与印制板面有不大于1.5mm的间隙),如下图:5.4.2其它成形的元器件,按成形后的形状安装,如下图:5.4.3不用成型的元器件,可以直接插装。插装高度一般情况按下述要求处理:5.4.3.1圆片瓷介电容器,聚丙烯无感电容器等元器件的插装,如下图:hh注:h=3~5mm5.4.3.2晶体三极管、陶瓷滤波器等元件的插装,如下图:hhhh注 : h=5~ 8mm5.4.3.3电 解 电 容 、 涤 纶 电 容 、 带 骨 架 电 感 线 圈 等 元 器 件 的 插 装 要 求 如 下 ...

1、当您付费下载文档后,您只拥有了使用权限,并不意味着购买了版权,文档只能用于自身使用,不得用于其他商业用途(如 [转卖]进行直接盈利或[编辑后售卖]进行间接盈利)。
2、本站所有内容均由合作方或网友上传,本站不对文档的完整性、权威性及其观点立场正确性做任何保证或承诺!文档内容仅供研究参考,付费前请自行鉴别。
3、如文档内容存在违规,或者侵犯商业秘密、侵犯著作权等,请点击“违规举报”。

碎片内容

手工焊接工艺

您可能关注的文档

确认删除?
VIP
微信客服
  • 扫码咨询
会员Q群
  • 会员专属群点击这里加入QQ群
客服邮箱
回到顶部