电脑桌面
添加小米粒文库到电脑桌面
安装后可以在桌面快捷访问

制冷机房计算说明书

制冷机房计算说明书_第1页
1/18
制冷机房计算说明书_第2页
2/18
制冷机房计算说明书_第3页
3/18
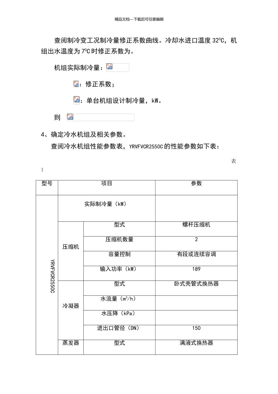
精品文档---下载后可任意编辑西安市民生集团制冷机房课程设计一、工程设计概况某公共建筑位于西安市,空调面积 10000 平方米,夏季空调冷负荷指标 105,冷负荷同时使用系数,用户资用压力 20 米水柱,最高点高度 18 米,定压装置位于制冷机房,用户管路水容积2800L。空调冷源采纳水冷冷水机组,台数为 2 台。制冷机房位于独立的裙房,详见平面图。二、冷水机组的选型 1、总冷负荷的计算。总冷负荷 1700KW冷损失附加系数取所以制冷机组总制冷量 q==1870KW2、初选冷水机组。根据总冷负荷选择冷水机组,初步选择 2 台型号为 YRVFVCR2550C的水冷螺杆式冷水机组。其单台制冷量为 1042KW,设计制冷工况为:冷冻水进出口温度:120C/70C;冷却水进出口温度:320C/370C。3、制冷量的修正。查阅室外气象参数,西安市夏季室外计算湿球温度为 260C,夏季室外计算干球温度为。冬季空调室外计算干球温度为-8℃,冬季空调室外计算相对湿度 66%,冬季大气压力,夏季大气压力为,则冷凝温度为,冷却塔的实际进出口温度为 370C、320C。精品文档---下载后可任意编辑查阅制冷变工况制冷量修正系数曲线。冷却水进口温度 320C,机组出水温度为 70C 时修正系数为。机组实际制冷量: :修正系数; :单台机组设计制冷量,kW。则 4、确定冷水机组及相关参数。 查阅冷水机组性能参数表,YRVFVCR2550C 的性能参数如下表: 表1型号项目参数YRVFVCR2550C实际制冷量(kW)压缩机型式螺杆压缩机压缩机数量2容量控制有段或连续容调输入功率(kW)189冷凝器型式卧式壳管式换热器水流量(m3/h)水压降(kPa)进出口管径(DN)150蒸发器型式满液式换热器精品文档---下载后可任意编辑水流量(m3/h)水压降(kPa)进出口管径(DN)150制冷剂种类HFC-134a充注量(kg)333机组噪音 dB(A)≤91外形尺寸长(mm)4842宽(mm)1550高(mm)2270机组重量整机重量(kg)7011运行重量(kg)7351注: 1、运行工况:冷水出水温度 70C,温差 50C;冷却水进水温度 320C,温差 50C。 2、机组噪音测定位置离机组 2 米、离地米处的各点平均值。 3、制冷量为上述运行工况时的制冷量。 4、压缩机输入功率经过修正,查表知修正系数为。实际功率为=。三、冷却塔的确定冷却塔水流量: 其中 K:安全系数,取; L0:单台机组冷凝器水流量,m3/h。精品文档---下载后可任意编辑进水温度:370C;出水温度:320C;温差 50C;湿球温度:260C。选用 DBNL3-250,台数为 2 台...

1、当您付费下载文档后,您只拥有了使用权限,并不意味着购买了版权,文档只能用于自身使用,不得用于其他商业用途(如 [转卖]进行直接盈利或[编辑后售卖]进行间接盈利)。
2、本站所有内容均由合作方或网友上传,本站不对文档的完整性、权威性及其观点立场正确性做任何保证或承诺!文档内容仅供研究参考,付费前请自行鉴别。
3、如文档内容存在违规,或者侵犯商业秘密、侵犯著作权等,请点击“违规举报”。

碎片内容

制冷机房计算说明书

您可能关注的文档

确认删除?
VIP
微信客服
  • 扫码咨询
会员Q群
  • 会员专属群点击这里加入QQ群
客服邮箱
回到顶部