电脑桌面
添加小米粒文库到电脑桌面
安装后可以在桌面快捷访问

吊索具检查表48622

吊索具检查表48622_第1页
1/3
吊索具检查表48622_第2页
2/3
吊索具检查表48622_第3页
3/3
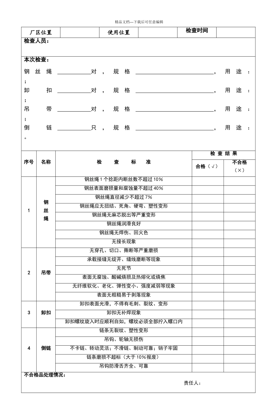
精品文档---下载后可任意编辑起重吊、索具日安全检查记录表精品文档---下载后可任意编辑厂区位置使用位置检查时间检查人员:本次检查:钢丝绳 对,规格 ,用途: ;卸 扣 对,规格 ,用途: ;吊 带 对,规格 ,用途: ;倒 链 只,规格 ,用途: 。序号名称检 查 标 准检 查 结 果合格(√)不合格(×)1钢丝绳钢丝绳 1 个捻距内断丝数不超过 10%钢丝表面磨损量和腐蚀量不超过 40%钢丝绳直径减少不超过 7%钢丝绳应无扭结、死角、硬弯、塑性变形钢丝绳无麻芯脱出等严重变形钢丝绳润滑良好钢丝绳无焊伤、回火色无接长现象2吊带无穿孔、切口、撕断等严重磨损承载接缝无绽开、缝线磨断等现象无死节表面无腐蚀、酸碱烧损及热熔化或烧焦无纤维软化、老化、弹性变小、强度减弱等现象表面无粗糙易于剥落现象3卸扣卸扣表面光滑,不得有毛刺、裂纹、变形卸扣无补焊现象卸扣螺纹旋入时应顺利自如,螺纹必须全部拧入螺口内4倒链链条无裂纹、塑性变形吊钩、轮轴无损伤不卡链、转动灵活;不滑链、制动可靠;销子牢固链条磨损不超标(大于 10%报废)吊钩防滑舌齐全、可靠不合格品处理情况: 责任人: 精品文档---下载后可任意编辑注:1.班组每天施工前必须对起重所有的吊、索具按检查标准进行检查,检查后如实填写本表。2.检查由班长组织班内起重工进行,对检查出的不合格工、索具等严禁使用,必须立即撤出施工现场。3.每月末班长将本表整理后统一上交项目安全部门存档。

1、当您付费下载文档后,您只拥有了使用权限,并不意味着购买了版权,文档只能用于自身使用,不得用于其他商业用途(如 [转卖]进行直接盈利或[编辑后售卖]进行间接盈利)。
2、本站所有内容均由合作方或网友上传,本站不对文档的完整性、权威性及其观点立场正确性做任何保证或承诺!文档内容仅供研究参考,付费前请自行鉴别。
3、如文档内容存在违规,或者侵犯商业秘密、侵犯著作权等,请点击“违规举报”。

碎片内容

吊索具检查表48622

确认删除?
VIP
微信客服
  • 扫码咨询
会员Q群
  • 会员专属群点击这里加入QQ群
客服邮箱
回到顶部