电脑桌面
添加小米粒文库到电脑桌面
安装后可以在桌面快捷访问

施工现场HSE管理检查规定

施工现场HSE管理检查规定_第1页
1/17
施工现场HSE管理检查规定_第2页
2/17
施工现场HSE管理检查规定_第3页
3/17
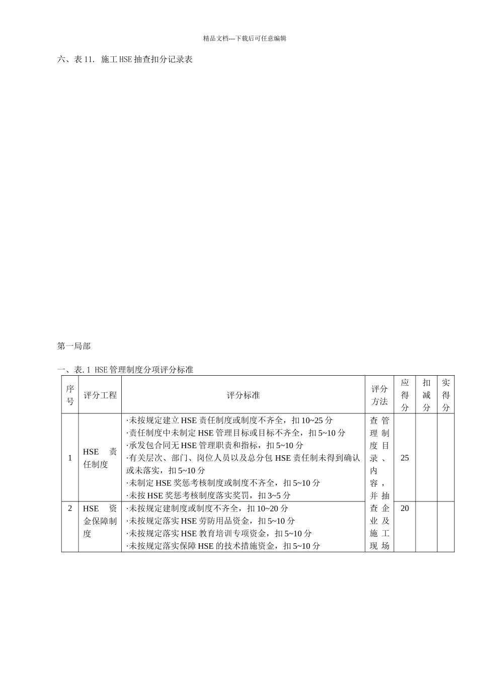
精品文档---下载后可任意编辑施工现场 HSE 管理检查规定本规定制定的检查评定标准分为定期集中 HSE 检查工程〔第一局部〕和不定期 HSE 抽查工程〔第二局部〕两局部内容。集中 HSE 检查是对施工企业 HSE 条件和文明施工的程度进行评价,施工过程 HSE抽查是对承包商的 HSE 管理过程进行督促。本规定适用于本建设工程,目前为工程施工初期,施工内容比拟单一,因而确定的抽查工程较少 ,随着工程的进一步开展,将逐步增加抽查工程,并结合现场实际情况对本规定进行修改、完善。?施工企业 HSE 评价标准? JGJ/T77-2024?建筑施工 HSE 检查评分标准? JGJ59-99?施工现场临时用电 HSE 技术标准? JGJ46-88?建筑施工高处作业 HSE 技术标准? JGJ80-91公司工程管理体系文件?工程 HSE 方案?。集中检查结合平常抽查。集中检查工程〔第一局部〕,由业主组织,监理、承包商参加,每月对现场承包商进行一次全面检查。抽查工程〔第二局部〕由业主、监理人员不定时到现场抽查,并填写抽查扣分表及罚单。评分原那么分项评分总分值分值为 100 分,各分项评分的实得分应为相应分项评分表中各评分工程实得分之和。分项评分表中的各评分工程的实得分不应采纳负值,扣减分数总和不得超过该评分工程应得分分值,加分总和也不得超过该评分工程的应得分分值。单项评分实得分应为各评分工程实得分之和。 评分工程有缺项的,其分项评分的实得分应按下式换算:遇有缺项的分项评分的实得分 =(可评分工程的实得分之和/可评分工程的应得分值之和)×100检查工程(第一局部)评分实得分应为其 5 个分项实得分的加权平均值。本规定附录表中表 1 ~表 5 相应分项的权数分别为 0.25、0.2、0.25在检查中发现严重 HSE 隐患的,将实行一票否决制〔有一人提出不合格,不再计分,结果为不合格〕。集中检查工程结果分为合格、不合格两个等级,各分项评分实得分均≥70 分,且检查工程实得分≥75分时为合格,否那么为不合格。 附录:第一局部:集中检查工程一、表 1. HSE 管理制度分项平分表二、表 2. 资质、机构与人员管理分项评分表三、表 3. HSE 技术管理分项评分表四、表 4. 设备与设施管理分项评分表五、表 5. 文明施工分项评分表六、集中检查工程评分表说明第二局部:抽查工程一、表 6. 施工机具 HSE 抽查扣分标准二、表 7. 施工用电 HSE 抽查扣分标准三、表 8. HSE 防护抽查扣分标准四、表 9. 边坡施工 HSE 抽查扣分标准...

1、当您付费下载文档后,您只拥有了使用权限,并不意味着购买了版权,文档只能用于自身使用,不得用于其他商业用途(如 [转卖]进行直接盈利或[编辑后售卖]进行间接盈利)。
2、本站所有内容均由合作方或网友上传,本站不对文档的完整性、权威性及其观点立场正确性做任何保证或承诺!文档内容仅供研究参考,付费前请自行鉴别。
3、如文档内容存在违规,或者侵犯商业秘密、侵犯著作权等,请点击“违规举报”。

碎片内容

施工现场HSE管理检查规定

您可能关注的文档

确认删除?
VIP
微信客服
  • 扫码咨询
会员Q群
  • 会员专属群点击这里加入QQ群
客服邮箱
回到顶部