电脑桌面
添加小米粒文库到电脑桌面
安装后可以在桌面快捷访问

机械设备使用年限参数汇总

机械设备使用年限参数汇总_第1页
1/26
机械设备使用年限参数汇总_第2页
2/26
机械设备使用年限参数汇总_第3页
3/26
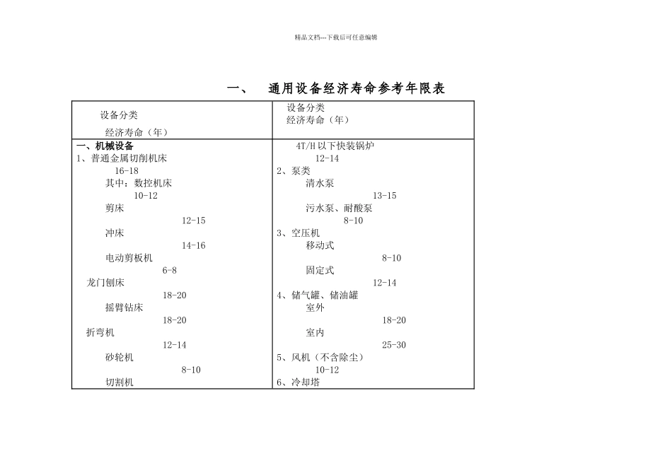
精品文档---下载后可任意编辑一、 通用设备经济寿命参考年限表 设备分类 经济寿命(年)设备分类 经济寿命(年)一、机械设备1、普通金属切削机床 16-18 其中:数控机床 10-12 剪床 12-15 冲床 14-16 电动剪板机 6-8龙门刨床 18-20 摇臂钻床 18-20折弯机 12-14 砂轮机 8-10 切割机 4T/H 以下快装锅炉 12-142、泵类 清水泵 13-15 污水泵、耐酸泵 8-103、空压机 移动式 8-10 固定式 12-144、储气罐、储油罐 室外 18-20 室内 25-305、风机(不含除尘) 10-126、冷却塔 精品文档---下载后可任意编辑 10-12 抛光、磨光机 12-142、锻压设备 15-17 其中:锻锤设备 13-153、试验设 其中:机械式 10-12 电子式 8-104、起重设备 16-18 单、双梁吊车 16-18 电动葫芦 9-11 电梯 14-165、工程机械 14-166、铸造设备 12-14 其中:冲天炉 18-207、除尘设备 8-108、工艺管线 有腐蚀管线 8-10 无腐蚀管线 16-209、其他动力设备 16-20三、传导设备1、电器设备 16-182、变电设备 24-263、配电设备 18-224、输电线路 26-305、电讯设备 26-306、铁塔水泥杆 32-407、其他传导设备 20-25精品文档---下载后可任意编辑 14-16 混砂机 10-127、电镀设备 10-128、其他机械设备 16-18 二、动力设备1、锅炉 4T/H 以上蒸汽或热水锅炉 14-16 四、通讯设备1、电话通讯设备 8-102、通讯线路 8-103、交换机 8-104、手机 3-5 设备分类 经济寿命(年)设备分类 经济寿命(年)五、自动化控制及仪器仪表1、自动化控制设备 8-102、半自动化控制设备 10-123、电子计算机 5-84、探伤仪器、测绘仪器 8-105、通用测试仪器及设备 20、电吹风机 4-621、电风扇 6-822、电饭煲 4-623、电热毯 4-624、电动剃须刀 3-5精品文档---下载后可任意编辑 8-10六、工具及其他生产用具 1、成套工具 16-182、一般工具 16-183、电焊机 14-164、其他工具及用具 16-18七、非生产设备及器具 1、电视机 8-102、窗式、分体式空调 6-83、柜式空调 8-104、中央空调系统设备 14-165、传真机 4-66、复印机及文字处理机 4-67、编程器 6-825、洗涤设备 5-726、炊具 4-627、开水器 4-628、高压锅 4-629、消毒柜 6-830、闭路电视播放设备 8-1031、音响设备 6-10 32、电影放映机 10-12 33、高级乐器(钢琴、管弦乐器) 8-12 34、水、油、煤气炉 16-2035、储气柜(煤气) 40-5036、煤气表 14-...

1、当您付费下载文档后,您只拥有了使用权限,并不意味着购买了版权,文档只能用于自身使用,不得用于其他商业用途(如 [转卖]进行直接盈利或[编辑后售卖]进行间接盈利)。
2、本站所有内容均由合作方或网友上传,本站不对文档的完整性、权威性及其观点立场正确性做任何保证或承诺!文档内容仅供研究参考,付费前请自行鉴别。
3、如文档内容存在违规,或者侵犯商业秘密、侵犯著作权等,请点击“违规举报”。

碎片内容

机械设备使用年限参数汇总

您可能关注的文档

确认删除?
VIP
微信客服
  • 扫码咨询
会员Q群
  • 会员专属群点击这里加入QQ群
客服邮箱
回到顶部