电脑桌面
添加小米粒文库到电脑桌面
安装后可以在桌面快捷访问

排水管道养护标准

排水管道养护标准_第1页
1/15
排水管道养护标准_第2页
2/15
排水管道养护标准_第3页
3/15
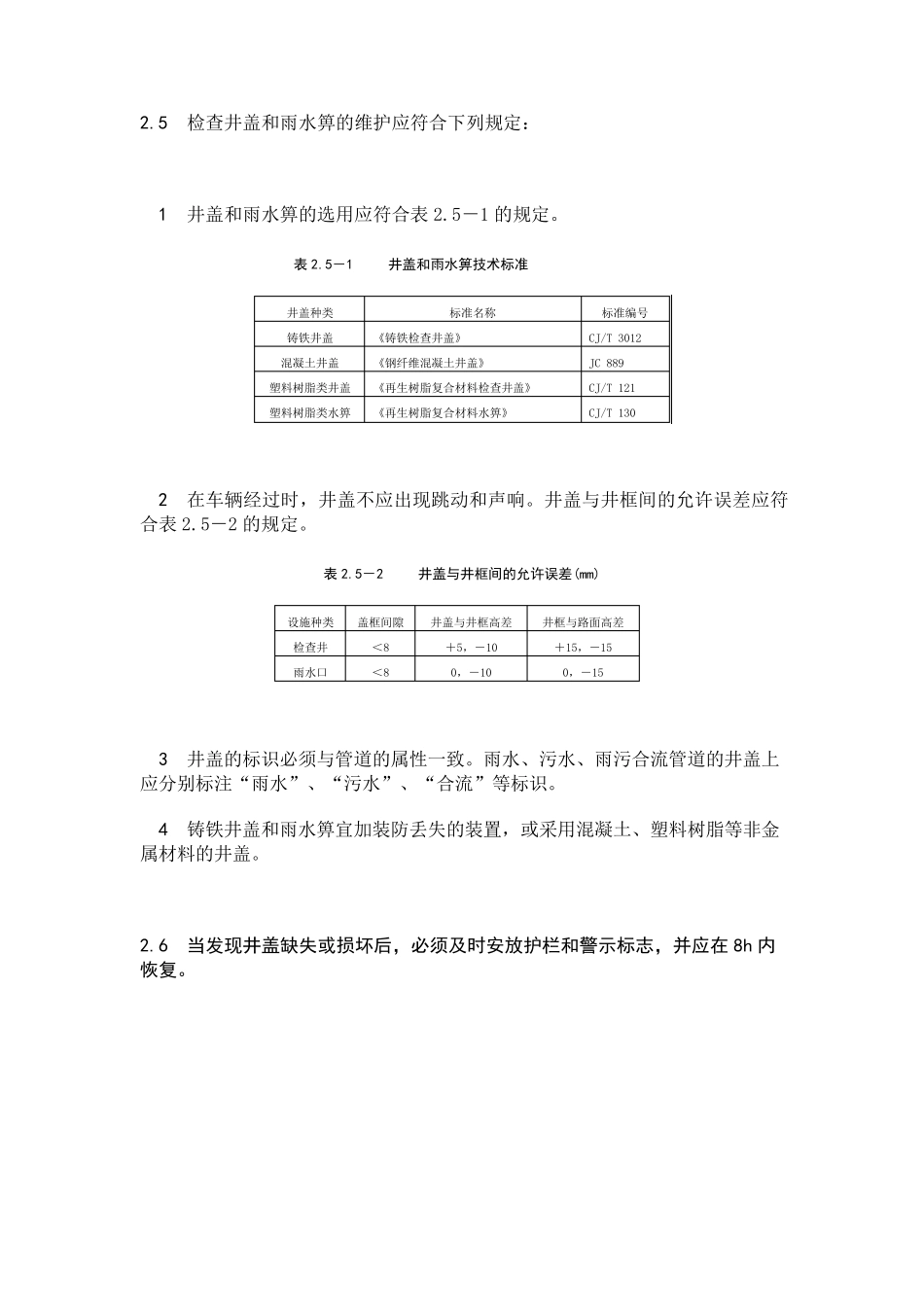
连云港市雨水排水管道养护标准 为了提高我市市政绿化养护管理中心对全市雨水排水管道养护能力,保障国家和人民的生命财产安全,按照高效、安全、节约、科学的原则,建立标准化规程,保证雨水排水管网正常运行,特制定本办法。 1 一 般 规 定 1.1 排水管渠应定期检查、定期维护,保持良好的水力功能和结构状况。 1.2 排水管理部门应定期对排水户进行水质、水量检测,并应建立管理档案;排放水质应符合国家现行标准《污水排入城市下水道水质标准》CJ 3082 的规定。医院排水还应符合《医院污水排放标准》GBJ 48 的规定。 1.3 管渠维护必须执行国家现行标准《排水管道维护安全技术规程》CJJ 6 的规定。 1.4 排水管渠维护宜采用机械作业。 1.5 排水管渠应明确其雨水管渠、污水管渠或合流管渠的类型属性。 1.6 在分流制排水地区,严禁雨污水混接。 1.7 污水管道的正常运行水位不应高于设计充满度所对应的水位。 1.8 排水管道应按表1.8 的规定进行管径划分。 表 1.8 排水管道的管径划分(mm) 类型 小型管 中型管 大型管 特大型管 管径 <600 600~1000 >1000~1500 >1500 2 管 道 养 护 2.1 排水管道应定期巡视,巡视内容应包括污水冒溢、晴天雨水口积水、井盖和雨水箅缺 损 、管道塌 陷 、违 章 占 压 、违 章 排放、私 自 接 管以 及 影 响 管道排水的工 程施 工 等 情 况。 2.2 排水管理部门应制定本地 区 的排水管道养护质量检查办法,并定期对排水管道的运行状况等 进行抽 查,养护质量检查不应少 于3 个 月 一次 。 2.3 管道、检查井和雨水口内不得留有石块等阻碍排水的杂物,其允许积泥深度应符合表 2.3 的规定。 表2.3 管道、检查井和雨水口的允许积泥深度 设施类别 允许积泥深度 管道 管径的 1/5 检查井 有沉泥槽 管底以下 50mm 无沉泥槽 主管径的 1/5 雨水口 有沉泥槽 管底以下 50mm 无沉泥槽 管底以上 50mm 2.4 检查井日常巡视检查的内容应符合表 2.4 的规定。 表2.4 检查井巡视检查内容 部位 外部巡视 内部检查 内容 井盖埋没 链条或锁具 井盖丢失 爬梯松动、锈蚀或缺损 井盖破损 井壁泥垢 井框破损 井壁裂缝 盖、框间隙 井壁渗漏 盖、框高差 抹面脱落 盖框突出或凹陷 管口孔洞 内容 跳动和声响 流槽破损 周边路面破损 井底积泥 井盖标识错误 水流不畅 其它 浮渣 2.5 检查井盖和雨水箅的维...

1、当您付费下载文档后,您只拥有了使用权限,并不意味着购买了版权,文档只能用于自身使用,不得用于其他商业用途(如 [转卖]进行直接盈利或[编辑后售卖]进行间接盈利)。
2、本站所有内容均由合作方或网友上传,本站不对文档的完整性、权威性及其观点立场正确性做任何保证或承诺!文档内容仅供研究参考,付费前请自行鉴别。
3、如文档内容存在违规,或者侵犯商业秘密、侵犯著作权等,请点击“违规举报”。

碎片内容

排水管道养护标准

您可能关注的文档

确认删除?
VIP
微信客服
  • 扫码咨询
会员Q群
  • 会员专属群点击这里加入QQ群
客服邮箱
回到顶部