电脑桌面
添加小米粒文库到电脑桌面
安装后可以在桌面快捷访问

接地电阻测试仪系列说明书(普通类)

接地电阻测试仪系列说明书(普通类)_第1页
1/9
接地电阻测试仪系列说明书(普通类)_第2页
2/9
接地电阻测试仪系列说明书(普通类)_第3页
3/9
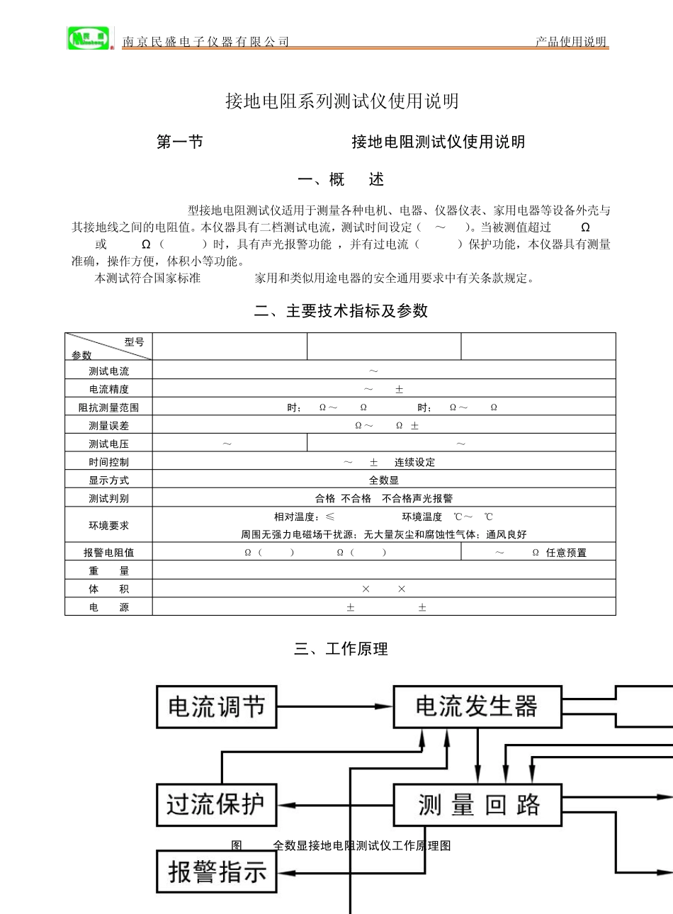
南京民盛电子仪器有限公司 产品使用说明 1 接地电阻系列测试仪使用说明 第一节 MS2520A MS2520C接地电阻测试仪使用说明 一、概 述 MS2520A/MS2520C型接地电阻测试仪适用于测量各种电机、电器、仪器仪表、家用电器等设备外壳与其接地线之间的电阻值。本仪器具有二档测试电流,测试时间设定(1s~99s)。当被测值超过 100 mΩ (AC 25A)或 200 mΩ (AC 10A)时,具有声光报警功能 ,并有过电流(AC 30A)保护功能,本仪器具有测量准确,操作方便,体积小等功能。 本测试符合国家标准 GB4706.1家用和类似用途电器的安全通用要求中有关条款规定。 二、主要技术指标及参数 型号 参数 MS2520A MS2520C MS2520F 测试电流 0~30(A) 电流精度 5A~30A ±5% 阻抗测量范围 10A时;0mΩ~600mΩ 25A时;0mΩ~200mΩ 测量误差 50mΩ~600mΩ ±5% 测试电压 0V~12V 0V~8V 时间控制 1s~99s±5% 连续设定 显示方式 全数显 测试判别 合格/不合格 不合格声光报警 环境要求 相对温度:≤75%RH 环境温度:0℃~40℃ 周围无强力电磁场干扰源;无大量灰尘和腐蚀性气体;通风良好 报警电阻值 100mΩ(AC25A) 200mΩ(AC10A) 0~600(mΩ)任意预置 重 量 15Kg 体 积 350mm×160mm×315mm 电 源 220V±22V 50Hz±2Hz 三、工作原理 图(1) 全数显接地电阻测试仪工作原理图 南京民盛电子仪器有限公司 产品使用说明 2 四、仪器面板结构及说明 1.MS2520A/MS2520C接地电阻测试仪面板结构见图(2)和图(3)所示: 图(2) 全数显 MS2520A/C接地电阻测试仪前面板示意图 图(3) 全数显 MS2520A/C接地电阻测试仪后面板示意图 (1)电源开关 (2)电流调节旋钮 (3)启动按钮 (4)复位按钮 (5)10A/25A选择开关 (6)测试时间显示屏 (7) 测试电阻显示屏 (8)测试电流显示屏 (9)测试灯(红灯) (10)超阻灯(绿灯) (11) 过电流灯(黄灯) (12)时间开关 (13)时间预置 (14)测量端(电压端) (15)测量端(电压端) (16)测量端(电流端) (17)测量端(电流端) (18) 带熔断器电源插座 (19)接地端 南京民盛电子仪器有限公司 产品使用说明 3 2.MS2520F接地电阻测试仪前面板结构见图(4)所示: 图(4) 全数显MS2520F接地电阻测试仪前面板示意图 (1). 电源开关:按下打开电源,弹起关闭电源。 (2). 电流调节旋钮:用来调节测试电流大小,逆时针...

1、当您付费下载文档后,您只拥有了使用权限,并不意味着购买了版权,文档只能用于自身使用,不得用于其他商业用途(如 [转卖]进行直接盈利或[编辑后售卖]进行间接盈利)。
2、本站所有内容均由合作方或网友上传,本站不对文档的完整性、权威性及其观点立场正确性做任何保证或承诺!文档内容仅供研究参考,付费前请自行鉴别。
3、如文档内容存在违规,或者侵犯商业秘密、侵犯著作权等,请点击“违规举报”。

碎片内容

接地电阻测试仪系列说明书(普通类)

您可能关注的文档

确认删除?
VIP
微信客服
  • 扫码咨询
会员Q群
  • 会员专属群点击这里加入QQ群
客服邮箱
回到顶部