电脑桌面
添加小米粒文库到电脑桌面
安装后可以在桌面快捷访问

接地电阻计算方法

接地电阻计算方法_第1页
1/13
接地电阻计算方法_第2页
2/13
接地电阻计算方法_第3页
3/13
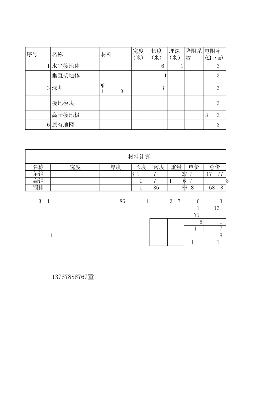
水平接地体计算公式垂直接地体计算公式接地模块计算公式离子接地极计算公式闭合接地网计算公式多个接地体并联公式 接地体并联电阻公式序号名称材料 宽度(米)长度(米)埋深(米)降阻系数电阻率(Ω ·m)1水平接地体50*50.051000.342002垂直接地体50*5*20000.05 242002铜包钢接地棒φ 25*25000.052.54200kdLLR)18(ln2 baR068.0SR5.0432111111RRRRRnRR总3接地模块500*40042004离子接地极50*15001.50.3 42005离子接地极50*250020.3 42005闭合环形地网1059 0.842006781.877791011121314151617181920序号名称规格 单位数量单价总价1扁钢40*4米207.5361502角钢50*5*2000根6 45.252713挖钢、回填、焊接0.4*0.5米20204004小计8215税费小计*6%496 验收费小计*6%497总计91989101112131415103636010131301111121611序号名称材料 宽度(米)长度(米)埋深(米)降阻系数电阻率(Ω ·m)1 水平接地体40*40.05 6013002垂直接地体50*5*25000.05 13003 深井φ150*300000.05 303004接地模块500*4003005离子接地极50*250020.33006 原有地网300名称宽度厚度长度密度重量单价总价角钢0.050.003 1.5 79002.37 7.5 17.775扁钢0.040.004 179001.2647.59.48铜排0.0250.004 186000.86 8068.83.140.00486001 0.4327565235015135071020056010120702122480120015013787888767童 材料计算13862400926400360023801450576006007E+055264013001621210566400800018008007005000等效直径(B/2)单根电阻值接地体数量利用系数总电阻值并联后电阻0.02594.3210.8594.320.042#######250.9573.9141.440.025#######1000.9516.8713.74638.62200.8537.5719.700.15452.37100.9547.6213.940.15368.1440.9596.889.6086.461186.460.049.578279576369.00324等效直径(B/2)单根电阻值接地体数量利用系数总电阻值并联后电阻0.0259.46119.462.540.042217.66200.813.600.1510.6460.950.001.8645.62150.654.680.1526.3040.956.92112.0516.202.845.36备注水平接地体垂直接地体接地模块离子接地极并联总电阻1.592.080.9011444149.4613.604.682.544555249.4613.604.682.081.1444721981527509.460.87.572025013.600.810.881420005600840017920180000526920190631.675.350.653.4840.652.60接地体并联总电阻7200021111711200481165800711113006161129946641110566411800074311000074313000741120007411700641150001831191000210111113112111211121121312131272.003142142122142112311328803231904363116066448011459.00444386.004216212.00420288057600.00447112052640.00111111KBT-BD60/60/4P111133133333164211228211133116211410.90.90.452.54421.592.081.1444721980

1、当您付费下载文档后,您只拥有了使用权限,并不意味着购买了版权,文档只能用于自身使用,不得用于其他商业用途(如 [转卖]进行直接盈利或[编辑后售卖]进行间接盈利)。
2、本站所有内容均由合作方或网友上传,本站不对文档的完整性、权威性及其观点立场正确性做任何保证或承诺!文档内容仅供研究参考,付费前请自行鉴别。
3、如文档内容存在违规,或者侵犯商业秘密、侵犯著作权等,请点击“违规举报”。

碎片内容

接地电阻计算方法

小辰4+ 关注
实名认证
内容提供者

出售各种资料和文档

相关文档

确认删除?
VIP
微信客服
  • 扫码咨询
会员Q群
  • 会员专属群点击这里加入QQ群
客服邮箱
回到顶部