电脑桌面
添加小米粒文库到电脑桌面
安装后可以在桌面快捷访问

搅拌设备安装施工工艺标准(完)

搅拌设备安装施工工艺标准(完)_第1页
1/15
搅拌设备安装施工工艺标准(完)_第2页
2/15
搅拌设备安装施工工艺标准(完)_第3页
3/15
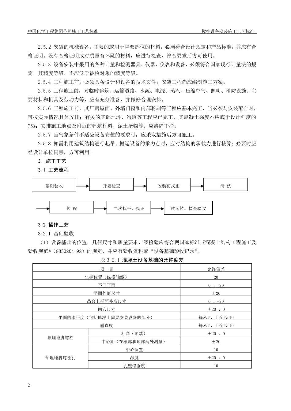
中国化学工程集团公司施工工艺标准 搅拌设备安装施工工艺标准 1 搅拌设备安装施工工艺标准 (标准编号) 1. 适用范围 本工艺适用于带搅拌器的磷酸搅拌机、主灰桶(槽)、预灰桶、渐进预灰桶、石灰孔搅拌机、糖膏分配槽、一(二)碳泥汁搅拌机、连续回溶机、糖糊混合机,以及石油化工装置立式搅拌器等相似设备的安装工程。 2. 施工准备 2.1 技术准备 2.1.1 安装前,应掌握有关设备安装的技术资料,包括设备参数表,施工图纸,供货商提供的安装或装备详图,安装运行和维护手册,基础要求、载荷、紧固件有关资料等; 2.1.2 有关施工标准,规范 (1)《机械设备安装工程施工及验收通用规范》JBJ23-96 (2)《化工机器安装工程施工及验收通用规范》HG20203-2000 (3)《化工设备安装工程质量检验评定标准》HG20236-93 (4)《石油化工设备安装工程质量检验评定标准》SH3514-2001 (5)《工业安装工程质量检验评定统一标准》GB50252-94 (6)《搅拌传动装置系统组合、选用及技术要求》21563-95 2.2 作业人员 2.2.1 参加搅拌设备安装作业人员主要包括设备安装工程师、钳工、电工、电焊工、气焊工、起重工、架子工等,人员数量根据工程量大小和工期要求于配置。 2.2.2 上述各作业工种人员必须经过技术培训并经考 试 合格 ,持 相关作业的上岗 操 作证 。 2.3 设备、材料 2.3.1 设备验收: 安装搅拌设备前,应由 厂 家 ,业主(总 承 包商,工程监 理 )安装单 位 共 同 对 设备进行开 箱 验收。将 现 场 的实 物 与 装箱 清 单 核 对 。随 机文 件及配件应齐 全 ,将 破 损 件,缺 件填 写 在 开 箱 记录 清 单 上。 2.3.2 施工用的辅 助 材 料如 型 钢 、电焊条 、垫 铁 、地 脚 螺 栓 等,应使 用厂 家 指 定产 品 ,非 指 定产 品必须要求材 料供应商提供材 料的材 质证 明 及合格 保 证 。 2.3.3 搅拌设备润 滑 油(脂 )等应按 设备说 明 书 要求选用,一般 由 建 设单 位 供应。 2.3.4 搅拌设备备品 备件应按 原 设备装配图型 号选用,并应对 材 质外 观 质量、尺 寸 等进行测 量检查 。 2.4 主要机具 2.4.1 施工机具 : 吊 机、卷 扬 机、桅 杆 等(根据设备重量、位 置等选用)千 斤 顶 、电焊机、电气焊工具 ,各类 扳 手、拉 马 、手锤 、铜 棒 、台 虎 钳、挫 刀 、电...

1、当您付费下载文档后,您只拥有了使用权限,并不意味着购买了版权,文档只能用于自身使用,不得用于其他商业用途(如 [转卖]进行直接盈利或[编辑后售卖]进行间接盈利)。
2、本站所有内容均由合作方或网友上传,本站不对文档的完整性、权威性及其观点立场正确性做任何保证或承诺!文档内容仅供研究参考,付费前请自行鉴别。
3、如文档内容存在违规,或者侵犯商业秘密、侵犯著作权等,请点击“违规举报”。

碎片内容

搅拌设备安装施工工艺标准(完)

您可能关注的文档

确认删除?
VIP
微信客服
  • 扫码咨询
会员Q群
  • 会员专属群点击这里加入QQ群
客服邮箱
回到顶部