电脑桌面
添加小米粒文库到电脑桌面
安装后可以在桌面快捷访问

温度计的设计报告

温度计的设计报告_第1页
1/18
温度计的设计报告_第2页
2/18
温度计的设计报告_第3页
3/18
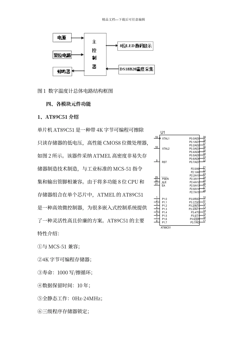
精品文档---下载后可任意编辑温度计的设计一、设计内容和要求本设计主要介绍了用单片机和数字温度传感器 DS18B20 相结合的方法来实现温度的采集,以单片机 AT89C51 芯片为核心,辅以温度传感器 DS18B20 和 LED数码管及必要的外围电路,构成了一个单片机数字温度计。其主要讨论内容包括两方面,一是对系统硬件部分的设计,包括温度采集电路和显示电路;二是对系统软件部分的设计,应用 C 语言实现温度的采集与显示。通过利用数字温度传感器 DS18B20 进行设计,能够满足实时检测温度的要求,同时通过 LED数码管的显示功能,可以实现不间断的温度显示,并带有复位功能。本次设计的主要思路是利用 51 系列单片机,数字温度传感器 DS18B20 和 LED数码显示器,构成实现温度检测与显示的单片机控制系统,即数字温度计。通过对单片机编写相应的程序,达到能够实时检测周围温度的目的。通过对本课题的设计能够熟悉数字温度计的工作原理及过程,了解各功能器件(单片机、DS18B20、LED)的基本原理与应用,掌握各部分电路的硬件连线与程序编写,最终完成对数字温度计的总体设计。根据实验要求实现测温范围在-55~128 oC 的 LED 数码管显示。本次设计的主要要求:(1)根据设计需要,选用 AT89C51 单片机为核心器件;(2)温度检测器件采纳 DS18B20 数字式温度传感器,利用单总线式连接方式与单片机的串行接口引脚相连;(3)显示电路采纳 8 个 LED 数码管显示器接 P1 口并行显示温度值,数码管由P2 口~选通,动态显示。精品文档---下载后可任意编辑(4)给出全部电路和源程序。二、课程设计的目的和意义数字温度计与传统的温度计相比,具有读数方便,测温范围广,测温准确,其输出温度采纳数字显示,主要用于对测温比较准确的场所,或科研实验室使用。温度计是常用的热工仪表,常用于工业现场作为过程的温度测量。在工业生产过程中,不仅需要了解当前温度读数,而且还希望能了解过程中的温度变化情况。随着工业现代化的进展,对温度测量仪表的要求越来越高,而数字温度表具有结构简单,抗干扰能力强,功耗小,可靠性高,速度快等特点,更加适合于工业过程中以及科学试验中对温度进行在线测量的要求。近年来,数字温度表广泛应用在各个领域,它与模拟式温度表相比较,归纳起来有如下特点。⑴准确度高,⑵测量范围宽、灵敏度高,⑶测量速度快,⑷使用方便、操作简单,⑸抗干扰能力强,⑹自动化程度高,⑺读数清楚、直观方便。数字...

1、当您付费下载文档后,您只拥有了使用权限,并不意味着购买了版权,文档只能用于自身使用,不得用于其他商业用途(如 [转卖]进行直接盈利或[编辑后售卖]进行间接盈利)。
2、本站所有内容均由合作方或网友上传,本站不对文档的完整性、权威性及其观点立场正确性做任何保证或承诺!文档内容仅供研究参考,付费前请自行鉴别。
3、如文档内容存在违规,或者侵犯商业秘密、侵犯著作权等,请点击“违规举报”。

碎片内容

温度计的设计报告

确认删除?
VIP
微信客服
  • 扫码咨询
会员Q群
  • 会员专属群点击这里加入QQ群
客服邮箱
回到顶部