电脑桌面
添加小米粒文库到电脑桌面
安装后可以在桌面快捷访问

教你如何填“绝缘电阻测试记录”

教你如何填“绝缘电阻测试记录”_第1页
1/7
教你如何填“绝缘电阻测试记录”_第2页
2/7
教你如何填“绝缘电阻测试记录”_第3页
3/7
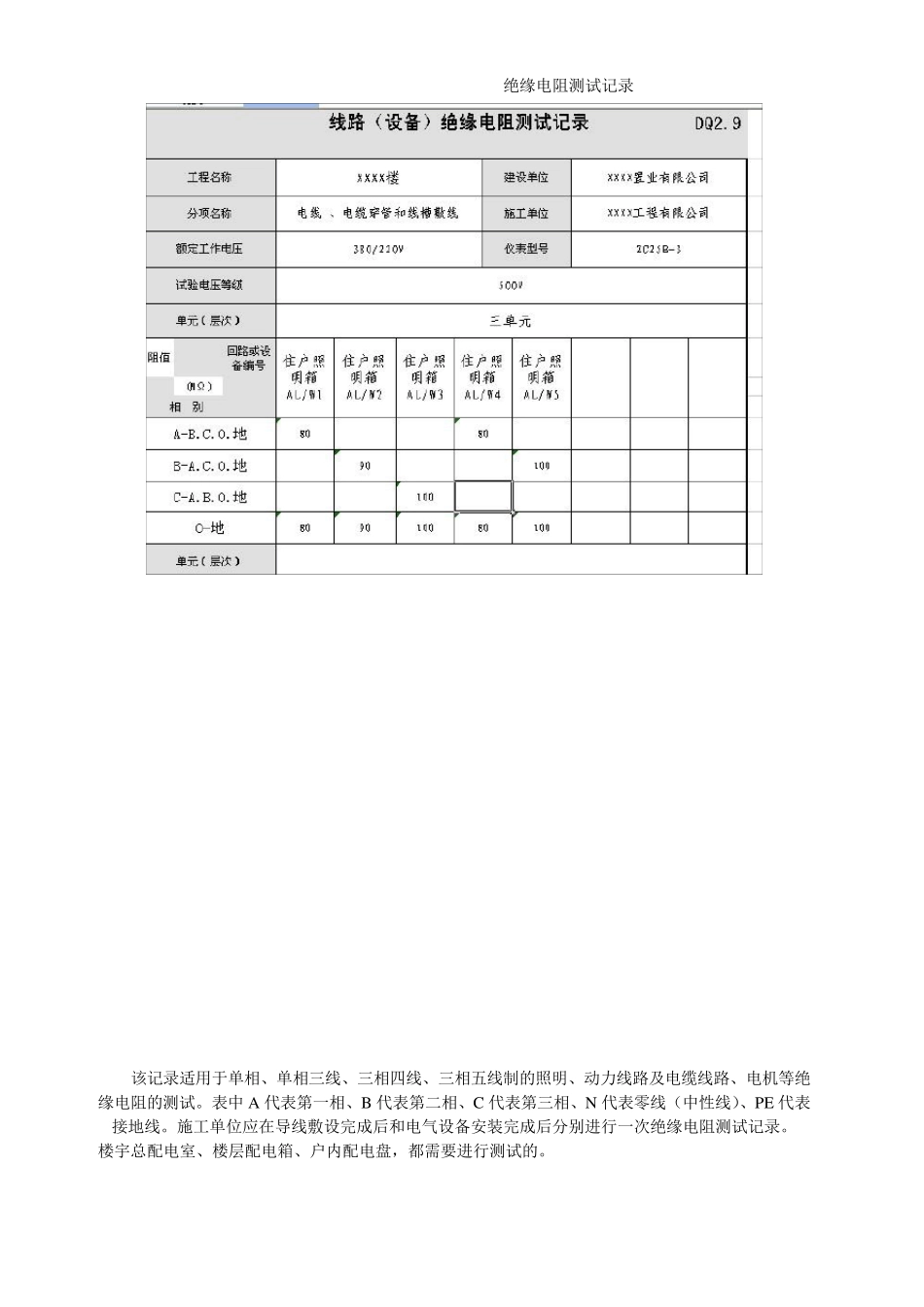
绝缘电阻测试记录 该记录适用于单相、单相三线、三相四线、三相五线制的照明、动力线路及电缆线路、电机等绝缘电阻的测试。表中 A 代表第一相、B 代表第二相、C 代表第三相、N 代表零线(中性线)、PE 代表接地线。施工单位应在导线敷设完成后和电气设备安装完成后分别进行一次绝缘电阻测试记录。 楼宇总配电室、楼层配电箱、户内配电盘,都需要进行测试的。 绝缘电阻测试 1.要求:电气线路安装后,在送电前应对所有的电气线路(包括明敷和暗敷、电缆)进行线路的绝缘电阻测试,达不到绝缘要求的严禁送电。 2.目的:通过绝缘电阻测试,检查和掌握线路敷设和电气安装的施工质量,避免发生漏电、短路等用电安全事故。 3.方法: (1)电气线路敷设中的明配线,暗配线及低压电缆均应作绝缘测试。 (2)用 500V 兆欧表(摇表)进行测试,测试工具应有计量检测(型号、编 号、有效期)。 (3)48V 以下线路及设备应与单相 220V 线路测试相同。 (4)测试数量必须符合设计图的回路数,即对每一个用电回路均应测试。 (5)线路测试时导线间,导线对地的绝缘电阻应大于 0.5MΩ。 (6)电动机绝缘测试值应≥1MΩ。 (7)大型电气设备、开关、动力、照明配电箱等绝缘测试值应大于 0.5MΩ。 (8)认真填写绝缘电阻测试单,并请有关部门或业主验收签证。 回路编号:通过电缆、电线的系统图(注意要系统图,上有对应的回路编号,比如:+1AA1-1) 线路型号、规格、敷设方法:规格型号系统图上也有 比如:4*2.5mm2 敷设方法:直埋 、桥架、穿管等。 绝缘电阻:A、B、C 表示三相电A 相 B 相 C 相。 如果是单相的 A-C、A-B 什么的就不用填,N 是零线、PE 是接地保护线。 如果是三相五 线电就得 填满 ,不过阻值基 本 大同小 异 ,复 制 +改 改 就OK 了 电缆的绝缘电阻值与电缆的种 类 、电压等级 、电缆绝缘的温 度 、空 气湿 度 有关,额 定 电压 6KV及以上的应不小 于 100MΩ,额 定 电压 1~ 3KV 时应不小 于 50MΩ。1KV 一下三四 十 兆欧就满 足 要求了 。一般 零线与地线都 是从 同一个接地点 引 出 的,正 常 情 况 下他 们 之 间的电阻值应该 为 0,但 有特 殊情 况 ,所有把 开关拉 开,这 样 零对地电阻应该 要很 大,否 则 说 明没 有正 常 正 确 安装接地线,表格中所填应该 是特 殊 情 况 下的阻值(本 人 也不是很 确 定 ),所以...

1、当您付费下载文档后,您只拥有了使用权限,并不意味着购买了版权,文档只能用于自身使用,不得用于其他商业用途(如 [转卖]进行直接盈利或[编辑后售卖]进行间接盈利)。
2、本站所有内容均由合作方或网友上传,本站不对文档的完整性、权威性及其观点立场正确性做任何保证或承诺!文档内容仅供研究参考,付费前请自行鉴别。
3、如文档内容存在违规,或者侵犯商业秘密、侵犯著作权等,请点击“违规举报”。

碎片内容

教你如何填“绝缘电阻测试记录”

确认删除?
VIP
微信客服
  • 扫码咨询
会员Q群
  • 会员专属群点击这里加入QQ群
客服邮箱
回到顶部