电脑桌面
添加小米粒文库到电脑桌面
安装后可以在桌面快捷访问

机动车检验机构检测设备期间核查规范期间核查表格示范

机动车检验机构检测设备期间核查规范期间核查表格示范_第1页
1/14
机动车检验机构检测设备期间核查规范期间核查表格示范_第2页
2/14
机动车检验机构检测设备期间核查规范期间核查表格示范_第3页
3/14
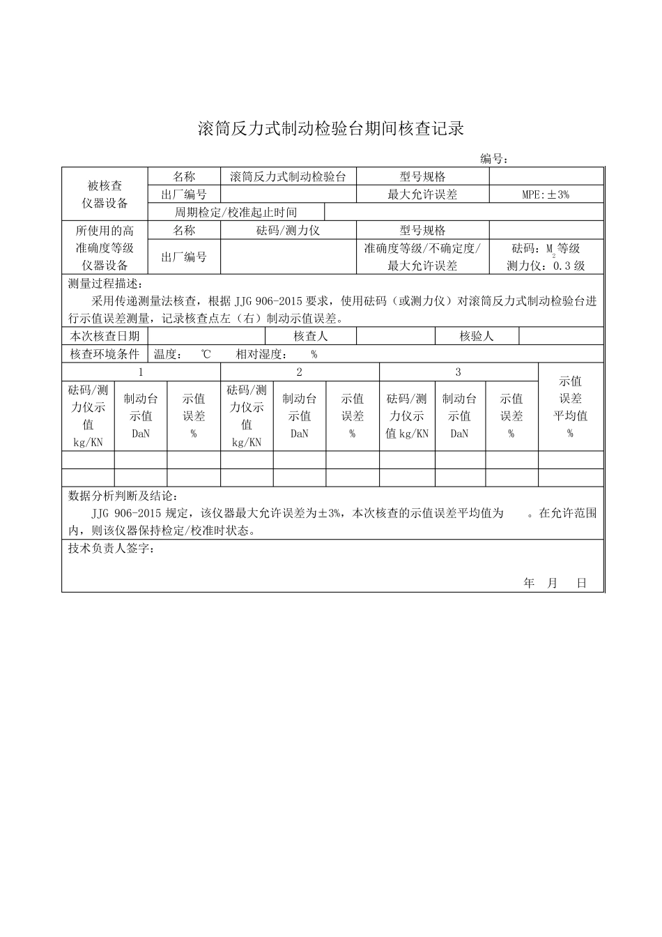
GB/T 37536-2019 机动车检验机构检测设备期间核查规范 (检测设备期间核查表格示例) 车速表检验台期间核查记录 编号: 被核查 仪器设备 名称 车速表检验台 型号规格 出厂编号 最大允许误差 MPE:±3% 周期检定/校准起止时间 所使用的高 准确度等级 仪器设备 名称 转速表 型号规格 出厂编号 准确度等级/不确定度/最大允许误差 0.1 级 测量过程描述: 采用传递测量法核查,根据 JJG 909-2009 要求,使用转速表对车速表检验台示值 40km/h 点进行测量,记录转速表和车速表检验台示值,计算示值误差。 本次核查日期 核查人 核验人 核查环境条件 温度: ℃ 相对湿度: % 1 2 3 示值 误差 平均值 % 转速 表示值r/min 车速表检验台示值km/h 示值 误差 % 转速 表示值r/min 车速表检验台示值km/h 示值 误差 % 转速 表示值r/min 车速表检验台示值km/h 示值 误差 % 数据分析判断及结论: JJG 909-2009 规定,该仪器最大允许误差为±3%,本次核查的示值误差平均值为 。在允许范围内,则该仪器保持检定/校准时状态。 技术负责人签字: 年 月 日 轴(轮)重仪期间核查记录 编号: 被核查 仪器设备 名称 轴(轮)重仪 型号规格 出厂编号 最大允许误差 MPE:±2% 周期检定/校准起止时间 所使用的高 准确度等级 仪器设备 名称 砝码/测力仪 型号规格 出厂编号 准确度等级/不确定度/最大允许误差 砝码:M22等级 测力仪:0.5 级 测量过程描述: 采用传递测量法核查,根据 JJG 1014-2006 要求,使用砝码(或测力仪)对轴轮重仪进行示值误差测量,记录核查点示值误差。 本次核查日期 核查人 核验人 核查环境条件 温度: ℃ 相对湿度: % 1 2 3 示值 误差 平均值 % 砝码/测力仪示值kg/KN 轴(轮)重仪示值 kg 示值 误差 % 砝码/测力仪示值kg/KN 轴(轮)重仪示值 kg 示值 误差 % 砝码/测力仪示值 kg/KN 轴(轮)重仪示值 kg 示值 误差 % 数据分析判断及结论: JJG 1014-2006 规定,该仪器最大允许误差为±2%,本次核查的示值误差平均值为 。在允许范围内,则该仪器保持检定/校准时状态。 技术负责人签字: 年 月 日 滚筒反力式制动检验台期间核查记录 编号: 被核查 仪器设备 名称 滚筒反力式制动检验台 型号规格 出厂编号 最大允许误差 MPE:±3% 周期检定/校准起止时间 所使用的高 准确度等级 仪器设备 名...

1、当您付费下载文档后,您只拥有了使用权限,并不意味着购买了版权,文档只能用于自身使用,不得用于其他商业用途(如 [转卖]进行直接盈利或[编辑后售卖]进行间接盈利)。
2、本站所有内容均由合作方或网友上传,本站不对文档的完整性、权威性及其观点立场正确性做任何保证或承诺!文档内容仅供研究参考,付费前请自行鉴别。
3、如文档内容存在违规,或者侵犯商业秘密、侵犯著作权等,请点击“违规举报”。

碎片内容

机动车检验机构检测设备期间核查规范期间核查表格示范

您可能关注的文档

确认删除?
VIP
微信客服
  • 扫码咨询
会员Q群
  • 会员专属群点击这里加入QQ群
客服邮箱
回到顶部