电脑桌面
添加小米粒文库到电脑桌面
安装后可以在桌面快捷访问

机械制图图样画法图线

机械制图图样画法图线_第1页
1/6
机械制图图样画法图线_第2页
2/6
机械制图图样画法图线_第3页
3/6
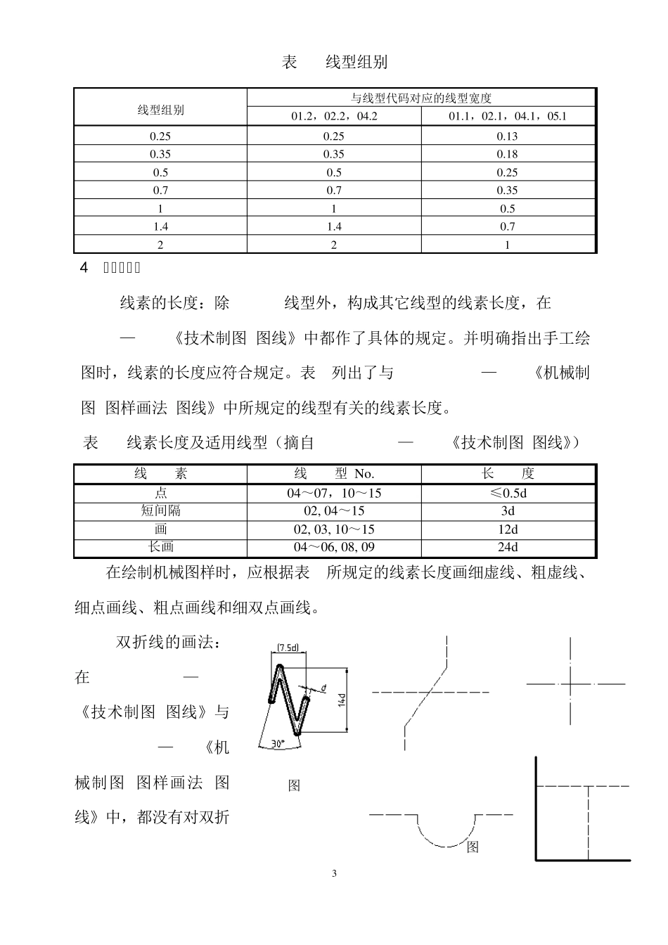
1 GB/T4457.4-2002 机械制图 图样画法 图线 1 线型及应用(表1) 表1 线型及应用 代码No. 线 型 一 般 应 用 01.1 细实线 .1 过渡线 .2 尺寸线 .3 尺寸界线 .4 指引线和基准线 .5 剖面线 .6 重合断面的轮廓线 .7 短中心线 .8 螺纹牙底线 .9 尺寸线的起止线 .10 表示平面的对角线 .11 零件成形前的弯折线 .12 范围线及分界线 .13 重复要素表示线,例如:齿轮的齿根线 .14 锥形结构的基面位置线 .15 叠片结构的位置线,例如:变压器叠钢片 .16 辅助线 .17 不连续同一表面连线 .18 成规律分布的相同要素连线 .19 投射线 .20 网格线 波浪线 .21 断裂处边界线;剖与不剖部分的分界线 双折线 .22 断裂处边界线;剖与不剖部分的分界线 01.2 粗实线 .1 可见棱边线 .2 可见轮廓线 .3 相贯线 .4 螺纹牙顶线 .5 螺纹长度终止线 .6 齿顶圆(线) .7 表格图、流程图中的主要表示线 .8 系统结构线(金属结构工程) .9 模样分型线 .10 剖切符号用线 02.1 细虚线 .1 不可见棱边线 .2 不可见轮廓线 02.2 粗虚线 .1 允许表面处理的表示线 2 表1(续) 代码No. 线 型 一 般 应 用 04.1 细点画线 .1 轴线 .2 对称中心线 .3 分度圆(线) .4 孔系分布的中心线 .5 剖切线 04.2 粗点画线 .1 限定范围表示线 05.1 细双点画线 .1 相邻辅助零件的轮廓线 .2 可动零件的极限位置的轮廓线 .3 重心线 .4 成型前轮廓线 .5 剖切面前的结构轮廓线 .6 轨迹线 .7 毛坯图中制成品的轮廓线 .8 特定区域线 .9 延伸公差带表示线 .10 工艺用结构的轮廓线 .11 中断线 2 新旧《图线》标准的主要区别 2.1 机械制图用线型由8种增至9种,新增了粗虚线。 2.2 粗细线线宽比改为2∶1。 2.3 过渡线由粗实线改为细实线表示。 2.4 剖切符号的线型为粗实线(原为粗实线的1~1.5倍)。 2.5 明确规定了模样分型线用粗实线表示。 2.6 轨迹线由细点化画线改为细双点画线。 2.7 双折线原标准仅作断裂处的边界线使用,在新标准中还可以当作视图与剖视图的分界线。 3 图线宽度的选用 在选择图线宽度和组别时,应根据图样的类型、尺寸大小、比例和缩微复制的要求确定。应优先采用0.5和 0.7两种线型组别,见表2。 3 表2 线型组别 4 图线的画法 4.1 线素的长度:除No.01线型外,构成其它线型的线素长度,在GB/T 17450—1998《技...

1、当您付费下载文档后,您只拥有了使用权限,并不意味着购买了版权,文档只能用于自身使用,不得用于其他商业用途(如 [转卖]进行直接盈利或[编辑后售卖]进行间接盈利)。
2、本站所有内容均由合作方或网友上传,本站不对文档的完整性、权威性及其观点立场正确性做任何保证或承诺!文档内容仅供研究参考,付费前请自行鉴别。
3、如文档内容存在违规,或者侵犯商业秘密、侵犯著作权等,请点击“违规举报”。

碎片内容

机械制图图样画法图线

您可能关注的文档

小辰9+ 关注
实名认证
内容提供者

出售各种资料和文档

相关文档

确认删除?
VIP
微信客服
  • 扫码咨询
会员Q群
  • 会员专属群点击这里加入QQ群
客服邮箱
回到顶部