电脑桌面
添加小米粒文库到电脑桌面
安装后可以在桌面快捷访问

机械制造技术习题

机械制造技术习题_第1页
1/19
机械制造技术习题_第2页
2/19
机械制造技术习题_第3页
3/19
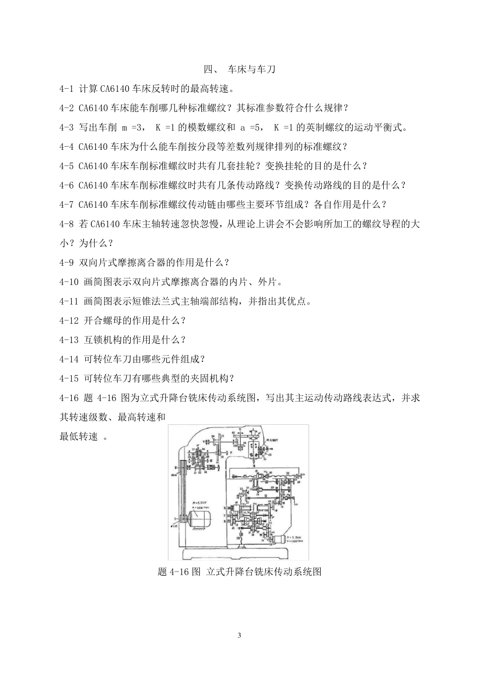
1 机械制造技术习题 一、 金属切削基础 1-1 试说明外圆车削、端面车削、刨削、铣削的切削运动及工件上的各表面是什么。 1-2 车刀切削部分有哪些面和刃组成? 1-3 试以横车(切断)为例说明车刀工作角度与标注角度的关系。 1-4 端面车削时,刀尖高(或低)于工件中心时工作角度(前、后角)有何变化? 1-5 切削层参数指的是什么?与背吃刀量和进结量有何关系? 1-6 刀具切削部分材料应具备哪些基本性能。为什么? 1-7 刀具材料有哪几种?常用牌号有哪些?性能如何?常用于何种刀具?如何选用? 1-8 新型硬质合金有哪些品种?说明其切削性能得以改善的原因。 1-9 说明涂层硬质合金、涂层高速钢刀具的品种、特点及应用范围。 1-10 从化学成分、物理机械性能和应用范围,说明陶瓷、立方氮化硼、金刚石刀具材料的特点。 1-11 简述刀具材料的发展历史并分析未来刀具材料的发展趋势。 1-12 刀具材料与被加工材料应如何匹配?怎样根据工件材料的性质和切削条件正确选择刀具? 1-13 超硬高速钢有哪些品种?我 国 根据资 源 条件研 制了 哪些牌号的超硬高速钢?各有何特色 ? 1-14 试列 举 普 通 高速钢的品种与牌号,并说明它 们 的性能特点。 1-15 试列 举 常用硬质合金的品种和牌号,并说明它 们 的性能特点和应用范围? 二 、 金属切削的基本规 律 及其应用 2-1 画 简图 说明切屑 形 成过 程 。 2-2 如何表示 切屑 变形 程 度? 2-3 积 屑 瘤 是如何产 生 的?积 屑 瘤 对 切削过 程 有何影 响 ? 2-4 影 响 切屑 变形 有哪些因素 ?各因素 如何影 响 切屑 变形 ? 2-5 切屑 形 状 分几种?各在 什么条件下 产 生 ? 2-6 切削力 是如何产 生 的? 2 2-7 三个切削分力是如何定义的?各分力对加工有何影响? 2-8 影响切削力的因素有哪些?各因素对切削力影响规律如何? 2-9 如何根据实验数据确定切削力经验公式中的系数和指数? 2-10 切削热有哪些来源?切削热如何传出? 2-11 影响切削温度因素有哪些?如何影响? 2-12 刀具磨损有哪些形式?如何进行度量? 2-13 刀具磨损讨程有几个阶段?为何出现这种规律? 2-14 刀具磨钝的标准是如何制定的? 2-15 切削用量三要素对刀具使用寿命影响程度有何不同?试分析其原因。 2-16 造成刀具磨损的原因主要有哪些? 2-17 刀具破损主要形式有哪些?高速钢和硬质合金刀具的破损形式有何不同?为什么? 2-18 工件材...

1、当您付费下载文档后,您只拥有了使用权限,并不意味着购买了版权,文档只能用于自身使用,不得用于其他商业用途(如 [转卖]进行直接盈利或[编辑后售卖]进行间接盈利)。
2、本站所有内容均由合作方或网友上传,本站不对文档的完整性、权威性及其观点立场正确性做任何保证或承诺!文档内容仅供研究参考,付费前请自行鉴别。
3、如文档内容存在违规,或者侵犯商业秘密、侵犯著作权等,请点击“违规举报”。

碎片内容

机械制造技术习题

确认删除?
VIP
微信客服
  • 扫码咨询
会员Q群
  • 会员专属群点击这里加入QQ群
客服邮箱
回到顶部