电脑桌面
添加小米粒文库到电脑桌面
安装后可以在桌面快捷访问

机械制造技术基础复习题及详细答案

机械制造技术基础复习题及详细答案_第1页
1/12
机械制造技术基础复习题及详细答案_第2页
2/12
机械制造技术基础复习题及详细答案_第3页
3/12
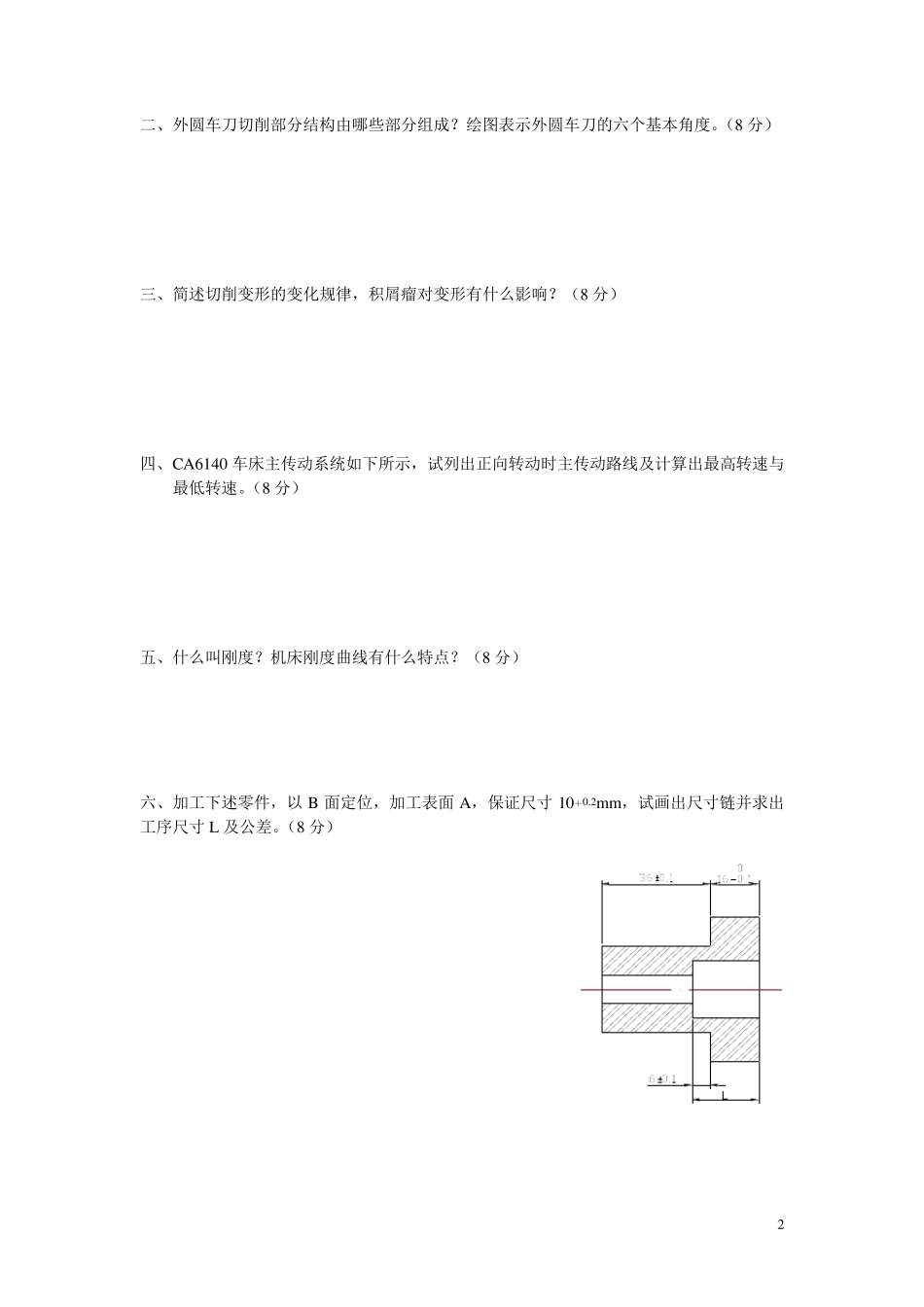
1 机械制造技术基础(试题1 ) 班级 姓名 学号 成绩 一、填空选择题(30 分) 1.刀具后角是指 。 2.衡量切削变形的方法有 两种,当切削速度提高时,切削变形(增加、减少)。 3.精车铸铁时应选用(YG3、YT10、YG8);粗车钢时,应选用(YT5、YG6、YT30)。 4.当进给量增加时,切削力(增加、减少),切削温度(增加、减少)。 5.粗磨时,应选择(软、硬)砂轮,精磨时应选择(紧密、疏松)组织砂轮。 6.合理的刀具耐用度包括 与 两种。 7.转位车刀的切削性能比焊接车刀(好,差),粗加工孔时,应选择(拉刀、麻花钻)刀具。 8.机床型号由 与 按一定规律排列组成,其中符号C 代表(车床、钻床)。 9.滚斜齿与滚直齿的区别在于多了一条(范成运动、附加运动)传动链。滚齿时,刀具与工件之间的相对运动称(成形运动、辅助运动)。 10.进行精加工时,应选择(水溶液,切削油),为改善切削加工性,对高碳钢材料应进行(退火,淬火)处理。 11.定位基准与工序基准不一致引起的定位误差称(基准不重合、基准位置)误差,工件以平面定位时,可以不考虑(基准不重合、基准位置)误差。 12.机床制造误差是属于(系统、随机)误差,一般工艺能力系数 Cp应不低于(二级、三级)。 13.在常用三种夹紧机构中,增力特性最好的是 机构,动作最快的是 机构。 14.一个浮动支承可以消除(0、1、2)个自由度,一个长的 v型块可消除(3,4,5)个自由度。 15.工艺过程是指 。 2 二、外圆车刀切削部分结构由哪些部分组成?绘图表示外圆车刀的六个基本角度。(8 分) 三、简述切削变形的变化规律,积屑瘤对变形有什么影响?(8 分) 四、CA6140 车床主传动系统如下所示,试列出正向转动时主传动路线及计算出最高转速与最低转速。(8 分) 五、什么叫刚度?机床刚度曲线有什么特点?(8 分) 六、加工下述零件,以 B 面定位,加工表面 A,保证尺寸 10+0.2m m ,试画出尺寸链并求出工序尺寸 L 及公差。(8 分) 3 七、在一圆环形工件上铣键槽,用心轴定位,要求保证尺寸34.8-0.16m m ,试计算定位误差并分析这种定位是否可行。(8 分) ° 八、试制定图示零件(单件小批生产)的工艺路线。(12 分) °九、在六角自动车床上加工一批 1803.008.0m m 滚子,用抽样检验并计算得到全部工件的平均尺寸为 Φ 17.979m m ,均方根偏差为 0.04m m ,求尺寸分散范围与废品率。 ...

1、当您付费下载文档后,您只拥有了使用权限,并不意味着购买了版权,文档只能用于自身使用,不得用于其他商业用途(如 [转卖]进行直接盈利或[编辑后售卖]进行间接盈利)。
2、本站所有内容均由合作方或网友上传,本站不对文档的完整性、权威性及其观点立场正确性做任何保证或承诺!文档内容仅供研究参考,付费前请自行鉴别。
3、如文档内容存在违规,或者侵犯商业秘密、侵犯著作权等,请点击“违规举报”。

碎片内容

机械制造技术基础复习题及详细答案

确认删除?
VIP
微信客服
  • 扫码咨询
会员Q群
  • 会员专属群点击这里加入QQ群
客服邮箱
回到顶部