电脑桌面
添加小米粒文库到电脑桌面
安装后可以在桌面快捷访问

材料变更申请单

材料变更申请单_第1页
1/27
材料变更申请单_第2页
2/27
材料变更申请单_第3页
3/27
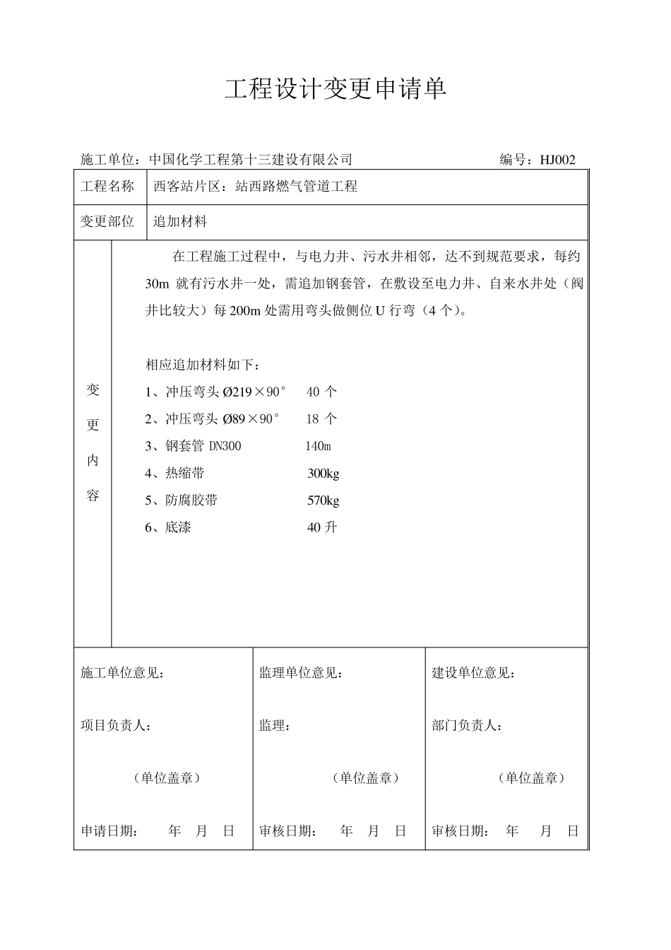
工程设计变更申请单 施工单位:中国化学工程第十三建设有限公司 编号:HJ001 工程名称 西客站片区:站东路燃气管道工程 变更部位 追加材料 变 更 内 容 1、在工程施工过程中,主管线防腐层很多地方被破坏,需做补伤处理。 2、在支管施工过程中为躲避交叉管道弯头用量很大, 主要突出在横穿及路口施工段。 特追加材料如下: 1、冲压弯头Ø 219×90° 20 个 2、冲压弯头Ø 159×90° 12 个 3、冲压弯头Ø 108×90° 80 个 4、热缩带 400kg 5、防腐胶带 200kg 6、底漆 20 升 施工单位意见: 项目负责人: (单位盖章) 申请日期: 年 月 日 监理单位意见: 监理: (单位盖章) 审核日期: 年 月 日 建设单位意见: 部门负责人: (单位盖章) 审核日期: 年 月 日 工程设计变更申请单 施工单位:中国化学工程第十三建设有限公司 编号:HJ002 工程名称 西客站片区:站西路燃气管道工程 变更部位 追加材料 变 更 内 容 在工程施工过程中,与电力井、污水井相邻,达不到规范要求,每约30m 就有污水井一处,需追加钢套管,在敷设至电力井、自来水井处(阀井比较大)每200m 处需用弯头做侧位U 行弯(4 个)。 相应追加材料如下: 1、冲压弯头Ø219×90° 40 个 2、冲压弯头Ø89×90° 18 个 3、钢套管DN300 140m 4、热缩带 300kg 5、防腐胶带 570kg 6、底漆 40 升 施工单位意见: 项目负责人: (单位盖章) 申请日期: 年 月 日 监理单位意见: 监理: (单位盖章) 审核日期: 年 月 日 建设单位意见: 部门负责人: (单位盖章) 审核日期: 年 月 日 工程设计变更申请单 施工单位:中国化学工程第十三建设有限公司 编号:HJ003 工程名称 张庄路运行燃气管线改造工程 变更部位 材料申请 变 更 内 容 在道路施工过程中,由于原带气管线与之电力沟发生冲突,新建管线不能完全完成,经指挥部及济华公司部门领导协商后,对运行管线进行改造。其提供的桩号是K2+190 和K2+090 处。 相应材料如下: 1、3pe 无缝钢管Ø 159×5.0 65m 2、钢套管DN250 16m 3、冲压弯头Ø 159×90° 16 个 4、热缩带(弯头防腐用) 60kg 5、防腐胶带(套管用) 65kg 6、底漆 10L 7、燃气警示带 100m 施工单位意见: 项目负责人: (单位盖章) 申请日期: 年 月 日 监理单位意见: 监理: (单位盖章) 审核日期: 年...

1、当您付费下载文档后,您只拥有了使用权限,并不意味着购买了版权,文档只能用于自身使用,不得用于其他商业用途(如 [转卖]进行直接盈利或[编辑后售卖]进行间接盈利)。
2、本站所有内容均由合作方或网友上传,本站不对文档的完整性、权威性及其观点立场正确性做任何保证或承诺!文档内容仅供研究参考,付费前请自行鉴别。
3、如文档内容存在违规,或者侵犯商业秘密、侵犯著作权等,请点击“违规举报”。

碎片内容

材料变更申请单

您可能关注的文档

确认删除?
VIP
微信客服
  • 扫码咨询
会员Q群
  • 会员专属群点击这里加入QQ群
客服邮箱
回到顶部