电脑桌面
添加小米粒文库到电脑桌面
安装后可以在桌面快捷访问

材料性能非金属补偿器

材料性能非金属补偿器_第1页
1/7
材料性能非金属补偿器_第2页
2/7
材料性能非金属补偿器_第3页
3/7
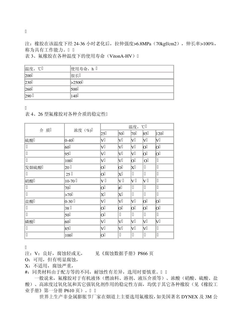
[非金属补偿器]非金属补偿器技术规范文本 相关内容:非金属补偿器介绍 浏览次数: 2582 更新时间:2009-4-8 1、非金属补偿器产品性能说明 a. 产品特点:非金属膨胀节又称为非金属补偿器,其特点是:可多维补偿且补偿量大;无反推力可简化设计;具有较强的隔绝震动、吸声降噪能力;耐高温、耐腐蚀、密封性能优越;结构合理重量轻,易安装维修等。 b. 质保体系:我公司产品设计、生产全过程按 ISO9001 质量管理体系及企标标准,严格控制产品质量。 c. 产品组成:非金属膨胀节通常包括非金属伸缩节(胶布)、金属结构件(导流筒、压板等金属件)、防尘层、隔热层三大部分(参见产品样本),作为非标件根据其具体使用要求设计制造。 d. 补偿能力:非金属膨胀节补偿能力主要由其结构决定,膨胀节结构中各部件相关间距我们根据补偿量要求具体设计,使膨胀节在所有工作状态下,各部件均不产生相互约束,同时我们保证作为非金属伸缩节的胶布具备足够的尺寸满足伸缩、偏移的需要。我公司产品补偿量设计范围是:轴向-180—+200m m ,径向±80m m 。 e. 非金属伸缩节:它是非金属膨胀节的重要挠性元件,膨胀节的补偿、隔绝振动及密封等作用主要由它提供,其质量好坏直接影响膨胀节寿命。非金属伸缩节根据使用要求,选用合适的基材、恰当的骨架材料,设计先进的胶料配方、合理的胶布结构,以科学的工艺生产制造。胶布具有足够的物理机械性能(强度、变形及气密性)以满足压力及运动的需要,同时具备优异的耐介质腐蚀、耐高温、耐老化、耐候等性能以满足介质、温度及寿命的要求。 f. 导流筒:金属结构中的导流筒材质、厚度及层数我们根据其作用和使用的工况,做合理设计,导流筒的合理设置可以较好的保护膨胀节内部构成免受介质的侵害;同时导流筒在结构中采取恰当的位置,保证膨胀节有足够的补偿量。 g. 隔热层:高温非金属膨胀节的隔热层对补偿器性能有较大影响,该部分主要组成及结构根据介质的温度、成分等参数进行设计,通常其有防尘,隔热作用,需要防腐时加设防腐层,该层的存在进一步保护了非金属伸缩节,我公司产品使用时,外表温度一般控制在50℃以下,减少了对环境温度的影响,并有利于外层非金属伸缩节 的长期使用。 h. 连接方式:产品与其他设备连接可采用两种方式:焊接或法兰连接,法兰连接时提供反法兰及连接螺栓等配件。 i. 寿命:可保证产品正常使用条件下,寿命不低于六年。 j. 其它:非金属膨胀节最高使用温...

1、当您付费下载文档后,您只拥有了使用权限,并不意味着购买了版权,文档只能用于自身使用,不得用于其他商业用途(如 [转卖]进行直接盈利或[编辑后售卖]进行间接盈利)。
2、本站所有内容均由合作方或网友上传,本站不对文档的完整性、权威性及其观点立场正确性做任何保证或承诺!文档内容仅供研究参考,付费前请自行鉴别。
3、如文档内容存在违规,或者侵犯商业秘密、侵犯著作权等,请点击“违规举报”。

碎片内容

材料性能非金属补偿器

您可能关注的文档

确认删除?
VIP
微信客服
  • 扫码咨询
会员Q群
  • 会员专属群点击这里加入QQ群
客服邮箱
回到顶部