电脑桌面
添加小米粒文库到电脑桌面
安装后可以在桌面快捷访问

材料进场确认单1

材料进场确认单1_第1页
1/10
材料进场确认单1_第2页
2/10
材料进场确认单1_第3页
3/10
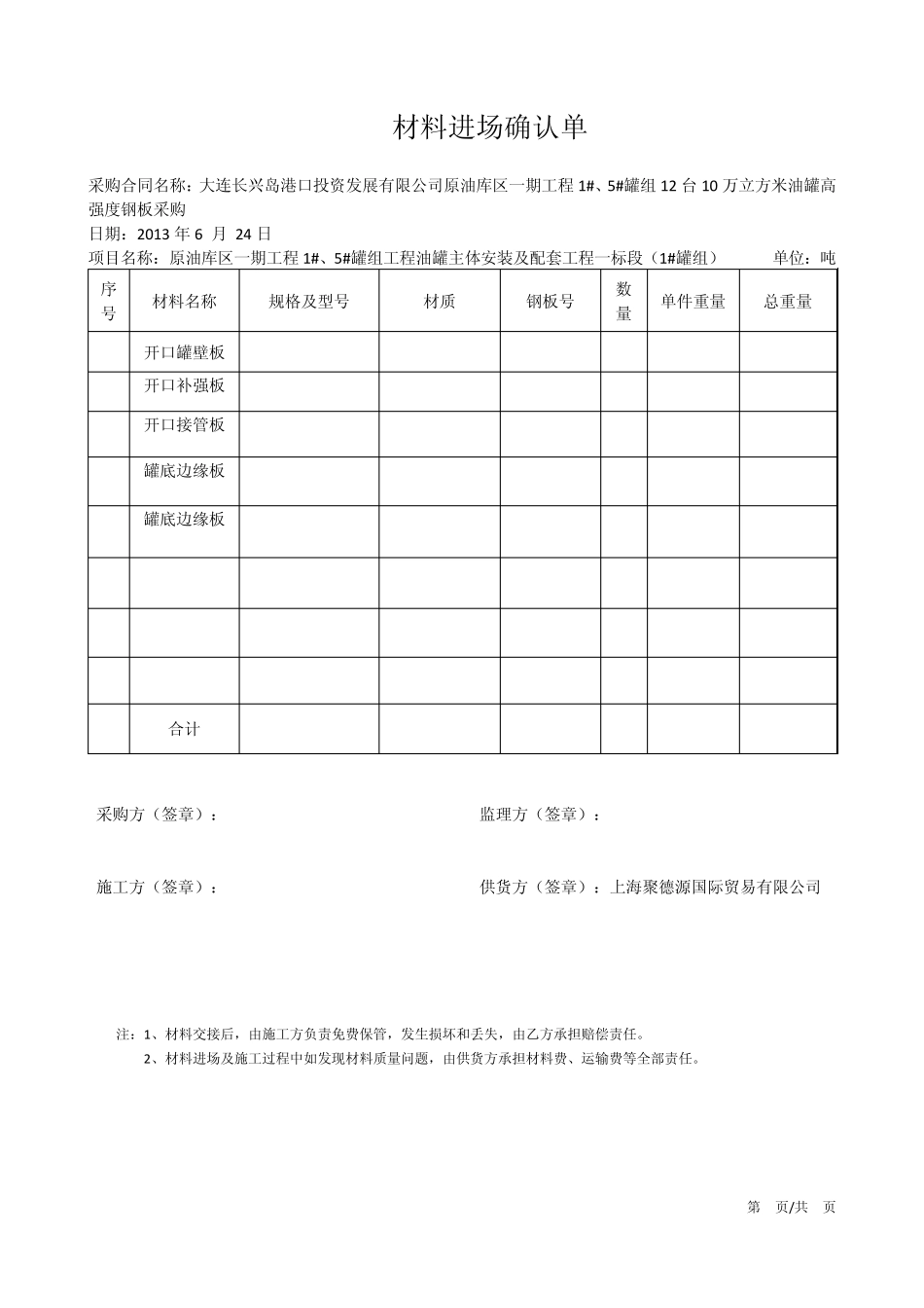
第 页/共 页 材料进场确认单 采购合同名称:大连长兴岛港口投资发展有限公司原油库区一期工程1#、5#罐组 12 台 10 万立方米油罐高强度钢板采购 日期:2013 年 6 月 17 日 项目名称:原油库区一期工程1#、5#罐组工程油罐主体安装及配套工程一标段(1#罐组) 单位:吨 序号 材料名称 规格及型号 材质 钢板号 数量 单件重量 总重量 1 开口罐壁板 33*2450*12900 08MnNiVR-SR J3K0002457 6 8.187 49.122 2 开口补强板 33*2450*12900 08MnNiVR-SR J3K0002458 2 8.187 16.374 3 开口接管板 19*2450*12600 8MnNiVR-SR J3K0002459 3 4.605 13.815 4 罐底边缘板 20*1930*7660 08MnNiVR J3K0002460 144 2.321 334.224 5 罐底边缘板 20*1930*7960 08MnNiVR J3K0002461 5 2.412 12.06 合计 160 425.595 采购方(签章): 监理方(签章): 施工方(签章): 供货方(签章):上海聚德源国际贸易有限公司 注:1、材料交接后,由施工方负责免费保管,发生损坏和丢失,由乙方承担赔偿责任。 2、材料进场及施工过程中如发现材料质量问题,由供货方承担材料费、运输费等全部责任。 第 页/共 页 材料进场确认单 采购合同名称:大连长兴岛港口投资发展有限公司原油库区一期工程1#、5#罐组 12 台 10 万立方米油罐高强度钢板采购 日期:2013 年 6 月 17 日 项目名称:原油库区一期工程1#、5#罐组工程油罐主体安装及配套工程二标段(5#罐组) 单位:吨 序号 材料名称 规格及型号 材质 钢板号 数量 单件重量 总重量 1 开口罐壁板 32*2450*12900 08MnNiVR-SR J3K0002462 6 7.939 47.634 2 开口补强板 32*2450*12900 08MnNiVR-SR J3K0002463 4 7.939 31.756 3 开口接管板 19*2450*12600 8MnNiVR-SR J3K0002464 2 4.605 9.21 4 罐底边缘板 20*1930*7660 08MnNiVR J3K0002465 151 2.321 350.471 合计 163 439.071 采购方(签章): 监理方(签章): 施工方(签章): 供货方(签章):上海聚德源国际贸易有限公司 注:1、材料交接后,由施工方负责免费保管,发生损坏和丢失,由乙方承担赔偿责任。 2、材料进场及施工过程中如发现材料质量问题,由供货方承担材料费、运输费等全部责任。 第 页/共 页 材料进场确认单 采购合同名称:大连长兴岛港口投资发展有限公司原油库区一期工程1#、5#罐组 12 台 10 万立方米油罐高强...

1、当您付费下载文档后,您只拥有了使用权限,并不意味着购买了版权,文档只能用于自身使用,不得用于其他商业用途(如 [转卖]进行直接盈利或[编辑后售卖]进行间接盈利)。
2、本站所有内容均由合作方或网友上传,本站不对文档的完整性、权威性及其观点立场正确性做任何保证或承诺!文档内容仅供研究参考,付费前请自行鉴别。
3、如文档内容存在违规,或者侵犯商业秘密、侵犯著作权等,请点击“违规举报”。

碎片内容

材料进场确认单1

确认删除?
VIP
微信客服
  • 扫码咨询
会员Q群
  • 会员专属群点击这里加入QQ群
客服邮箱
回到顶部