电脑桌面
添加小米粒文库到电脑桌面
安装后可以在桌面快捷访问

科室标准化检查及考核办法个

科室标准化检查及考核办法个_第1页
1/19
科室标准化检查及考核办法个_第2页
2/19
科室标准化检查及考核办法个_第3页
3/19
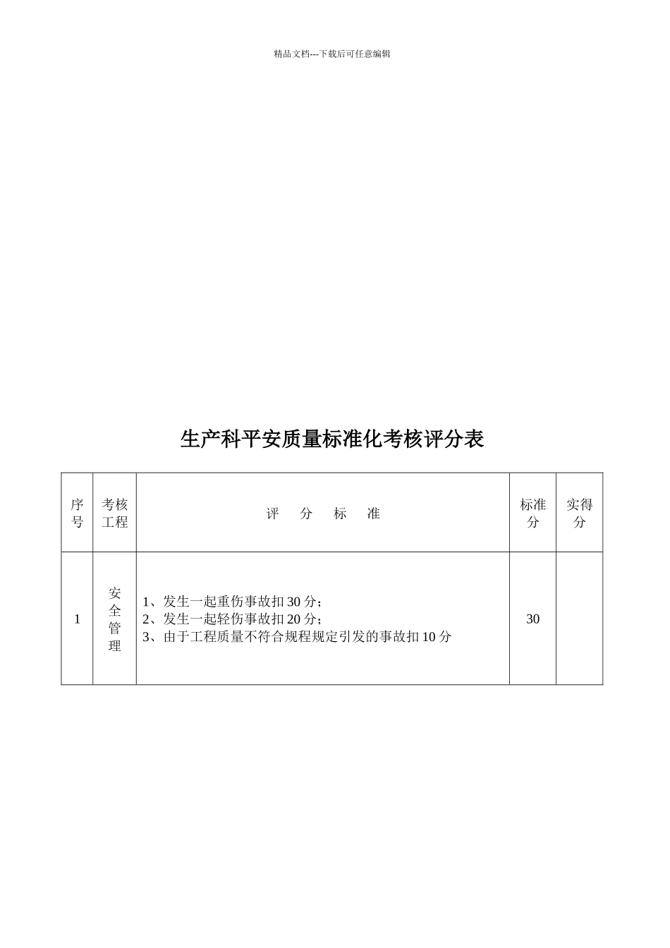
精品文档---下载后可任意编辑科室标准化检查及考核方法平安质量标准化是煤炭行业多年来在工作实践上不断创新、逐步完善的一条行之有效的质量管理体系和方法,为提升我矿平安管理水平,促进我矿平安生产的稳定开展,建立自我约束,持续改良的平安长效机制,结合煤矿平安质量标准化标准和我矿实际情况,现对科室平安质量标准化管理工作的检查及考核作以下规定:一、检查内容1、标准化办公室应根据当月有无重、轻伤事故,以及专业密切相关的责任事故,依据考核评分表进行严格考核。2、认真贯彻执行分管专业技术的上级指导精神及标准规定,做到上面有更新,下面有改良,紧随各种指导精神和新技术标准的步伐。3、加强根底业务管理,对全矿技术业务负专业技术管理责任,对本专业的各项技术业务制定出详细的技术标准。4、积极推广先进管理、设备、工艺,并认真付诸于实际工作,逐步实现管理和设备现代化。5、超前方案,及时编审各专业的作业规程、操作规程和施工技术措施,做到作业、操作以及施工都有据可依。6、科内要分工明确,配合协调,形成浓厚的团队合作气氛。7、标准化根底管理始终能够如一,并进一步完善和稳固,使根底性工作能够稳步推动,并且始终保持。精品文档---下载后可任意编辑二、明确职责1、各科室要理清自己在标准化工作中的职责,明确责任,认真安排好本专业的工作。2、各科室要在年初、月初制定出详细的年方案、月方案,制定本科的工作任务,并按方案认真执行。3、各科室要严格根据质量标准化标准,完善并保持好本专业范围内各项工作。4、科室的各种图纸、报表以及对各连队的考核要及时准确填写上报。三、考核方法1、根据各科室专业性、根底性工作完成情况进行逐项评分考核。2、对各科室存在的各种问题及时反应,并要求其尽快进行整改,要举一反三,同样的问题不得在以后的工作中重复出现。3、标准化考核按当月各科室总工资的 20%进行百分制考核。4、月底标准化办公室将考核结果报生产核算组,核算组负责考核结果。精品文档---下载后可任意编辑生产科平安质量标准化考核评分表序号考核工程评 分 标 准标准分实得分1安全管理1、发生一起重伤事故扣 30 分;2、发生一起轻伤事故扣 20 分;3、由于工程质量不符合规程规定引发的事故扣 10 分30精品文档---下载后可任意编辑2基础管理1、各种材料、记录、台账收集整理齐全并归档保存,不符合规定扣 1—5 分;采掘类:1)采区工作面资料;2)产量报表;3)采煤工作面过渡支架资料;4...

1、当您付费下载文档后,您只拥有了使用权限,并不意味着购买了版权,文档只能用于自身使用,不得用于其他商业用途(如 [转卖]进行直接盈利或[编辑后售卖]进行间接盈利)。
2、本站所有内容均由合作方或网友上传,本站不对文档的完整性、权威性及其观点立场正确性做任何保证或承诺!文档内容仅供研究参考,付费前请自行鉴别。
3、如文档内容存在违规,或者侵犯商业秘密、侵犯著作权等,请点击“违规举报”。

碎片内容

科室标准化检查及考核办法个

确认删除?
VIP
微信客服
  • 扫码咨询
会员Q群
  • 会员专属群点击这里加入QQ群
客服邮箱
回到顶部