电脑桌面
添加小米粒文库到电脑桌面
安装后可以在桌面快捷访问

杠杆二工艺过程卡与工序卡

杠杆二工艺过程卡与工序卡_第1页
1/9
杠杆二工艺过程卡与工序卡_第2页
2/9
杠杆二工艺过程卡与工序卡_第3页
3/9
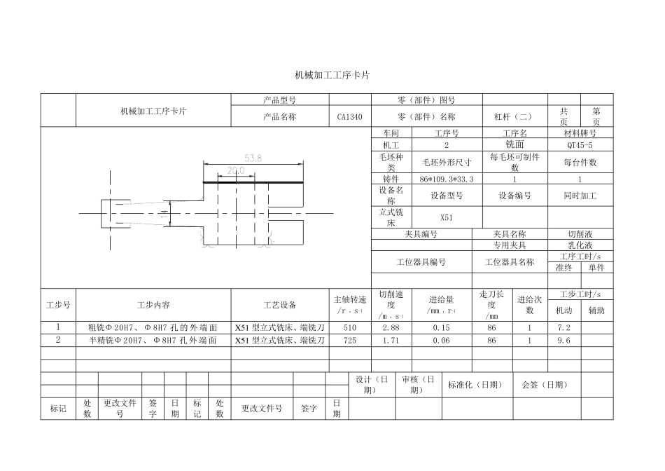
机械加工工艺过程卡片 机械加工工艺过程卡片 产品型号 零(部件)图号 产品名称 CA1340车床 零(部件)名称 杠杆(二) 共 页 第 1 页 材料牌号 QT45-5 毛坯种类 铸件 毛坯外形尺寸 86*109.3*33.3 每毛坯可制件数 1 每台件数 1 备注 工序号 工序名称 工序内容 车间 工段 设备 工艺设备 工时/s 准终 单件 0 铸造 铸造箱盖毛坯 铸工 0 热处理 热处理铸件,消除铸件内应力 铸工 1 铣面 粗铣—半精铣Φ 20H7、 Φ 8H7 孔 (两 个 )的 外端 面 机工 X51 端铣刀、专用夹具 2 铣面 粗铣—半精铣Φ 8H7 孔 之 间的 表 面 机工 X51 端铣刀、专用夹具 3 铣面 粗铣—半精铣Φ 8F9 孔 的 外端 面 机工 X51 端铣刀、专用夹具 4 铣面 粗铣Φ 10 孔 端 面 机工 X51 端铣刀、专用夹具 5 钻孔 钻—粗铰—精铰孔∅20m m 机工 Z525 麻花钻、专用夹具 6 钻孔 钻—粗铰—精铰孔∅8H7 和∅8F9 机工 Z550 麻花钻、专用夹具 7 钻孔 钻孔∅10 机工 Z525 麻花钻、专用夹具 8 钻孔 钻孔—攻丝 机工 Z525 M4 丝锥、专用夹具 9 去毛刺 去毛刺、锐棱,清洗 钳工 钳工台 10 检查 按零件图样要求全面检查 设计(日期) 审核(日期) 标准化(日期) 会签(日期) 标记 处数 更改文件号 签字 日期 标记 处数 更改文件号 签字 日期 机械加工工序卡片 机械加工工序卡片 产品型号 零(部件)图号 产品名称 CA1340 零(部件)名称 杠杆(二) 共 页 第 页 车间 工序号 工序名 材料牌号 机工 1 钻孔 QT45-5 毛坯种类 毛坯外形尺寸 每毛坯可制件数 每台件数 铸件 86*109.3*33.3 1 1 设备名称 设备型号 设备编号 同时加工 立式钻床 Z525 夹具编号 夹具名称 切削液 专用夹具 乳化液 工位器具编号 工位器具名称 工序工时/s 准终 单件 工步号 工步内容 工艺设备 主轴转速/r﹒s-1 切削速度 /m﹒s-1 进给量 /mm﹒r-1 走刀长度 /mm 进给次数 工步工时/s 机动 辅助 1 钻φ18mm 的孔 Z525 立式钻床 272 15.38 0.81 33.3 1 7.36 2 铰φ19.94mm 的孔 Z525 专用铰刀 125 7.83 1.8 33.3 1 9.41 3 精铰φ20mm 的孔 Z525 专用铰刀 185 11.62 0.62 33.3 1 18.48 设计(日期) 审核(日期) 标准化(日期) 会签(日期) 标记 处数 更改文件号 签字 日...

1、当您付费下载文档后,您只拥有了使用权限,并不意味着购买了版权,文档只能用于自身使用,不得用于其他商业用途(如 [转卖]进行直接盈利或[编辑后售卖]进行间接盈利)。
2、本站所有内容均由合作方或网友上传,本站不对文档的完整性、权威性及其观点立场正确性做任何保证或承诺!文档内容仅供研究参考,付费前请自行鉴别。
3、如文档内容存在违规,或者侵犯商业秘密、侵犯著作权等,请点击“违规举报”。

碎片内容

杠杆二工艺过程卡与工序卡

确认删除?
VIP
微信客服
  • 扫码咨询
会员Q群
  • 会员专属群点击这里加入QQ群
客服邮箱
回到顶部