电脑桌面
添加小米粒文库到电脑桌面
安装后可以在桌面快捷访问

板模板扣件式钢管支撑架计算书

板模板扣件式钢管支撑架计算书_第1页
1/12
板模板扣件式钢管支撑架计算书_第2页
2/12
板模板扣件式钢管支撑架计算书_第3页
3/12
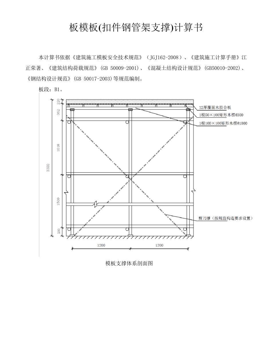
板模板(扣件钢管架支撑)计算书 本计算书依据《建筑施工模板安全技术规范》(JGJ162-2008)、《建筑施工计算手册》江正荣著、《建筑结构荷载规范》(GB 50009-2001)、《混凝土结构设计规范》(GB50010-2002)、《钢结构设计规范》(GB 50017-2003)等规范编制。 板段:B1。 模板支撑体系剖面图 钢管排列平面示意图 一、参数信息 1.模板构造及支撑参数 (一) 构造参数 楼层高度H:3.3m;混凝土楼板厚度:220mm; 结构表面要求:隐藏; 立杆纵向间距或跨距la:1m;立杆横向间距或排距lb:1.2m; 立杆步距h:1.5m; (二) 支撑参数 板底采用的支撑钢管类型为:Ф 48×3.5mm; 钢管钢材品种:钢材Q235钢(>16-40);钢管弹性模量E:206000N/mm2; 钢管屈服强度fy:235N/mm2;钢管抗拉/抗压/抗弯强度设计值f:205N/mm2; 钢管抗剪强度设计值fv:120N/mm2;钢管端面承压强度设计值fce:325N/mm2; 2.荷载参数 新浇筑砼自重标准值G2k:24kN/m3;钢筋自重标准值G3k:1.1kN/m3; 板底模板自重标准值G1k:0.3kN/m2; 承受集中荷载的模板单块宽度:1000mm; 施工人员及设备荷载标准值Q1k: 计算模板和直接支承模板的小梁时取2.5kN/m2; 1200120010001000计算直接支承小梁的主梁时取1.5kN/m2; 计算支架立柱等支承结构构件时取1kN/m2; 3.板底模板参数 搭设形式为:2层梁顶托承重; (一) 面板参数 面板采用克隆(平行方向)12mm厚覆面木胶合板;厚度:12mm; 抗弯设计值fm:31N/mm2;弹性模量E:11500N/mm2; (二) 第一层支撑梁参数 材料:1根50×100矩形木楞; 间距:300mm; 木材品种:太平洋海岸黄柏;弹性模量E:10000N/mm2; 抗压强度设计值fc:13N/mm2;抗弯强度设计值fm:15N/mm2; 抗剪强度设计值fv:1.6N/mm2; (三) 第二层支撑梁参数 材料:1根100×100矩形木楞; 木材品种:太平洋海岸黄柏;弹性模量E:10000N/mm2; 抗压强度设计值fc:13N/mm2;抗弯强度设计值fm:15N/mm2; 抗剪强度设计值fv:1.6N/mm2; 4.地基参数 模板支架放置在地面上,地基土类型为:碎石土; 地基承载力标准值:650kPa;立杆基础底面面积:0.25m2; 地基承载力调整系数:0.8。 二、模板面板计算 面板为受弯结构,需要验算其抗弯强度和刚度。根据《模板规范(JGJ162-2008)》第5.2.1条规定,面板按照简支跨计算。这里取面板的计算宽度为1.000m。 面板的截面惯性矩I和截面抵抗矩W分别为: I = 1000×123/12= 1.440×105mm4;...

1、当您付费下载文档后,您只拥有了使用权限,并不意味着购买了版权,文档只能用于自身使用,不得用于其他商业用途(如 [转卖]进行直接盈利或[编辑后售卖]进行间接盈利)。
2、本站所有内容均由合作方或网友上传,本站不对文档的完整性、权威性及其观点立场正确性做任何保证或承诺!文档内容仅供研究参考,付费前请自行鉴别。
3、如文档内容存在违规,或者侵犯商业秘密、侵犯著作权等,请点击“违规举报”。

碎片内容

板模板扣件式钢管支撑架计算书

小辰7+ 关注
实名认证
内容提供者

出售各种资料和文档

确认删除?
VIP
微信客服
  • 扫码咨询
会员Q群
  • 会员专属群点击这里加入QQ群
客服邮箱
回到顶部