电脑桌面
添加小米粒文库到电脑桌面
安装后可以在桌面快捷访问

林肯焊机资料1

林肯焊机资料1_第1页
1/17
林肯焊机资料1_第2页
2/17
林肯焊机资料1_第3页
3/17
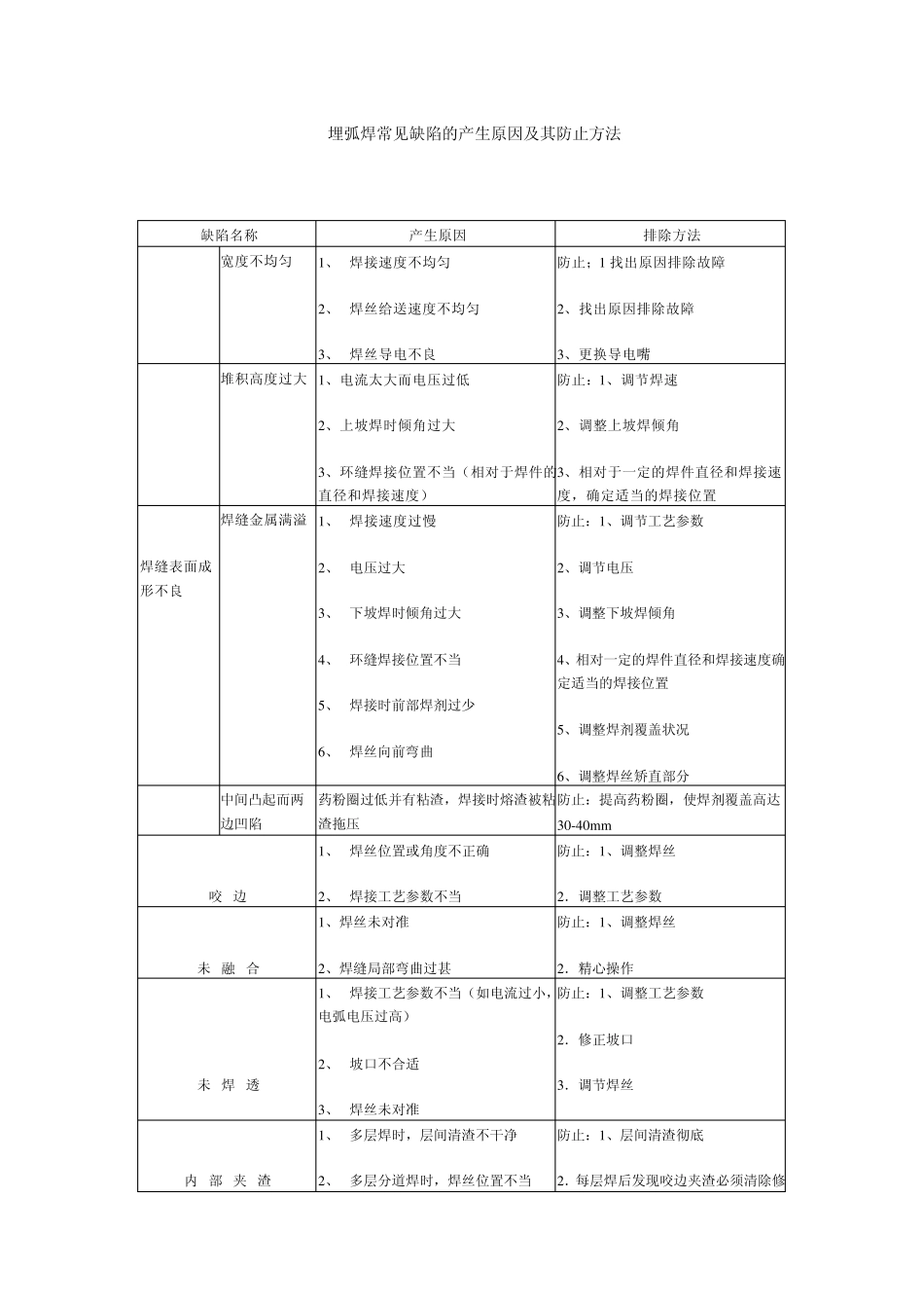
埋弧焊常见缺陷的产生原因及其防止方法 缺陷名称 产生原因 排除方法 宽度不均匀 1、 焊接速度不均匀 2、 焊丝给送速度不均匀 3、 焊丝导电不良 防止;1 找出原因排除故障 2、找出原因排除故障 3、更换导电嘴 堆积高度过大 1、电流太大而电压过低 2、上坡焊时倾角过大 3、环缝焊接位置不当(相对于焊件的直径和焊接速度) 防止:1、调节焊速 2、调整上坡焊倾角 3、相对于一定的焊件直径和焊接速度,确定适当的焊接位置 焊缝表面成形不良 焊缝金属满溢 1、 焊接速度过慢 2、 电压过大 3、 下坡焊时倾角过大 4、 环缝焊接位置不当 5、 焊接时前部焊剂过少 6、 焊丝向前弯曲 防止:1、调节工艺参数 2、调节电压 3、调整下坡焊倾角 4、相对一定的焊件直径和焊接速度确定适当的焊接位置 5、调整焊剂覆盖状况 6、调整焊丝矫直部分 中间凸起而两边凹陷 药粉圈过低并有粘渣,焊接时熔渣被粘渣拖压 防止:提高药粉圈,使焊剂覆盖高达30-40m m 咬 边 1、 焊丝位置或角度不正确 2、 焊接工艺参数不当 防止:1、调整焊丝 2.调整工艺参数 未 融 合 1、焊丝未对准 2、焊缝局部弯曲过甚 防止:1、调整焊丝 2.精心操作 未 焊 透 1、 焊接工艺参数不当(如电流过小,电弧电压过高) 2、 坡口不合适 3、 焊丝未对准 防止:1、调整工艺参数 2.修正坡口 3.调节焊丝 内 部 夹 渣 1、 多层焊时,层间清渣不干净 2、 多层分道焊时,焊丝位置不当 防止:1、层间清渣彻底 2.每层焊后发现咬边夹渣必须清除修 林肯Pow erPlus 系列焊机说明 (2010/07/12 16:45) (引用地址:未提供) 目录: 公司动态 浏览字体:大 中 小 1 Pow erPlus 系列焊机 DIP 开关功能说明 在处理客诉和回访时,发现很多客户对这些功能不太了解,有些客户在不了解的情况下 设置了这些开关,造成了设备使用上的故障。这里对DIP 开关的功能作进一步说明。 一、位置和顺序 复 气 孔 1、 焊剂未清理干净 2、 焊剂潮湿 3、 焊剂中有垃圾 4、 焊剂覆盖层厚度不当或焊剂斗阻塞 5、 焊丝表面清理不够 6、 电压过高 防止:1、接头必须清理干净 2.焊剂按规定烘干 3.焊剂必须过筛、吹灰、烘干 4.调节焊剂覆盖层高度,疏通焊剂斗 5.焊丝必须清理清理后应尽快使用 6.调整电压 裂 纹 1、 焊件焊丝焊剂等材料配合不当 2、 焊丝中含碳、硫量较高 3、 焊接区冷却速度过快...

1、当您付费下载文档后,您只拥有了使用权限,并不意味着购买了版权,文档只能用于自身使用,不得用于其他商业用途(如 [转卖]进行直接盈利或[编辑后售卖]进行间接盈利)。
2、本站所有内容均由合作方或网友上传,本站不对文档的完整性、权威性及其观点立场正确性做任何保证或承诺!文档内容仅供研究参考,付费前请自行鉴别。
3、如文档内容存在违规,或者侵犯商业秘密、侵犯著作权等,请点击“违规举报”。

碎片内容

林肯焊机资料1

确认删除?
VIP
微信客服
  • 扫码咨询
会员Q群
  • 会员专属群点击这里加入QQ群
客服邮箱
回到顶部