电脑桌面
添加小米粒文库到电脑桌面
安装后可以在桌面快捷访问

架桥机安装梁施工技术方案

架桥机安装梁施工技术方案_第1页
1/10
架桥机安装梁施工技术方案_第2页
2/10
架桥机安装梁施工技术方案_第3页
3/10
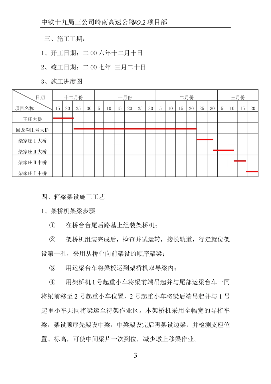
中铁十九局三公司岭南高速公路NO.2 项目部 1 梁板安装施工技术方案 一、 工程概况: 分水岭至南阳高速公路第二合同段,起止里程为K3+950——LK7+035(RK6+965)。本合同段内有大桥四座,中桥二座。分别为:K4+697 回龙沟Ⅲ号大桥、K5+695 王庄大桥、LK6+786 柴家庄Ⅰ号大桥、LK6+961 柴家庄Ⅱ号大桥、LK6+780 柴家庄Ⅰ号中桥、LK6+948柴家庄Ⅱ号中桥。本合同段内大桥均为装配式预应力混凝土连续箱梁,共有30m 后张法预应力箱梁108 片和25m 后张法预应力箱梁68片,13 米预应力混凝土空心板13 片。二座中桥共有20 米预应力空心板26 片。箱梁及20 米空心板梁采用150T 架桥机架设安装,运梁采用平板车运输;13 米空心板采用25T 吊车吊梁架设。 二、施工准备: 1、本合同段所有箱梁集中统一预制,预制厂设在K5+100~K5+500路基上,占地26×400 平方米,预制梁150 米,存梁场 250 米;空心板梁在二十五标预制。在箱梁吊装前将吊装场地填筑平整、碾压密实,运输便道修筑符合运梁要求,架桥机衔轨道由道渣、枕木找平,并设置限位器。测量人员检查盖梁、支座(包括临时支座)的位置、尺 寸及标高,是 否 符合图 纸 设计 及规 范 要求,并用墨 线 弹 出 箱梁安放 位置(梁断 线 及中线 ),自 检合格 后报 请 监 理 工程师 ,经 监 理 工程师 检验合格 后方可 进 行 运输及吊装。箱梁从 梁场由龙门 吊吊装、运梁台 车及拖 炮 车配合倒 运(除 13 米空心板采用吊车架设外 )。吊运前弹 出 梁板中线 ,以 便与 盖梁上弹 出 的梁中线 相 应安装。预制梁板安装采用中铁十九局三公司岭南高速公路NO.2 项目部 2 JQC150A 型公路架桥机进行架设,该架桥机的特点是结构轻巧、自重轻、起重能力强、纵横移电动行走、运行平稳、快捷;集中控制、操作简便等。安装前进行技术交底,架桥机由安检部门检测并出具安检证书。 2、施工机械 序号 设备名称 规格型号 数量 进场日期 技术状况 拟用何处 备 注 1 发电机 200KW 1 台 2006.05. 1 良好 预制场 2 龙门吊 DW75T 1 套 2006.04. 20 良好 预制场 3 架桥机 JQC150A 1 台 2006.11 20 良好 预制场 4 平板车 2 辆 2006.11. 20 良好 预制场 5 钢筋加工设备 1 套 2006.03. 20 良好 预制场 6 电焊机 BXI-400 BXI-500 2台 2006.03. 20 良好 预制场 7 千斤顶 150T 2台 2006.03....

1、当您付费下载文档后,您只拥有了使用权限,并不意味着购买了版权,文档只能用于自身使用,不得用于其他商业用途(如 [转卖]进行直接盈利或[编辑后售卖]进行间接盈利)。
2、本站所有内容均由合作方或网友上传,本站不对文档的完整性、权威性及其观点立场正确性做任何保证或承诺!文档内容仅供研究参考,付费前请自行鉴别。
3、如文档内容存在违规,或者侵犯商业秘密、侵犯著作权等,请点击“违规举报”。

碎片内容

架桥机安装梁施工技术方案

确认删除?
VIP
微信客服
  • 扫码咨询
会员Q群
  • 会员专属群点击这里加入QQ群
客服邮箱
回到顶部