电脑桌面
添加小米粒文库到电脑桌面
安装后可以在桌面快捷访问

核桃壳过滤器操作说明书

核桃壳过滤器操作说明书_第1页
1/6
核桃壳过滤器操作说明书_第2页
2/6
核桃壳过滤器操作说明书_第3页
3/6
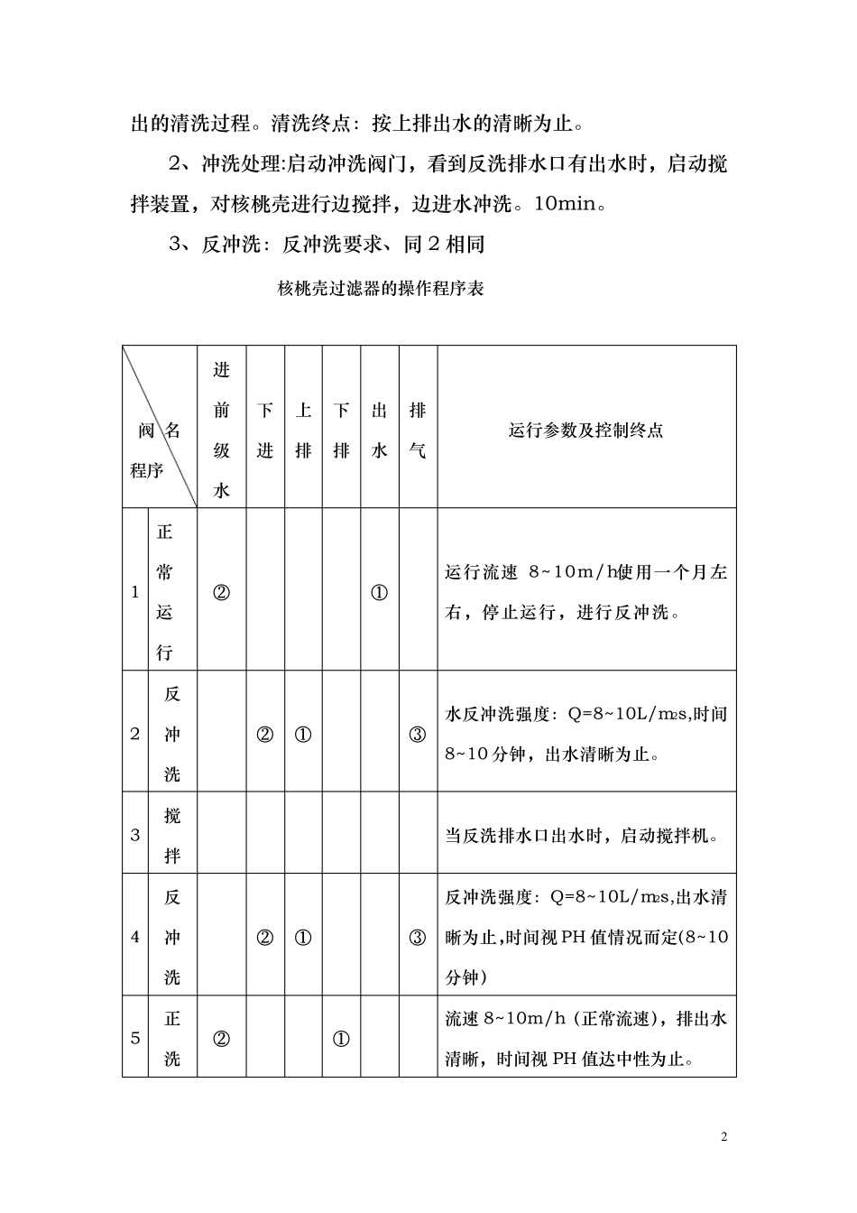
0 核桃壳过滤器 操作维护手册 宜兴市海源环保设备有限公司 二零一七年五月 1 第 一 节 设 备 概 述 1、 工 艺 原 理 : 核 桃 壳 过 滤 器 以 Q235 碳 钢 环 氧 防 腐 材 质 ,过 水 板 滤 帽 结 构 内 装颗 粒 核 桃 壳 填 料 。 核 桃 壳 过 滤 器 使 用 目 的 : 主 要 用 于 给 排 水 工 程 中 有机 物 、 色 度 、 浊 度 及 制 药 工 业 用 水 中 除 去 热 源 水 的 净 化 处 理 , 核 桃 壳过 滤 器 应 用 在 各 种 水 净 化 处 理 的 预 处 理 , 提 高 出 水 水 质 。 2、 主 要 技 术 参 数 :  设 备 形 式 : 立 式  本 体 材 料 : Q235-A  设 计 压 力 : 0.6MPa  工 作 压 力 : 大 于 0.2Mpa  运 行 压 差 : 0.02MPa( 正 常 ), 0.06MPa( 最 大 )  运 行 时 间 : 24 小 时 反 洗 一 次 ( 按 实 际 调 整 )  反 洗 时 间 : 约 5-8min/次  反 洗 强 度 : 10L/m2.s  运 行 流 速 : 8--10m/h  滤 料 : 核 桃 壳 : 粒 径 : 1-3mm 第 二 节 操 作 说 明 1、 反 冲 洗 处 理 : 目 的 : 经 过 一 段 时 间 运 行 后 , 核 桃 壳 表 面 及 孔 间 已 被 水 中 杂质 污染吸附, 使 吸附能力 下降, 需进行 反 冲 洗 来去 除 核 桃 壳 表 面 的 有 机 杂质 。 反 冲 洗 和运 行 相反 , 按 反 冲 洗 强 度 为 8-10L/m2.s 进行 下进、 上 2 出 的 清 洗 过 程 。 清 洗 终 点 : 按 上 排 出 水 的 清 晰 为 止 。 2、 冲 洗 处 理 :启 动 冲 洗 阀 门 , 看 到 反 洗 排 水 口 有 出 水 时 , 启 动 搅拌 装 置 , 对 核 桃 壳 进 行 边 搅 拌 , 边 进 水 冲 洗 。 10min。 3、 反 冲 洗 : 反 冲 洗 要 求 、 同 2 相 同 核 桃 壳 过 滤 器 的 操 作 程 序 表 阀 名 程 序 进前级水 下进 上排 下排 出水 排气 运 行 参 数 及 控 制 终 点 1 正常运行 ② ① 运 行 流 速8~10m/h,使 用 一 个 月 左右 , 停 止 运 行 , 进 ...

1、当您付费下载文档后,您只拥有了使用权限,并不意味着购买了版权,文档只能用于自身使用,不得用于其他商业用途(如 [转卖]进行直接盈利或[编辑后售卖]进行间接盈利)。
2、本站所有内容均由合作方或网友上传,本站不对文档的完整性、权威性及其观点立场正确性做任何保证或承诺!文档内容仅供研究参考,付费前请自行鉴别。
3、如文档内容存在违规,或者侵犯商业秘密、侵犯著作权等,请点击“违规举报”。

碎片内容

核桃壳过滤器操作说明书

确认删除?
VIP
微信客服
  • 扫码咨询
会员Q群
  • 会员专属群点击这里加入QQ群
客服邮箱
回到顶部