电脑桌面
添加小米粒文库到电脑桌面
安装后可以在桌面快捷访问

梁的钢筋计算方法

梁的钢筋计算方法_第1页
1/8
梁的钢筋计算方法_第2页
2/8
梁的钢筋计算方法_第3页
3/8
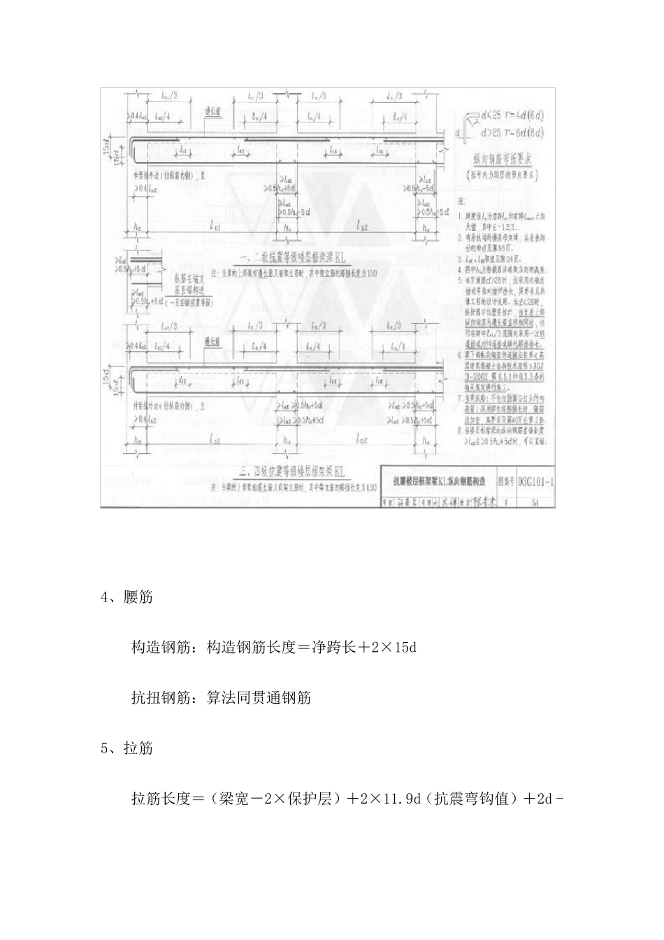
第一章梁 第一节框架梁 一、首跨钢筋的计算 1、上部贯通筋 上部贯通筋(上通长筋 1)长度=通跨净跨长+首尾端支座锚固值 2、端支座负筋 端支座负筋长度:第一排为 Ln/3+端支座锚固值(lae); (Ln 净跨) 第二排为 Ln/4+端支座锚固值 (lae) Lae 指 P34 页 3、下部钢筋 下部钢筋长度=净跨长+左右支座锚固值 注意:下部钢筋不论分排与否,计算的结果都是一样的,所以我们在标注梁的下部纵筋时可以不输入分排信息。 以上三类钢筋中均涉及到支座锚固问题,那么,在软件中是如何实现03G101-1中关于支座锚固的判断呢? 现在我们来总结一下以上三类钢筋的支座锚固判断问题: 支座宽≥Lae 且≥0.5Hc+5d,为直锚,取Max{Lae,0.5Hc+5d }。 钢筋的端支座锚固值=支座宽≤Lae 或≤0.5Hc+5d,为弯锚,取Max{Lae,支座宽度-保护层+15d }。 钢筋的中间支座锚固值=Max{Lae,0.5Hc+5d } 直锚就是钢筋头是直的 弯锚钢筋头要打 9 0 度或者 1 8 0 度的弯 4、腰筋 构造钢筋:构造钢筋长度=净跨长+2×15d 抗扭钢筋:算法同贯通钢筋 5、拉筋 拉筋长度=(梁宽-2×保护层)+2×11.9d(抗震弯钩值)+2d - 拉筋根数:如果我们没有在平法输入中给定拉筋的布筋间距,那么拉筋的根数=(箍筋根数/2)×(构造筋根数/2);如果给定了拉筋的布筋间距,那么拉筋的根数=布筋长度 /布筋间距。 6、箍筋 箍筋长度=(梁宽-2×保护层+梁高-2×保护层)+2×11.9d+8d 箍筋根数=(加密区长度/加密区间距+1)×2+(非加密区长度/非加密区间距-1)+1 注意:因为构件扣减保护层时,都是扣至纵筋的外皮,那么,我们可以发现,拉筋和箍筋在每个保护层处均被多扣掉了直径值;并且我们在预算中计算钢筋长度时,都是按照外皮计算的,所以软件自动会将多扣掉的长度在补充回来,由此,拉筋计算时增加了 2d,箍筋计算时增加了8d。(如下图所示) 7、吊筋 吊筋长度=2*锚固+2*斜段长度+次梁宽度+2*50,其中框梁高度>800mm 夹角=60° ≤800m 夹角=45° 二、中间跨钢筋的计算 1、中间支座负筋 中间支座负筋:第一排为 Ln/3+中间支座值+Ln/3; 第二排为 Ln/4+中间支座值+Ln/4 注意:当中间跨两端的支座负筋延伸长度之和≥该跨的净跨长时,其钢筋长度: 第一排为该跨净跨长+(Ln/3+前中间支座值)+(Ln/3+后中间支座值); 第二排为该跨净跨长+(Ln/4+前中间支座值)+(Ln/4+后中间支座值)。 其...

1、当您付费下载文档后,您只拥有了使用权限,并不意味着购买了版权,文档只能用于自身使用,不得用于其他商业用途(如 [转卖]进行直接盈利或[编辑后售卖]进行间接盈利)。
2、本站所有内容均由合作方或网友上传,本站不对文档的完整性、权威性及其观点立场正确性做任何保证或承诺!文档内容仅供研究参考,付费前请自行鉴别。
3、如文档内容存在违规,或者侵犯商业秘密、侵犯著作权等,请点击“违规举报”。

碎片内容

梁的钢筋计算方法

小辰6+ 关注
实名认证
内容提供者

出售各种资料和文档

确认删除?
VIP
微信客服
  • 扫码咨询
会员Q群
  • 会员专属群点击这里加入QQ群
客服邮箱
回到顶部