电脑桌面
添加小米粒文库到电脑桌面
安装后可以在桌面快捷访问

梅特勒电子衡器基础知识

梅特勒电子衡器基础知识_第1页
1/6
梅特勒电子衡器基础知识_第2页
2/6
梅特勒电子衡器基础知识_第3页
3/6
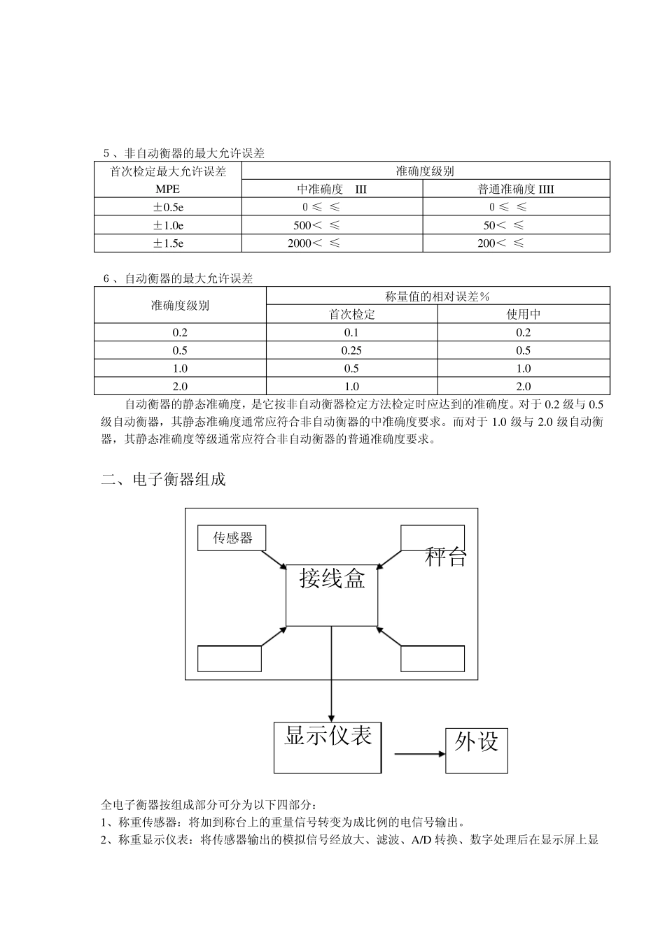
电子衡器基础知识 一、电子衡器概论 1、衡器、秤及天平的概念 (1) 衡器 是利用作用于物体上的重力等各种称量原理,确定物体的质量或作为质量函数的其他量值、数值、参数或特性的一种计量仪器,又称衡量仪器、称量仪器或称重仪器。 当用于贸易结算、安全防护、环境监测和医疗卫生领域时,在我国属接受强制检定的计量器具之一。 (2) 秤 是普通准确度级和(或)中准确度级的非自动衡器,以及具有相应静态准确度级的自动衡器的总称。 (3) 天平 天平是高准确度级和(或)特种准确度级的衡器。 2、电子衡器概念 装有电子装置的衡器。电子装置是指将电信号转换成数字信号的机电装置。 3、衡器术语 (1) 非自动衡器:称量过程中需要人员操作(例如向承载器加放或卸去载荷或取得称量结果)的秤。 (2) 自动衡器:称量过程中不需要操作都参与,并按照预定的程序自动工作的衡器。 (3) 最大称量(Max ):不计算添加皮重在内的最大称重能力。 (4) 分度值: 实际分度值(d):以质量单位表示的下述数值。 对模拟示值,系指相邻两个刻线对应值之差 对数字示值,系相邻两个示值之差。 检定分度值(e):用于对秤分级和检定时使用的、以质量单位表示的值。 (5) 检定分度数(n ):最大秤量与检定分度值之商。 (6) 最小秤量(Min ):载荷小于该值时,称量结果可能产生过大的相对误差。 (7) 称量范围:最小秤量与最大秤量之间的范围。 4、非自动衡器准确度等级划分 准确度级别 检定分度值 检定分度数 n n =Max /e 最小称量 Min (下限) 最小 最大 特种准确度 I 0.001g≤e 50000 - 100e 高准确度 II 0.001g≤e≤0.05g 100 10000 20e 0.1g≤e 5000 10000 50e 中准确度 III 0.1g≤e≤2g 100 10000 20e 5g≤e 500 10000 20e 普通准确度 IIII 5g≤e 100 1000 10e 5、非自动衡器的最大允许误差 首次检定最大允许误差 MPE 准确度级别 中准确度 III 普通准确度IIII ±0.5e 0≤m≤500e 0≤m≤50e ±1.0e 500<m≤2000e 50<m≤200e ±1.5e 2000<m≤10000e 200<m≤1000e 6、自动衡器的最大允许误差 准确度级别 称量值的相对误差% 首次检定 使用中 0.2 0.1 0.2 0.5 0.25 0.5 1.0 0.5 1.0 2.0 1.0 2.0 自动衡器的静态准确度,是它按非自动衡器检定方法检定时应达到的准确度。对于 0.2 级与 0.5级自动衡器,其静...

1、当您付费下载文档后,您只拥有了使用权限,并不意味着购买了版权,文档只能用于自身使用,不得用于其他商业用途(如 [转卖]进行直接盈利或[编辑后售卖]进行间接盈利)。
2、本站所有内容均由合作方或网友上传,本站不对文档的完整性、权威性及其观点立场正确性做任何保证或承诺!文档内容仅供研究参考,付费前请自行鉴别。
3、如文档内容存在违规,或者侵犯商业秘密、侵犯著作权等,请点击“违规举报”。

碎片内容

梅特勒电子衡器基础知识

您可能关注的文档

小辰3+ 关注
实名认证
内容提供者

出售各种资料和文档

确认删除?
VIP
微信客服
  • 扫码咨询
会员Q群
  • 会员专属群点击这里加入QQ群
客服邮箱
回到顶部