电脑桌面
添加小米粒文库到电脑桌面
安装后可以在桌面快捷访问

模板支架计算

模板支架计算_第1页
1/6
模板支架计算_第2页
2/6
模板支架计算_第3页
3/6
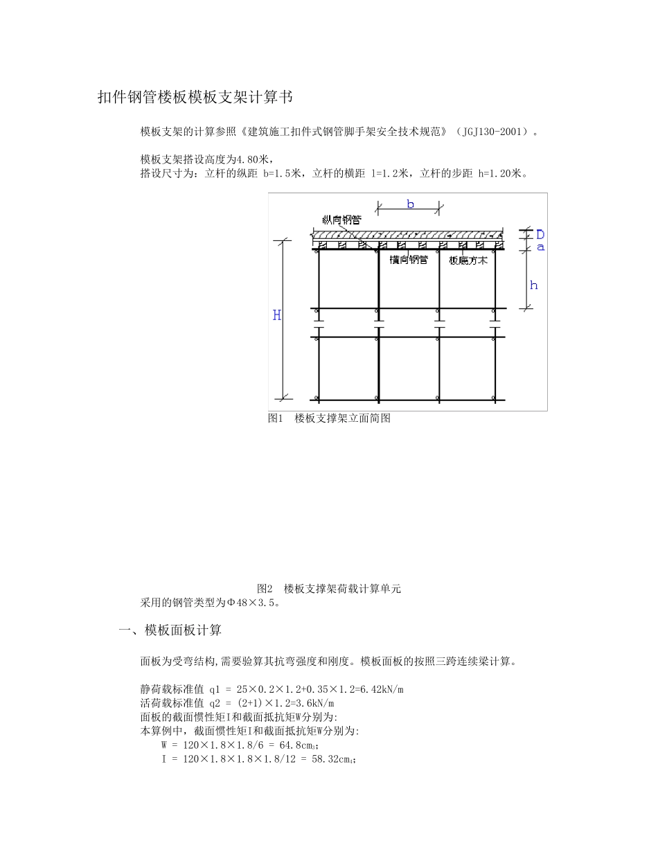
扣件钢管楼板模板支架计算书 模板支架的计算参照《建筑施工扣件式钢管脚手架安全技术规范》(JGJ130-2001)。 模板支架搭设高度为4.80米, 搭设尺寸为:立杆的纵距 b=1.5米,立杆的横距 l=1.2米,立杆的步距 h=1.20米。 图1 楼板支撑架立面简图 图2 楼板支撑架荷载计算单元 采用的钢管类型为Φ48×3.5。 一、模板面板计算 面板为受弯结构,需要验算其抗弯强度和刚度。模板面板的按照三跨连续梁计算。 静荷载标准值 q1 = 25×0.2×1.2+0.35×1.2=6.42kN/m 活荷载标准值 q2 = (2+1)×1.2=3.6kN/m 面板的截面惯性矩I和截面抵抗矩W分别为: 本算例中,截面惯性矩I和截面抵抗矩W分别为: W = 120×1.8×1.8/6 = 64.8cm3; I = 120×1.8×1.8×1.8/12 = 58.32cm4; (1)强度计算 f = M / W < [f] 其中 f —— 面板的强度计算值(N/mm2); M —— 面板的最大弯距(N.mm); W —— 面板的净截面抵抗矩; [f] —— 面板的强度设计值,取15N/mm2; M = 0.100ql2 其中 q —— 荷载设计值(kN/m); 经计算得到 M = 0.100×(1.2×6.42+1.4×3.6)×0.3×0.3=0.115kN.m 经计算得到面板强度计算值 f = 0.115×1000×1000/64800=1.775N/mm2 面板的强度验算 f < [f],满足要求! (2)抗剪计算 T = 3Q/2bh < [T] 其中最大剪力 Q=0.600×(1.2×6.42+1.4×3.6)×0.3=2.294kN 截面抗剪强度计算值 T=3×2294/(2×1200×18)=0.159N/mm2 截面抗剪强度设计值 [T]= 1.4N/mm2 抗剪强度验算 T < [T],满足要求! (3)挠度计算 v = 0.677ql4 / 100EI < [v] = l / 250 面板最大挠度计算值 v = 0.677×10.02×3004/(100×6000×583200)=0.157mm 面板的最大挠度小于300/250,满足要求! 二、模板支撑方木的计算 方木按照均布荷载下三跨连续梁计算。 1.荷载的计算 (1)钢筋混凝土板自重(kN/m): q11 = 25×0.2×0.3=1.5kN/m (2)模板的自重线荷载(kN/m): q12 = 0.35×0.3=0.105kN/m (3)活荷载为施工荷载标准值与振捣混凝土时产生的荷载(kN/m): 经计算得到,活荷载标准值 q2 = (1+2)×0.3=0.9kN/m 静荷载 q1 = 1.2×1.5+1.2×0.105=1.926kN/m 活荷载 q2 = 1.4×0.9=1.26kN/m 2.方木的计算 按照三跨连续梁计算,最大弯矩考虑为静荷载与活荷载的计算值最不利分配的弯矩和,计算公式如下: 均布荷载 q = 3.823/1.2=3.186kN/m 最大弯矩 M = 0.1ql2=0.1×3...

1、当您付费下载文档后,您只拥有了使用权限,并不意味着购买了版权,文档只能用于自身使用,不得用于其他商业用途(如 [转卖]进行直接盈利或[编辑后售卖]进行间接盈利)。
2、本站所有内容均由合作方或网友上传,本站不对文档的完整性、权威性及其观点立场正确性做任何保证或承诺!文档内容仅供研究参考,付费前请自行鉴别。
3、如文档内容存在违规,或者侵犯商业秘密、侵犯著作权等,请点击“违规举报”。

碎片内容

模板支架计算

您可能关注的文档

确认删除?
VIP
微信客服
  • 扫码咨询
会员Q群
  • 会员专属群点击这里加入QQ群
客服邮箱
回到顶部