电脑桌面
添加小米粒文库到电脑桌面
安装后可以在桌面快捷访问

民用爆破器材产品出厂基准价格

民用爆破器材产品出厂基准价格_第1页
1/6
民用爆破器材产品出厂基准价格_第2页
2/6
民用爆破器材产品出厂基准价格_第3页
3/6
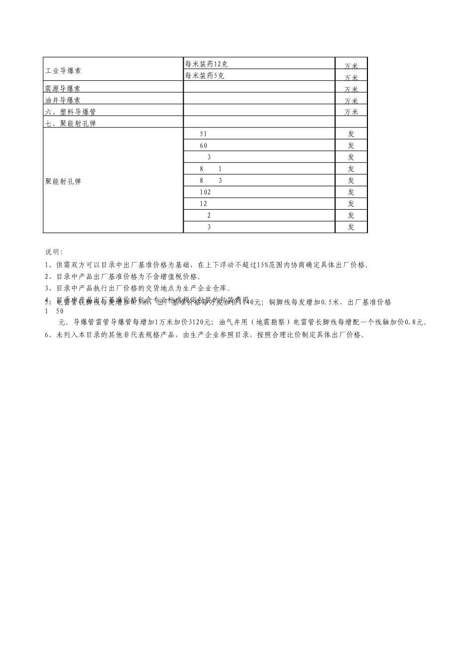
附表产品名称型号规格单位一、工业炸药改性铵油炸药40公斤吨粘性炸药40公斤吨普通,含甘油40%吨耐冻,含甘油40%吨每卷100-200克吨每包1-9公斤吨每包10-40公斤吨多孔粒状铵油炸药40公斤吨现场混装多孔粒状铵油炸药吨岩石水胶炸药直径27×200-500吨1号岩石水胶炸药直径35×200-500吨2号岩石水胶炸药直径35×200-500吨3号岩石水胶炸药直径32×200-500吨2号煤矿水胶炸药直径35×200-500吨3号煤矿水胶炸药直径35-200-500吨每卷150-250克吨每包1-9公斤吨每包10-40公斤吨每卷150-250克吨每包1-9公斤吨每包10-40公斤吨每卷150-250克吨每包1-9公斤吨每包10-40公斤吨每卷100-200克吨每包1-9公斤吨每包10-40公斤吨煤矿乳化炸药每卷150-250克吨乳化铵油炸药吨每卷100-200克吨每包1-9公斤吨每包10-40公斤吨一级煤矿许用膨化硝铵炸药每卷100-200克吨一级抗水煤矿许用膨化硝铵炸药每卷100-200克吨二级煤矿许用膨化硝铵炸药每卷100-200克吨二级抗水煤矿许用膨化硝铵炸药每卷100-200克吨现场混装乳化炸药吨二、震源药柱45-0.5-G吨45-1-G吨60-1-G吨民用爆破器材产品出厂基准价格目录岩石膨化硝铵炸药其中:高密度(高爆速)岩石乳化炸药(一级)岩石乳化炸药(二级)露天乳化炸药粉状乳化炸药胶质炸药1号-3号铵油炸药60-2-G吨75-1-G吨75-2-G吨85-1-G吨85-2-G吨85-3-G吨85-5-G吨85-1-Z吨85-2-Z吨85-3-Z吨85-5-Z吨85-1-D吨85-2-D吨85-3-D吨85-5-D吨95-1-D吨95-2-D吨95-3-D吨三、起爆药柱起爆药柱0.5公斤发起爆药柱1公斤发四、工业雷管8号瞬发电雷管金属壳、铁脚线2米万发8号煤矿许用瞬发电雷管金属壳、铁脚线2米万发金属壳、铁脚线2米、延期药延期式万发非金属壳、铁脚线2米、延期药延期式万发金属壳、铁脚线2米万发非金属壳、铁脚线2米万发8号煤矿许用毫秒延期电雷管(1-5段)金属壳、铁脚线2米万发6号煤矿许用毫秒电雷管(1-5段)金属壳、铁脚线2米万发8号20段毫秒延期电雷管 其中:1-5段金属壳、铜脚线2米万发 6-10段金属壳、铜脚线2米万发 11-15段金属壳、铜脚线2米万发 16-20段金属壳、铜脚线2米万发油气井用(地震勘探)电雷管金属壳、铜脚线2米万发导爆管瞬发雷管金属壳、导爆管2米万发导爆管秒延期雷管1-10段金属壳、导爆管2米、延期药延期式万发导爆管半秒延期雷管 其中:1-5段金属壳、导爆管2米万发 6-10段金属壳、导爆管2米万发导爆管毫秒延期雷管 其中:1-5段金属壳、导爆管2米万发 6-10段金属壳、导爆管2米万发 11-15段金属壳、导爆管2米万发 16...

1、当您付费下载文档后,您只拥有了使用权限,并不意味着购买了版权,文档只能用于自身使用,不得用于其他商业用途(如 [转卖]进行直接盈利或[编辑后售卖]进行间接盈利)。
2、本站所有内容均由合作方或网友上传,本站不对文档的完整性、权威性及其观点立场正确性做任何保证或承诺!文档内容仅供研究参考,付费前请自行鉴别。
3、如文档内容存在违规,或者侵犯商业秘密、侵犯著作权等,请点击“违规举报”。

碎片内容

民用爆破器材产品出厂基准价格

确认删除?
VIP
微信客服
  • 扫码咨询
会员Q群
  • 会员专属群点击这里加入QQ群
客服邮箱
回到顶部