电脑桌面
添加小米粒文库到电脑桌面
安装后可以在桌面快捷访问

氮气弹簧手册资料

氮气弹簧手册资料_第1页
1/97
氮气弹簧手册资料_第2页
2/97
氮气弹簧手册资料_第3页
3/97
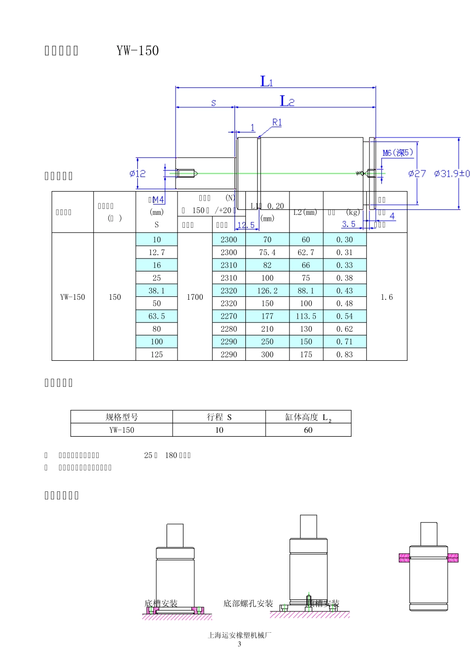
上海运安橡塑机械厂 1 规格型号:YW-80 产品类型: 规格型号 充气压力 (巴 ) 行程(mm) S 弹压力(N) 在 150 巴 /+20 度 L1± 0.20 (mm) L2(mm) 重量(kg) 最大 速度 米/秒 起始力 终点力 YW-80 150 7 800 1200 56 49 0.07 1.6 10 1100 62 52 0.08 15 1000 72 57 0.08 25 980 92 67 0.08 38.1 970 118.2 80.1 0.10 50 960 142 92 0.12 63.5 950 169 105.5 0.13 80 950 202 122 0.14 100 940 242 142 0.17 125 940 292 167 0.20 订货指南: 规格型号 行程 S 缸体高度 L 2 YW-80 7 49 * 可调节氮气弹簧压力在25 到 180 巴之间 * 客户可根据需要标明充气压力 安装可能性: 底槽安装 底部螺孔安装 顶槽安装 上海运安橡塑机械厂 2 安装配件: 订货号 A B C D E GA-YW-80 45 32 7 7 21.5 订货号 A B C D E GB-YW-80 45 32 10 7 7 上海运安橡塑机械厂 3 规格型号:YW-150 产品类型: 规格型号 充气压力(巴 ) 行程(mm) S 弹压力(N) 在 150 巴 /+20 度 L1± 0.20 (mm) L2(mm) 重量(kg) 最大 速度 米/秒 起始力 终点力 YW-150 150 10 1700 2300 70 60 0.30 1.6 12.7 2300 75.4 62.7 0.31 16 2310 82 66 0.33 25 2310 100 75 0.38 38.1 2320 126.2 88.1 0.43 50 2320 150 100 0.48 63.5 2270 177 113.5 0.54 80 2280 210 130 0.62 100 2290 250 150 0.71 125 2290 300 175 0.83 订货指南: 规格型号 行程 S 缸体高度 L 2 YW-150 10 60 * 可调节氮气弹簧压力在25 到 180 巴之间 * 客户可根据需要标明充气压力 安装可能性: 底槽安装 底部螺孔安装 顶槽安装 上海运安橡塑机械厂 4 安装配件: 订货号 A B C D E F GA-YW-150 60 49.5 35 7 9 17 订货号 A B C D E H GB-YW-150 49.5 50 35 7 12 6.5 上海运安橡塑机械厂 5 规格型号:YW-250 产品类型: 规格型号 充气压力(巴 ) 行程(mm) S 弹压力(N) 在 150 巴 /+20 度 L1± 0.20 (mm) L2(mm) 重量(kg) 最大 速度 米/秒 起始力 终点力 YW-250 150 10 2650 3500 70 60 0.43 1.6 12.7 3500 75.4 62.7 0.44 16 3500 82 66 0.46 25 3500 100 75 0.50 38.1 3500 126.2 88.1 0.54 50...

1、当您付费下载文档后,您只拥有了使用权限,并不意味着购买了版权,文档只能用于自身使用,不得用于其他商业用途(如 [转卖]进行直接盈利或[编辑后售卖]进行间接盈利)。
2、本站所有内容均由合作方或网友上传,本站不对文档的完整性、权威性及其观点立场正确性做任何保证或承诺!文档内容仅供研究参考,付费前请自行鉴别。
3、如文档内容存在违规,或者侵犯商业秘密、侵犯著作权等,请点击“违规举报”。

碎片内容

氮气弹簧手册资料

确认删除?
VIP
微信客服
  • 扫码咨询
会员Q群
  • 会员专属群点击这里加入QQ群
客服邮箱
回到顶部