电脑桌面
添加小米粒文库到电脑桌面
安装后可以在桌面快捷访问

水、暖、电用量估算资料

水、暖、电用量估算资料_第1页
1/16
水、暖、电用量估算资料_第2页
2/16
水、暖、电用量估算资料_第3页
3/16
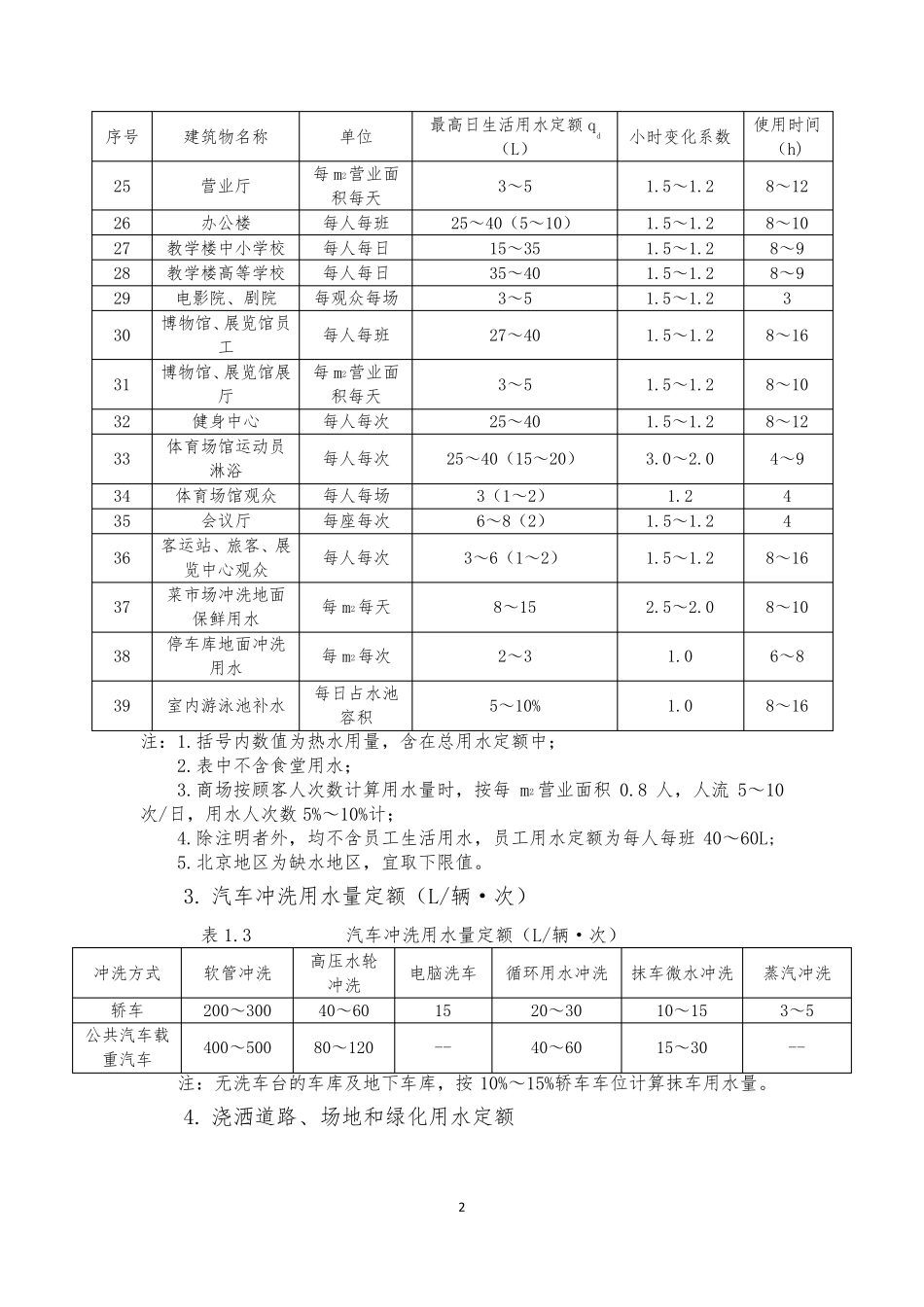
水、暖、电用量估算资料 (供参考) 1 (一)常用用水量估算值参考资料 一、 用水定额 1. 住宅最高日用水(含热水)定额 表1.1 住宅最高日用水(含热水)定额 类别 最高日用水定额(含热水)(L/人•d) 小时变化系数 使用时间(h) 普通住宅 80~140(20~60) 3.0~2.5 24 别墅、公寓 100~190(30~80) 2.3~1.8 24 2. 集体宿舍、旅馆及公共建筑生活用水(含热水)定额 表1.2 集体宿舍、旅馆及公共建筑生活用水(含热水)定额 序号 建筑物名称 单位 最高日生活用水定额qd(L) 小时变化系数 使用时间 (h) 1 宿舍 每人每日 130~160(40~55) 3.0~2.5 24 2 旅馆 每床位每日 110~160(20~70) 3.0~2.5 24 3 酒店式公寓 每人每日 180~240(65~80) 2.5~2.0 24 4 宾馆客房 每床位每日 220~320(110~140) 2.5~2.0 24 5 宾馆员工 每人每日 70~80(35~40) 2.5~2.0 24 6 医院住院部 每床位每日 130~320(45~140) 2.5~2.0 24 7 医务人员 每人每班 130~200(65~90) 2.5~2.0 8 8 门诊 每人每次 6~12(3~5) 2.5~2.0 8~12 9 疗养院 每床位每日 180~240(90~110) 2.5~2.0 24 10 养老院全托 每床位每日 90~120(45~55) 2.5~2.0 24 11 日托 每人每日 40~60(15~20) 2.0 10 12 幼儿园、托儿所有住宿 每人每日 40~80(20~40) 3.0~2.5 24 13 幼儿园、托儿所无住宿 每人每日 25~40(15~20) 2.0 10 14 公共浴室淋浴 每人每次 70~90(35~40) 1.5~1.2 3 15 淋浴小浴盆 每人每次 120~150(55~70) 1.5~1.2 3 16 桑拿浴 每人每次 130~160(60~70) 1.5~1.2 3 17 理发、美容院 每人每次 35~80(20~35) 2.0~1.5 12 18 洗衣房 每 Kg 干衣 40~80(15~30) 1.5~1.2 8 19 餐饮业中餐酒楼 每人每次 35~50(15~25) 1.5~1.2 10~12 20 快餐、职工食堂 每人每次 15~20(7~10) 1.5~1.2 12~16 21 酒店、咖啡、茶店、卡拉 OK 厅 每人每次 5~10(3~5) 1.5~1.2 8~18 22 商场 每 m2营业面积每天 4~6 1.5~1.2 12 23 图书馆 每人每次 5~8 1.5~1.2 8~10 24 书店员工 每人每班 27~40 1.5~1.2 8~12 2 序 号 建 筑 物 名 称 单 位 最 高 日 生 活 用 水 定 额 qd( L) 小 时 变 ...

1、当您付费下载文档后,您只拥有了使用权限,并不意味着购买了版权,文档只能用于自身使用,不得用于其他商业用途(如 [转卖]进行直接盈利或[编辑后售卖]进行间接盈利)。
2、本站所有内容均由合作方或网友上传,本站不对文档的完整性、权威性及其观点立场正确性做任何保证或承诺!文档内容仅供研究参考,付费前请自行鉴别。
3、如文档内容存在违规,或者侵犯商业秘密、侵犯著作权等,请点击“违规举报”。

碎片内容

水、暖、电用量估算资料

确认删除?
VIP
微信客服
  • 扫码咨询
会员Q群
  • 会员专属群点击这里加入QQ群
客服邮箱
回到顶部