电脑桌面
添加小米粒文库到电脑桌面
安装后可以在桌面快捷访问

水利水电工程前期资料

水利水电工程前期资料_第1页
1/20
水利水电工程前期资料_第2页
2/20
水利水电工程前期资料_第3页
3/20
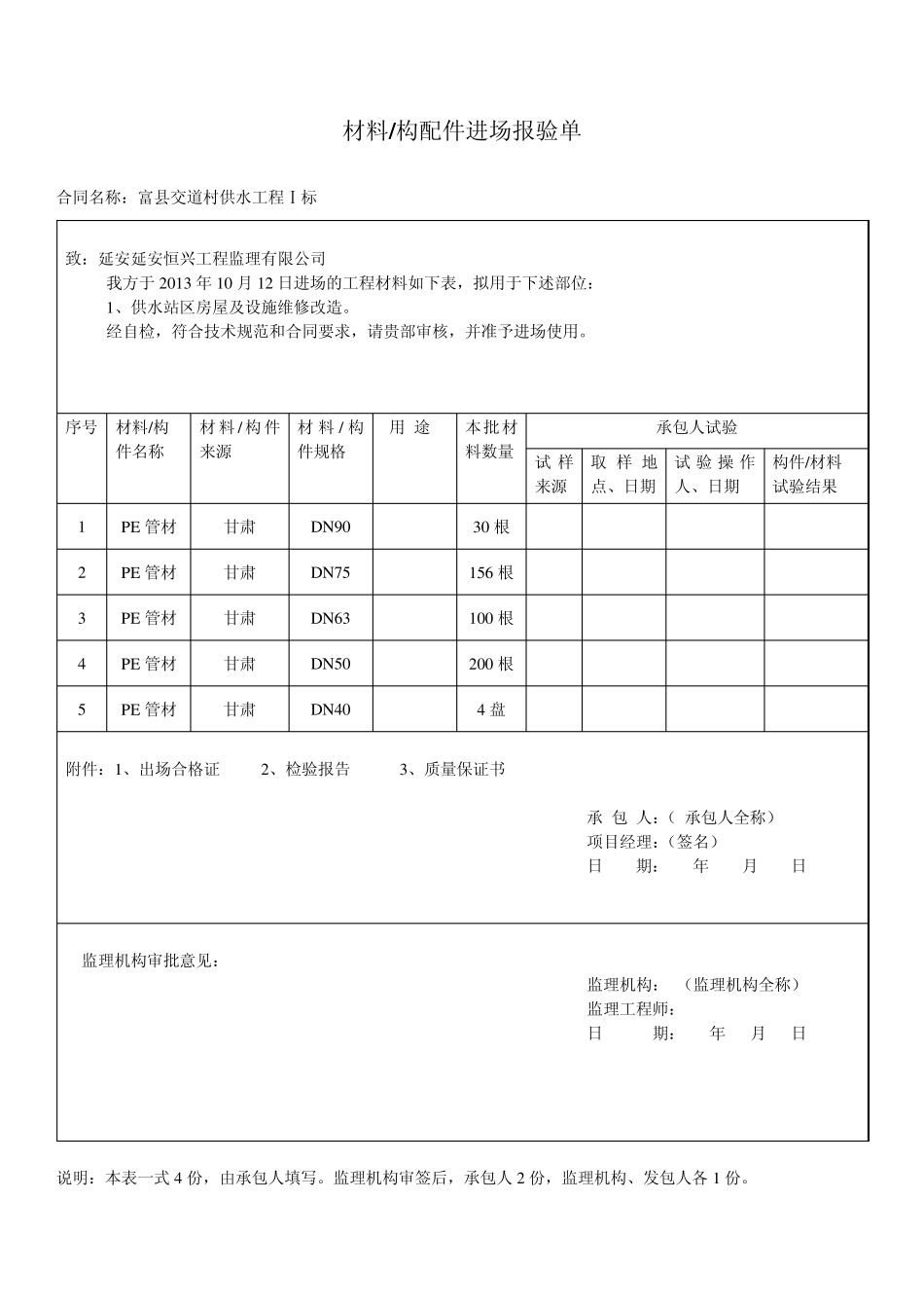
材料/构配件进场报验单 合同名称:富县交道村供水工程Ⅰ标 说明:本表一式 4 份,由承包人填写。监理机构审签后,承包人 2 份,监理机构、发包人各 1 份。 致:延安延安恒兴工程监理有限公司 我方于 2013 年 10 月 12 日进场的工程材料如下表,拟用于下述部位: 1、供水站区房屋及设施维修改造。 经自检,符合技术规范和合同要求,请贵部审核,并准予进场使用。 序号 材料/构 件名称 材料/ 构件来源 材料/ 构件规格 用 途 本批材料数量 承包人试验 试 样来源 取 样 地点、日期 试 验操 作人、日期 构件/材料 试验结果 1 PE 管材 甘肃 DN90 30 根 2 PE 管材 甘肃 DN75 156 根 3 PE 管材 甘肃 DN63 100 根 4 PE 管材 甘肃 DN50 200 根 5 PE 管材 甘肃 DN40 4 盘 附件:1、出场合格证 2、检验报告 3、质量保证书 承 包 人:( 承包人全称) 项目经理:(签名) 日 期: 年 月 日 监理机构审批意见: 监理机构: (监理机构全称) 监理工程师: 日 期: 年 月 日 施工设备进场报验单 合同名称:2 0 1 4 年史家坪村扶贫整村推进产业开发配套、小型基础设施 说明:本表一式 3份,由承包人填写,监理机构审签后,承包商人、监理机构、发包人各 1份。 致:延安延安恒兴工程监理有限公司 我方于 2 0 1 4 年4 月 2 6 日进场的施工设备如下表。拟用于下述部位: 1 、开挖、回填 经自检,符合技术规范和合同要求,请审核,并准予进场使用。 序号 设备名称 数量 进场日期 计划 完好状况 拟用工程项目 设备权属 生产能力 备注 1 经纬仪 1 10.12 测量放线 完好 该项目所属项目 自有 良好 2 全站仪 1 10.12 测量放线 完好 该项目所属项目 自有 良好 3 水准仪 1 10.12 测量放线 完好 该项目所属项目 自有 良好 4 挖掘机 1 10.12 挖土 完好 该项目所属项目 自有 良好 5 自卸汽车 1 10.12 运输 完好 该项目所属项目 自有 良好 6 打夯机 1 10.12 打夯 完好 该项目所属项目 自有 良好 7 发电机 1 10.12 发电 完好 该项目所属项目 自有 良好 上述设备已按合同约定进场并已自检合格,特此报验审核。 承包人:(全称及盖章) 项目经理:(全称及盖章) 日期: 年 月 日 (审核意见) 监理机构:(全称及盖章) 总监理工程师/监理工程师:(签名) 日期: ...

1、当您付费下载文档后,您只拥有了使用权限,并不意味着购买了版权,文档只能用于自身使用,不得用于其他商业用途(如 [转卖]进行直接盈利或[编辑后售卖]进行间接盈利)。
2、本站所有内容均由合作方或网友上传,本站不对文档的完整性、权威性及其观点立场正确性做任何保证或承诺!文档内容仅供研究参考,付费前请自行鉴别。
3、如文档内容存在违规,或者侵犯商业秘密、侵犯著作权等,请点击“违规举报”。

碎片内容

水利水电工程前期资料

您可能关注的文档

确认删除?
VIP
微信客服
  • 扫码咨询
会员Q群
  • 会员专属群点击这里加入QQ群
客服邮箱
回到顶部