电脑桌面
添加小米粒文库到电脑桌面
安装后可以在桌面快捷访问

水处理设计计算手册(超滤反渗透)

水处理设计计算手册(超滤反渗透)_第1页
1/18
水处理设计计算手册(超滤反渗透)_第2页
2/18
水处理设计计算手册(超滤反渗透)_第3页
3/18
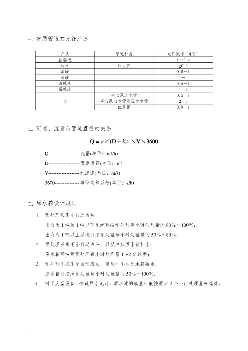
.. 水处理技术手册 (内部资料,务需外传) 编辑: 审核: * * * * * 水务有限公司 贰零二一年一月.. 目 录 一. 常用管道的允许流速 ................................................... 3 二. 流速、流量与管道直径的关系 ........................................... 3 三. 原水箱设计规则 ....................................................... 3 四. 管道与流量的关系参考数据表 ........................................... 4 五. 管道内外径的关系 ..................................................... 4 六. 原水泵设计规则 ....................................................... 4 七. 絮凝剂、助凝剂加药设计规则(可参照exsell表格) ....................... 5 八. 机械过滤器设计规则 ................................................... 5 九. 活性炭过滤器设计参数 ................................................. 6 十. 反洗水泵设计规则 ..................................................... 7 十一. 罗茨鼓风机的选择 ..................................................... 7 十二. 5um精密过滤器的参考数据 .............................................. 7 十三. 阻垢加药的设计 ....................................................... 8 十四. 反渗透系统的设计 ..................................................... 8 十五. 反渗透清洗系统的选择 ................................................. 8 十六. 中间水箱的有效容量设计规则 ........................................... 9 十七. 鼓风填料式除碳器的设计 ............................................... 9 十八. 混床的运行设计及再生工艺过程技术数据 ................................ 11 十九. 混床再生周期及耗酸碱量的计算 ........................................ 12 二十. 各类交换床常用运行流速 .............................................. 13 二十一. 树脂再生周期及耗盐量的计算 ...................................... 14 二十二. 过滤器滤料填充计算公式及参考数据 ................................ 14 二十三. 无油空压机的选择 ................................................ 17 ...

1、当您付费下载文档后,您只拥有了使用权限,并不意味着购买了版权,文档只能用于自身使用,不得用于其他商业用途(如 [转卖]进行直接盈利或[编辑后售卖]进行间接盈利)。
2、本站所有内容均由合作方或网友上传,本站不对文档的完整性、权威性及其观点立场正确性做任何保证或承诺!文档内容仅供研究参考,付费前请自行鉴别。
3、如文档内容存在违规,或者侵犯商业秘密、侵犯著作权等,请点击“违规举报”。

碎片内容

水处理设计计算手册(超滤反渗透)

您可能关注的文档

确认删除?
VIP
微信客服
  • 扫码咨询
会员Q群
  • 会员专属群点击这里加入QQ群
客服邮箱
回到顶部