电脑桌面
添加小米粒文库到电脑桌面
安装后可以在桌面快捷访问

水电站检修试验规程

水电站检修试验规程_第1页
1/149
水电站检修试验规程_第2页
2/149
水电站检修试验规程_第3页
3/149
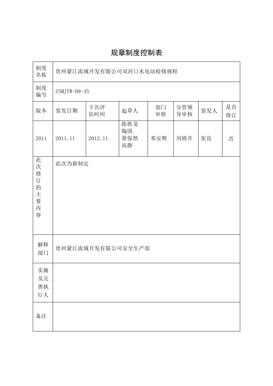
贵州蒙江流域开发有限公司 规章制度发布通知 2011年 第 83号 《 贵 州 蒙 江 流 域 开 发 有 限 公 司 双 河 口 水 电 站 检 修 规 程 》已 经 于 2011年 11月 10日 通 过 , 现 予 发 布 , 自 发 布 之 日 起 施行 。 总 经 理 : 二 Ο一 一 年 十 一 月 十 日 规章制度控制表 制度 名称 贵州蒙江流域开发有限公司双河口水电站检修规程 制度 编号 ZSMJYW-09-45 版本 签发日期 下次评 估时间 起草人 部门 审核 分管领 导审核 签发人 是否修订 2011 2011.11 2012.11 陈胜龙 陶国 黄保然 高静 邓安辉 刘修开 张良 否 此 次 修 订 的 主 要 内 容 此次为新制定 解释 部门 贵州蒙江流域开发有限公司安全生产部 实施 及完 善执 行人 备注 目录 第一部分 水轮机检修规程……………………………………………1 第二部分 发电机检修规程…………………………………………35 第三部分 1 号主变压器检修规程……………………………………56 第四部分 10kV 真空断路器检修规程………………………………72 第五部分 厂用 400V 低压开关检修规程……………………………76 第六部分 直流系统维护检修规程…………………………………78 第七部分 调速器检修规程…………………………………………93 第八部分 调速器压油装置检修规程………………………………98 第九部分 空气压缩机检修规程……………………………………105 第十部分 深井泵检修规程…………………………………………116 第十一部分 水工机械设备维护检修规程…………………………128 1 双河口水电站检修规程 第一部分 水轮机检修规程 1 范围 本标准规定了水轮机的技术规范、检修前的准备、检修项目、工艺要求及质量标准、常见故障与检修处理 本检修规程适用于双河口水电站水轮机检修工作。 2 规范性引用文件 下列文件中的条款通过本标准的引用而成为本标准的条款。凡是注日期的引用文件,其随后所有的修改单(不包括勘误的内容)或修订版均不适用于本标准,然而,鼓励根据本标准达成协议的各方研究是否可使用这些文件的最新版本。凡是不注日期的引用文件,其最新版本适用于本标准。 3 设备规范 3.0.1 设备规范 序 号 名 称 单 位 技 术 参 数 1 型 号 HLA384—LJ—285 2 设计水头 m 70 最高水头 83 最低水头 6...

1、当您付费下载文档后,您只拥有了使用权限,并不意味着购买了版权,文档只能用于自身使用,不得用于其他商业用途(如 [转卖]进行直接盈利或[编辑后售卖]进行间接盈利)。
2、本站所有内容均由合作方或网友上传,本站不对文档的完整性、权威性及其观点立场正确性做任何保证或承诺!文档内容仅供研究参考,付费前请自行鉴别。
3、如文档内容存在违规,或者侵犯商业秘密、侵犯著作权等,请点击“违规举报”。

碎片内容

水电站检修试验规程

您可能关注的文档

确认删除?
VIP
微信客服
  • 扫码咨询
会员Q群
  • 会员专属群点击这里加入QQ群
客服邮箱
回到顶部