电脑桌面
添加小米粒文库到电脑桌面
安装后可以在桌面快捷访问

江苏公共建筑节能设计专篇

江苏公共建筑节能设计专篇_第1页
1/6
江苏公共建筑节能设计专篇_第2页
2/6
江苏公共建筑节能设计专篇_第3页
3/6
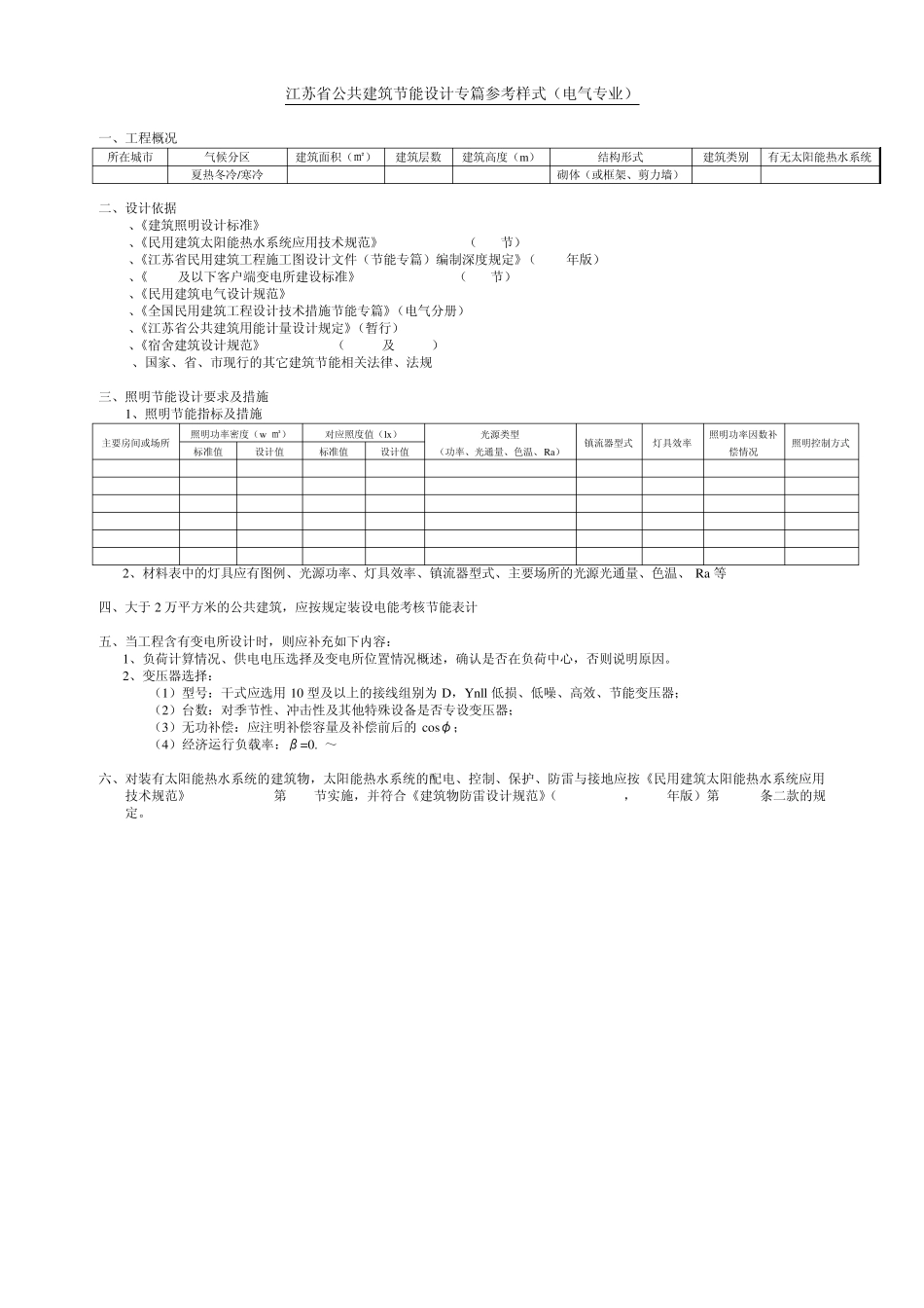
江苏省公共建筑节能设计专篇参考样式(建筑专业) 一、工程概况 所在城市 气候分区 结构形式 层数 体形系数 节能计算面积(㎡) 节能设计标准 节能设计方法 工程设计值 规范限值 寒冷 二、设计依据 1、《民用建筑热工设计规范》GB50176-1993 2、《公共建筑节能设计标准》GB50189-2005 3、《江苏省民用建筑工程施工图设计文件(节能专篇)编制深度规定》(2009 年版) 4、《江苏省太阳能热水系统施工图文件编制深度规定》(2008 年版) 5、国家、省、市现行的相关法律、法规 三、建筑物围护结构热工性能 围护结构部位 主要保温材料 厚度(㎜) 传热系数K(W /㎡·K) 备注 名称 导热系数(W /㎡·K) 工程设计值 规范限值 屋面1 …… 墙体1(包括非透明幕墙) …… 底面接触室外空气的架空层或外挑楼板 非采暖空调房间与采暖空调房间的隔墙 非采暖空调房间与采暖空调房间的楼板 本工程外墙墙体材料为 厚 ,内墙为 厚 。 四、地面和地下室外墙热工性能 围护结构部位 主要保温材料名称 厚度(㎜) 传热系数K(W/㎡·K) 备注 工程设计值 规范限值 地面 地下室外墙 五、窗(包括透明幕墙)的热工性能和气密性 朝向 窗框 玻璃 窗墙面积比/天窗屋面比 传热系数K(W/㎡·K) 遮阳系数SC 遮阳形式 可见光透射比 可开启面积比 工程设计值 规范限值 工程设计值 规范限值 工程设计值 规范限值 工程设计值 规范限值 工程设计值 规范限值 南 北 东 西 屋面 本工程窗的气密性不低于《建筑外窗气密性能分级及其检测方法》GB7107-2002规定的 级,幕墙的气密性不低于《建筑幕墙物理性能分级》GB/T 15227规定的 级。 六、太阳能热水系统 本工程(有/无) (型号) (太阳能/其它新能源)热水供应系统,使用 辅助热源,设计使用范围自 层至 层。 七、权衡判断 本工程因 不符合规定性指标而进行权衡判断,权衡判断结果满足节能设计标准。 全年采暖和空气调节能耗(kwh/㎡) 设计建筑 参照建筑 八、节能构造图详: 。 江苏省居住建筑节能设计专篇参考样式(建筑专业) 一、工程概况 所在城市 气候分区 结构形式 层数 体形系数 节能计算面积(㎡) 节能设计标准 节能设计方法 工程设计值 规范限值 寒冷 二、设计依据 1、《民用建筑热工设计规范》GB50176-1993 2、《民用建筑节能设计标准(采暖居住建筑部分)》JGJ26-95 3、《江苏省居住建筑热环境...

1、当您付费下载文档后,您只拥有了使用权限,并不意味着购买了版权,文档只能用于自身使用,不得用于其他商业用途(如 [转卖]进行直接盈利或[编辑后售卖]进行间接盈利)。
2、本站所有内容均由合作方或网友上传,本站不对文档的完整性、权威性及其观点立场正确性做任何保证或承诺!文档内容仅供研究参考,付费前请自行鉴别。
3、如文档内容存在违规,或者侵犯商业秘密、侵犯著作权等,请点击“违规举报”。

碎片内容

江苏公共建筑节能设计专篇

您可能关注的文档

确认删除?
VIP
微信客服
  • 扫码咨询
会员Q群
  • 会员专属群点击这里加入QQ群
客服邮箱
回到顶部