电脑桌面
添加小米粒文库到电脑桌面
安装后可以在桌面快捷访问

汽车修理工(中级)理论知识标准比重表鉴定要素细目表

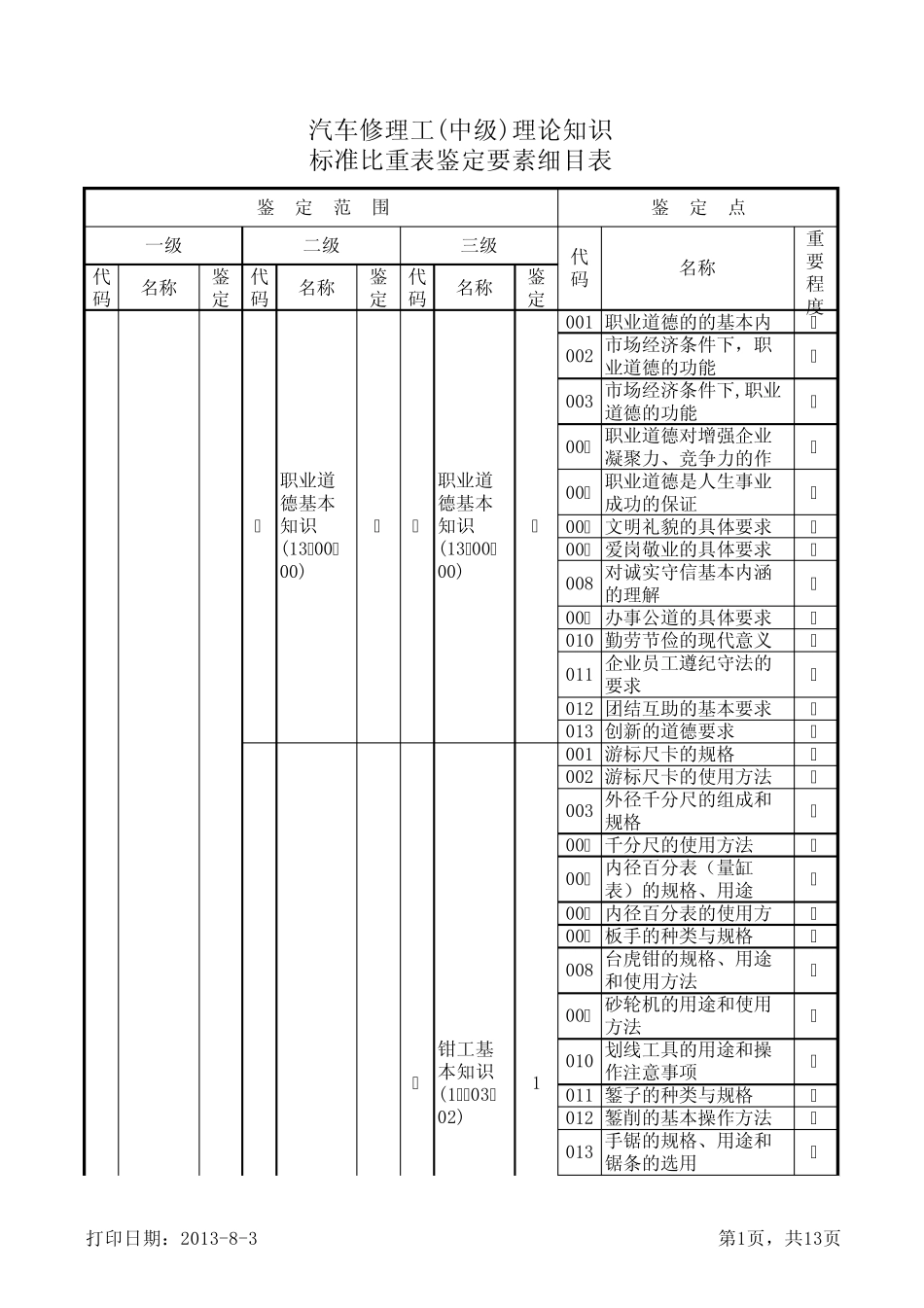
汽车修理工(中级)理论知识标准比重表鉴定要素细目表_第1页
1/13
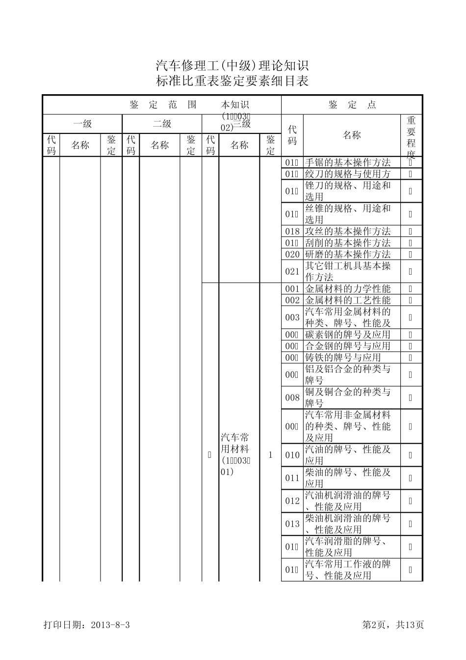
汽车修理工(中级)理论知识标准比重表鉴定要素细目表_第2页
2/13
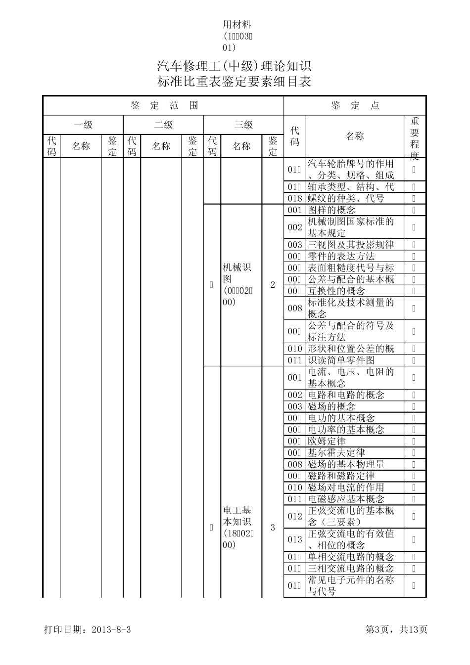
汽车修理工(中级)理论知识标准比重表鉴定要素细目表_第3页
3/13
代码名称鉴定代码名称鉴定代码名称鉴定001 职业道德的的基本内X002 市场经济条件下,职业道德的功能X003 市场经济条件下,职业道德的功能X004 职业道德对增强企业凝聚力、竞争力的作X005 职业道德是人生事业成功的保证X006 文明礼貌的具体要求X007 爱岗敬业的具体要求X008 对诚实守信基本内涵的理解X009 办事公道的具体要求X010 勤劳节俭的现代意义X011 企业员工遵纪守法的要求X012 团结互助的基本要求X013 创新的道德要求X001 游标尺卡的规格X002 游标尺卡的使用方法X003 外径千分尺的组成和规格X004 千分尺的使用方法X005 内径百分表(量缸表)的规格、用途X006 内径百分表的使用方X007 板手的种类与规格X008 台虎钳的规格、用途和使用方法X009 砂轮机的用途和使用方法X010 划线工具的用途和操作注意事项Z011 錾子的种类与规格Y012 錾削的基本操作方法X013 手锯的规格、用途和锯条的选用X三级代码名称重要程度职业道德基本知 识 (13:00:00)5A职业道德基本知 识 (13:00:00)5汽 车 修 理工(中 级)理论 知 识 标准 比 重表鉴定要素 细 目 表鉴 定 范 围鉴 定 点一 级二 级AA钳工基本知 识 (16:03:02)1打 印 日 期 : 2013-8-3第 1页 ,共 13页代码名称鉴定代码名称鉴定代码名称鉴定三级代码名称重要程度汽车修理工(中级)理论知识标准比重表鉴定要素细目表鉴 定 范 围鉴 定 点一级二级014 手锯的基本操作方法X015 绞刀的规格与使用方X016 锉刀的规格、用途和选用X017 丝锥的规格、用途和选用Y018 攻丝的基本操作方法Y019 刮削的基本操作方法X020 研磨的基本操作方法X021 其它钳工机具基本操作方法Z001 金属材料的力学性能X002 金属材料的工艺性能X003 汽车常用金属材料的种类、牌号、性能及X004 碳素钢的牌号及应用X005 合金钢的牌号与应用X006 铸铁的牌号与应用X007 铝及铝合金的种类与牌号X008 铜及铜合金的种类与牌号X009汽车常用非金属材料的种类、牌号、性能及应用Z010 汽油的牌号、性能及应用X011 柴油的牌号、性能及应用X012 汽油机润滑油的牌号、性能及应用Y013 柴油机润滑油的牌号、性能及应用Y014 汽车润滑脂的牌号、性能及应用X015 汽车常用工作液的牌号、性能及应用YB汽车常用材料(14:03:01)1本知识(16:03:02)打印日期:2013-8-3第2页,共13页代码名称鉴定代码名称鉴定代码名称鉴定三级代码名称重要程度汽车修理工(中级)理论知识...

1、当您付费下载文档后,您只拥有了使用权限,并不意味着购买了版权,文档只能用于自身使用,不得用于其他商业用途(如 [转卖]进行直接盈利或[编辑后售卖]进行间接盈利)。
2、本站所有内容均由合作方或网友上传,本站不对文档的完整性、权威性及其观点立场正确性做任何保证或承诺!文档内容仅供研究参考,付费前请自行鉴别。
3、如文档内容存在违规,或者侵犯商业秘密、侵犯著作权等,请点击“违规举报”。

碎片内容

汽车修理工(中级)理论知识标准比重表鉴定要素细目表

小辰5+ 关注
实名认证
内容提供者

出售各种资料和文档

确认删除?
VIP
微信客服
  • 扫码咨询
会员Q群
  • 会员专属群点击这里加入QQ群
客服邮箱
回到顶部