电脑桌面
添加小米粒文库到电脑桌面
安装后可以在桌面快捷访问

汽车制造工艺学习题答案

汽车制造工艺学习题答案_第1页
1/19
汽车制造工艺学习题答案_第2页
2/19
汽车制造工艺学习题答案_第3页
3/19
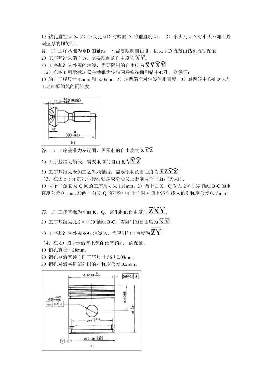
第一章作业答案 1 、 解释名词术语 工艺过程、工序、工步、试切法、静调整法、加工经济精度 答:工艺过程:在生产过程中,改变生产对象的形状、尺寸、相对位置和性质,使其成为成品或半成品的过程,称为工艺过程。 工序:一个或一组工人,在一个工作地(机械设备)上对同一个或同时对几个工件所连续完成的那一部分工艺过程,称为工序。划分工序的依据是加工是否连续完成和工作地是否改变。 工步:在一次安装或工位中,加工表面、加工工具和切削用量中的转速及进给量不变的情况下,所连续完成的那一部分工序,称为工步。 静调整法:先调整好刀具和工件在机床上的相对位置,并在一批零件的加工过程中保持这个位置不变,以保证工件被加工尺寸的方法。比试切法生产率高,而且加工尺寸的稳定性也好,适合于成批大量生产。 加工经济精度:在正常生产条件下,每种加工方法所能保证的公差等级,称为加工经济精度。 2 、 汽车零件切削加工时,零件尺寸精度的获得方法有几种? 答:有四种: (1 )试切法:通过试切—测量—调整—再试切,反复进行到被加工尺寸达到要求为止的加工方法。常用于单件小批生产。 (2 )静调整法:先调整好刀具和工件在机床上的相对位置,并在一批零件的加工过程中保持这个位置不变,以保证工件被加工尺寸的方法。比试切法生产率高,而且加工尺寸的稳定性也好,适合于成批大量生产。 (3 )定尺寸刀具法:是利用刀具的相应尺寸来保证加工尺寸的。如用钻头、铰刀直接保证被加工孔的尺寸。 (4 )主动和自动测量法:是在一些精密机床上加工工件尺寸的同时,利用检测装置测量和控制被加工表面尺寸的一种方法。 3 、 汽车零件加工时,零件形状的获得方法有几种? 答:有三种: (1 )轨迹法:是靠刀具运动轨迹来获得所需要的工件形状的一种方法。 (2 )成形法:是使用成形刀具加工,获得工件表面的方法。 (3 )展成法:在加工时刀具和工件做展成运动,刀刃包络出被加工表面的形状,称为展成法、范成法或滚切法。 8 、在大批大量和单件小批生产时,汽车零件尺寸分别采用什么方法获得? 答:大批大量生产中,汽车零件尺寸多采用静调整法、定尺寸刀具法和主动及自动测量法来保证;单件小批生产中多采用试切法和定尺寸刀具法来保证尺寸精度。 第二章作业答案 一、解释下列名词术语 设计基准、工序基准、定位基准、六点定位规则、第一类自由度、第二类自由度、定位误差、基准不重合误差、基准位移误...

1、当您付费下载文档后,您只拥有了使用权限,并不意味着购买了版权,文档只能用于自身使用,不得用于其他商业用途(如 [转卖]进行直接盈利或[编辑后售卖]进行间接盈利)。
2、本站所有内容均由合作方或网友上传,本站不对文档的完整性、权威性及其观点立场正确性做任何保证或承诺!文档内容仅供研究参考,付费前请自行鉴别。
3、如文档内容存在违规,或者侵犯商业秘密、侵犯著作权等,请点击“违规举报”。

碎片内容

汽车制造工艺学习题答案

确认删除?
VIP
微信客服
  • 扫码咨询
会员Q群
  • 会员专属群点击这里加入QQ群
客服邮箱
回到顶部