电脑桌面
添加小米粒文库到电脑桌面
安装后可以在桌面快捷访问

汽车各部件所用到的材料

汽车各部件所用到的材料_第1页
1/6
汽车各部件所用到的材料_第2页
2/6
汽车各部件所用到的材料_第3页
3/6
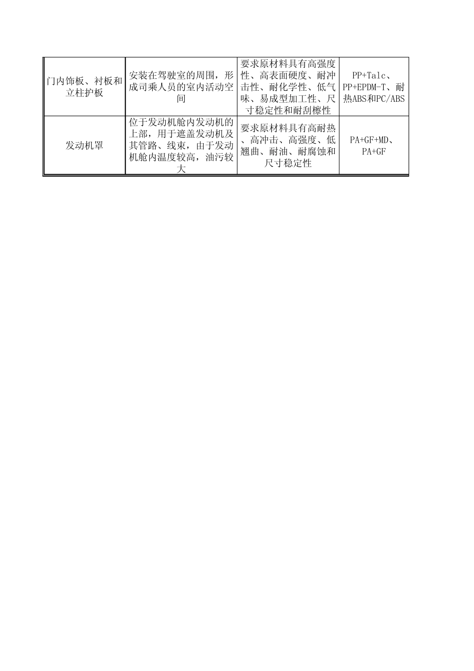
部件特点对塑料材料的要求原料选用汽车外饰件处于汽车的周围,对汽车起保护的作用防撞、吸能,应具有超高的耐冲击性和韧性汽车外部工作件,工作环境恶劣耐高/低温性、耐老化性能和耐腐蚀性体积较大,制造时成型困难,表面易形成流痕、熔接痕流动性好、具有优良的成型性外观件,对表面外观有较高的要求,有的要进行喷漆处理好的涂装性最大尺寸接近2m,收缩变形较大,尺寸难以保证在公差要求的范围内尺寸稳定性装在汽车发动机水箱的前边,起到通风散热的作用,也是外部工作件耐高温、耐候性强是汽车的前部亮点,有点要求电镀,还要求表面流畅,这样更美观优良的流动性、良好的电镀及喷涂性小件,固定或贴在汽车的表面,是外部工作件耐高/低温、耐化学腐蚀性有的需要电镀良好的电镀性装在汽车顶部,是外部工作件要求耐候性强有的需要承重要求强度高、耐冲击强行李架细长,纵向收缩变形较大,尺寸难以保证在公差要求范围内要求尺寸稳定性起扰流、减少汽车风阻系数和消除涡流噪音的作用,是外部工作件要求耐候性强要求喷漆以求美观和消除成型工艺造成流痕、水纹、结晶痕等缺陷要求具有良好的喷涂性和优良的加 工性能是外部工作件,经 常 受力 ,接触 汗 液 等,有的需要电镀或喷漆具有低温韧性、良好的电镀性和喷涂性能,耐疲 劳 性、耐化学药 品大多 要进行二 次 加 工,进行二 次 包 塑或机加 工具备 尺寸稳定性外部工作件,工作环境也较为 恶劣耐候性强、耐冲击强前、后 保险 杠 、外侧 维 护板PP+EPDM+Talc、 PBT/ABS、PC/ABS、PA/ABS和PC/PBT散热格 栅 ,又 称 中网 、散热器 罩耐热ABS、PC/ABS、PC/PBT、ASA和AES标 牌 、铭 牌电镀级 ABS、电镀级 PC/ABSABS、ABS+GF、PP+GF、电镀PC/ABS和PC/PBT门 拉 手 /门 把 手行李架PC/ABS、PBT+GF扰流板PP+EPDM+Talc、 ABS、PC/ABS、和PP66+GFASA、AES、ABS、PP+GF、PC/PBT和PBT+GF。通常要电镀或喷漆要有良好的电镀性及喷涂性能要求外观流畅、尺寸变化小具有流动性好、尺寸稳定性好位于前挡风玻璃下边,发动机舱后上边,主要作用是密封、防止前风挡玻璃挡下的雨水和杂物进入机舱耐候性强、耐冲击强不需要光亮低光泽轮胎罩套在备胎上,一般用于越野汽车,工作环境更为恶劣耐冲击性,抗震抗拍打性和耐腐蚀性PP+EPDM+MD、PA+EPDM+MD汽车内饰件是汽车内饰件中最为复杂、最大,承载件最多、最难于加工制造的部件,它集安全性、功能性、舒适性与装饰性於一身,除了要...

1、当您付费下载文档后,您只拥有了使用权限,并不意味着购买了版权,文档只能用于自身使用,不得用于其他商业用途(如 [转卖]进行直接盈利或[编辑后售卖]进行间接盈利)。
2、本站所有内容均由合作方或网友上传,本站不对文档的完整性、权威性及其观点立场正确性做任何保证或承诺!文档内容仅供研究参考,付费前请自行鉴别。
3、如文档内容存在违规,或者侵犯商业秘密、侵犯著作权等,请点击“违规举报”。

碎片内容

汽车各部件所用到的材料

确认删除?
VIP
微信客服
  • 扫码咨询
会员Q群
  • 会员专属群点击这里加入QQ群
客服邮箱
回到顶部