电脑桌面
添加小米粒文库到电脑桌面
安装后可以在桌面快捷访问

汽车继电器知识及选用

汽车继电器知识及选用_第1页
1/18
汽车继电器知识及选用_第2页
2/18
汽车继电器知识及选用_第3页
3/18
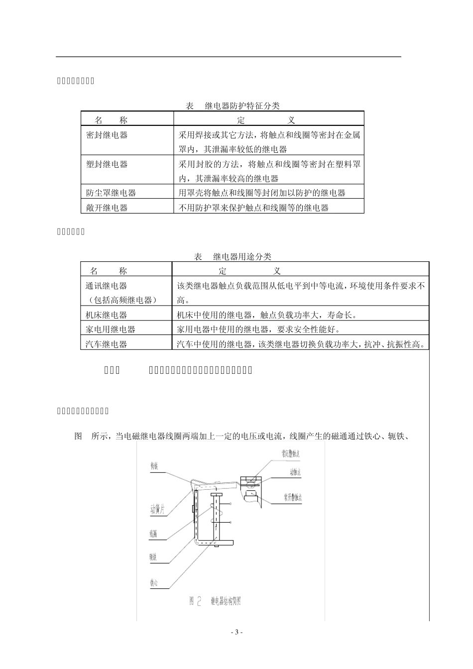
- 1 - 继电器基础知识 第一节 继电器的定义 一、继电器的定义 继电器是一种当输入量(电、磁、声、光、热)达到一定值时,输出量将发生跳跃式变化的自动控制器件。 二、继电器的继电特性 继电器的输入信号 x从零连续增加达到衔铁开始吸合时的动作值 xx,继电器的输出信号立刻从 y=0跳跃到 y=ym,即常开触点从断到通。一旦触点闭合,输入量x继续增大,输出信号 y将不再起变化。当输入量x从某一大于 xx值下降到 xf,继电器开始释放,常开触点断开(如图 1)。我们把继电器的这种特性叫做继电特性,也叫继电器的输入-输出特性。 释放值 xf与动作值 xx的比值叫做返馈系数,即 Kf= xf /xx 触点上输出的控制功率 Pc与线圈吸收的最小功率 P0之比叫做继电器的控制系数,即 Kc=PC/P0 第二节 继电器的分类 一、按作用原理分 1、电磁继电器 在输入电路内电流的作用下,由机械部件的相对运动产生预定响应的一种继电器。 - 2 - 它包括直流电磁继电器、交流电磁继电器、磁保持继电器、极化继电器、舌簧继电器。 1)直流电磁继电器:输入电路中的控制电流为直流的电磁继电器。 2)交流电磁继电器:输入电路中的控制电流为交流的电磁继电器。 3)磁保持继电器:将磁钢引入磁回路,继电器线圈断电后,继电器的衔铁仍能保持在线圈通电时的状态,具有两个稳定状态。 4)极化继电器:状态改变取决于输入激励量极性的一种直流继电器。 5)舌簧继电器:利用密封在管内,具有触点簧片和衔铁磁路双重作用的舌簧的动作来开、闭或转换线路的继电器。 2. 固态继电器 输入、输出功能由电子元件完成而无机械运动部件的一种继电器。 3. 时间继电器 当加上或除去输入信号时,输出部分需延时或限时到规定的时间才闭合或断开其被控线路的继电器。 4. 温度继电器 当外界温度达到规定值时而动作的继电器 5. 风速继电器 当风的速度达到一定值时,被控电路将接通或断开。 6. 加速度继电器 当运动物体的加速度达到规定值时,被控电路将接通或断开。 7. 其它类型的继电器 如光继电器、声继电器、热继电器等。 二、按外形尺寸分 表 1 继电器外形尺寸分类 名 称 定 义 微型继电器 最长边尺寸不大于 10mm的继电器 超小型继电器 最长边尺寸大于 10mm,但不大于 25mm的继电器 小型继电器 最长边尺寸大于 25mm,但不大于 50mm的继电器 三、按触点负载分 表 2 继电器触点负载分类 名 称 定 义 微功率...

1、当您付费下载文档后,您只拥有了使用权限,并不意味着购买了版权,文档只能用于自身使用,不得用于其他商业用途(如 [转卖]进行直接盈利或[编辑后售卖]进行间接盈利)。
2、本站所有内容均由合作方或网友上传,本站不对文档的完整性、权威性及其观点立场正确性做任何保证或承诺!文档内容仅供研究参考,付费前请自行鉴别。
3、如文档内容存在违规,或者侵犯商业秘密、侵犯著作权等,请点击“违规举报”。

碎片内容

汽车继电器知识及选用

您可能关注的文档

确认删除?
VIP
微信客服
  • 扫码咨询
会员Q群
  • 会员专属群点击这里加入QQ群
客服邮箱
回到顶部