电脑桌面
添加小米粒文库到电脑桌面
安装后可以在桌面快捷访问

汽车零部件识图期末试题

汽车零部件识图期末试题_第1页
1/7
汽车零部件识图期末试题_第2页
2/7
汽车零部件识图期末试题_第3页
3/7
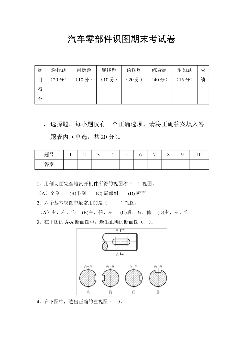
汽车零部件识图期末考试卷 题目 选择题(20 分) 判断题(10 分) 连线题(10 分) 绘图题(20 分) 综合题(40 分) 附加题(15 分) 成绩 得分 一、 选择题。每小题仅有一个正确选项,请将正确答案填入答题表内(单选,共 20 分)。 题号 1 2 3 4 5 6 7 8 9 10 答案 1、用剖切面完全地剖开机件所得的视图称( )视图。 (A)全剖 (B)半剖 (C) 局部剖 (D) 断面 2、六个基本视图中最常用的是( )视图。 (A)主、右、仰 (B)主、俯、左 (C)后、右、仰 (D)主、左、仰 3、在下图的 A-A 断面图中,选出正确的断面图( )。 4、在下图中,选出正确的左视图( )。 5、下图采用的是( )画法。 (A)简化 (B)对称 (C)示意 (D)省略 6、通过左边的三视图,从下图选出正确的立体图( ) 7、下图中,螺栓是( ) 8 、在下图中,正确的视图( )。 9 、在下图中选出正确的相贯线左视图( )。 1 0 、在下图中选出正确的局部剖视图。( ) 二、 判断题(1 0 分),正确打√,错误打×,并将答案填入答题表内。 题号 1 2 3 4 5 6 7 8 9 10 答案 1、表达一个零件,必须画出主视图,其余视图和图形按需选用。( ) 2、上下偏差和公差都可以同时为正,为负和为0。( ) 3、零件图中标注的尺寸大小是零件实际尺寸大小。( ) 4、确定形体形状及大小的尺寸称为定位尺寸。( ) 5、沿轴向等距分布的两条或两条以上的螺旋线形成的螺纹为多线螺纹。( ) 6、内、外螺纹连接时,螺纹的五要素不一定要一致。( ) 7、M10×1 表示公称直径为10 mm,螺距1 mm的单线左旋细牙普通外螺纹。( ) 8、A4 图纸的幅面大小为841mm×1189mm。( ) 9、在标注尺寸时,尺寸数字一般应注写在尺寸线的上方,也允许注写在尺寸线的中断处。( ) 10、正投影法要遵循“三等”规律,即长对正、高平齐、宽相等。( ) 三、连线题(10 分) 1、将下列线形与相应的用法描述用直线连接起来。 虚线 轴线、对称中心线 点画线 断裂处的边界线 双折线 可见轮廓线 粗实线 不可见轮廓线 四、绘图题。(20 分) 根据图中的立体图补画出视图所缺的图线。 (a) (b) (c) 五、综合题(40 分) 读零件图,并回答问题。 27 8132:1Q235 (1)该零件名称是_________,制图比例为__________ ,材料为__________ ,左视图采用了 __________视图(全剖...

1、当您付费下载文档后,您只拥有了使用权限,并不意味着购买了版权,文档只能用于自身使用,不得用于其他商业用途(如 [转卖]进行直接盈利或[编辑后售卖]进行间接盈利)。
2、本站所有内容均由合作方或网友上传,本站不对文档的完整性、权威性及其观点立场正确性做任何保证或承诺!文档内容仅供研究参考,付费前请自行鉴别。
3、如文档内容存在违规,或者侵犯商业秘密、侵犯著作权等,请点击“违规举报”。

碎片内容

汽车零部件识图期末试题

您可能关注的文档

确认删除?
VIP
微信客服
  • 扫码咨询
会员Q群
  • 会员专属群点击这里加入QQ群
客服邮箱
回到顶部