电脑桌面
添加小米粒文库到电脑桌面
安装后可以在桌面快捷访问

沈阳市污水处理厂概预算清单

沈阳市污水处理厂概预算清单_第1页
1/42
沈阳市污水处理厂概预算清单_第2页
2/42
沈阳市污水处理厂概预算清单_第3页
3/42
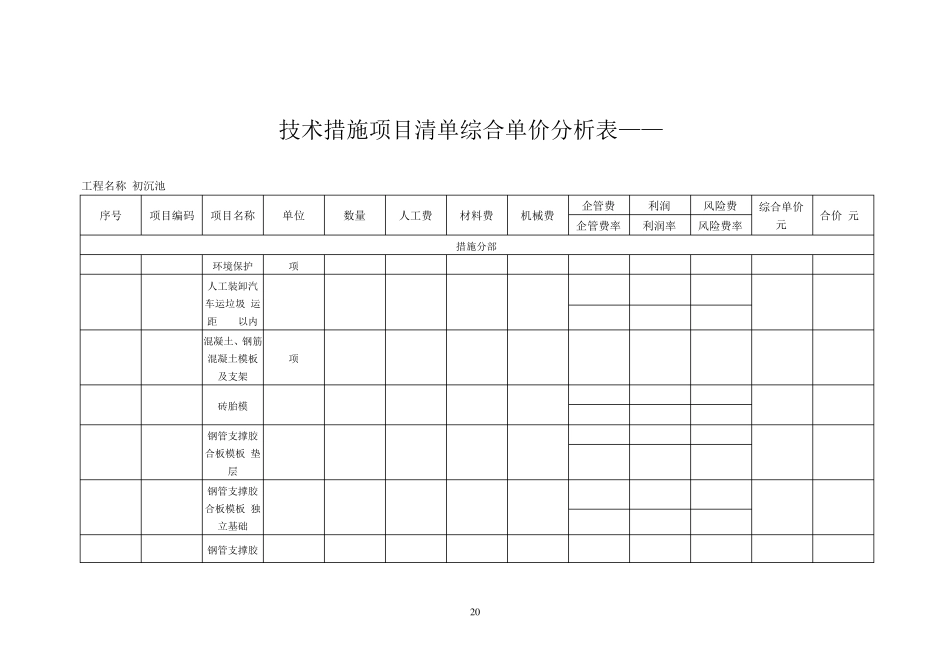
2 0 技术措施项目清单综合单价分析表——1 工程名称:初沉池 序号 项目编码 项目名称 单位 数量 人工费 材料费 机械费 企管费 利润 风险费 综合单价(元) 合价(元) 企管费率 利润率 风险费率 措施分部 1 0101001 环境保护 项 1 1107.29 1107.29 (1) 20108169 人工装卸汽车运垃圾 运距 3km以内 m3 40.09 12.45 0.00 13.84 0.79 0.54 0.00 27.62 1107.29 3% 2% 2 0102001 混凝土、钢筋混凝土模板及支架 项 1 92665.63 92665.63 (1) 10103122 砖胎模 m3 14.18 45.90 220.99 0.46 7.88 5.50 0.00 280.73 3980.75 17% 2% (2) 10109212 钢管支撑胶合板模板 垫层 m2 15.46 17.48 13.04 0.54 1.98 0.66 0.00 33.7 521 11% 2% (3) 10109215 钢管支撑胶合板模板 独立基础 m2 9 14.11 16.56 0.69 1.63 0.66 0.00 33.65 302.85 11% 2% (4) 10109227 钢管支撑胶m2 2411.77 12.57 16.55 0.81 1.47 0.63 0.00 32.03 77248.99 2 1 合板模板 直形墙 11% 2% (5) 10109235 钢管支撑胶合板模板(扣件式钢管支撑)有梁板 m2 200.28 14.56 18.58 1.03 1.71 0.72 0.00 36.6 7330.25 11% 2% (6) 10109239 钢管支撑胶合板模板(扣件式钢管支撑)直形楼梯、板式 m2 15.84 38.53 43.63 1.46 4.40 1.76 0.00 89.78 1422.12 11% 2% (7) 10109259 钢管支撑胶合板模板(扣件式钢管支撑)模板支撑高度超过3.6m 每增加1m 柱、墙 m2 438.5 0.72 0.00 0.00 0.08 0.02 0.00 0.82 359.57 11% 2% (8) 10109260 钢管支撑胶合板模板(扣件式钢管支撑)模板支撑高度超过3.6m 每增加1m 梁、板 m2 200.28 1.55 3.19 2.19 0.41 0.15 0.00 7.49 1500.1 11% 2% 2 2 3 0103001 脚手架 项 1 47338.46 47338.46 (1) 10110047 外墙扣件式钢管脚手架(单排) 建筑物高度15m内 m2 1887.56 2.75 10.11 0.38 0.34 0.27 0.00 13.85 26142.71 11% 2% (2) 10110048 外墙扣件式钢管脚手架(双排) 建筑物高度30m内 m2 517.41 4.68 20.31 0.58 0.58 0.52 0.00 26.67 13799.32 11% 2% (3) 10110015 里脚手架 m2 1887.56 1.09 1.03 0.34 0.16 0.05 0.00 2.67 5039.79 11% 2% (4) 10110016 满堂基础脚手架 m2 859.18 0.45 1.15 0.07 0.06 0.03 0.00 1.76...

1、当您付费下载文档后,您只拥有了使用权限,并不意味着购买了版权,文档只能用于自身使用,不得用于其他商业用途(如 [转卖]进行直接盈利或[编辑后售卖]进行间接盈利)。
2、本站所有内容均由合作方或网友上传,本站不对文档的完整性、权威性及其观点立场正确性做任何保证或承诺!文档内容仅供研究参考,付费前请自行鉴别。
3、如文档内容存在违规,或者侵犯商业秘密、侵犯著作权等,请点击“违规举报”。

碎片内容

沈阳市污水处理厂概预算清单

您可能关注的文档

小辰9+ 关注
实名认证
内容提供者

出售各种资料和文档

确认删除?
VIP
微信客服
  • 扫码咨询
会员Q群
  • 会员专属群点击这里加入QQ群
客服邮箱
回到顶部