电脑桌面
添加小米粒文库到电脑桌面
安装后可以在桌面快捷访问

用能力谱法分析钢混框架结构的抗震性能

用能力谱法分析钢混框架结构的抗震性能_第1页
1/12
用能力谱法分析钢混框架结构的抗震性能_第2页
2/12
用能力谱法分析钢混框架结构的抗震性能_第3页
3/12
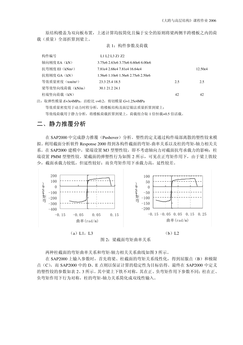
《大跨与高层结构》课程作业 2006 用能力谱法分析钢混框架结构的抗震性能 曲哲 2006-5-31 一、计算简图 该结构为六层现浇钢筋混凝土框架,取弱轴方向一榀平面框架计算,框架构件定位尺寸、构件编号以及各构件截面尺寸、配筋如图 1 所示。忽略填充墙、围护墙对结构刚度的贡献,在静力分析中将其折算为竖向荷载,在动力分析中将其折算为结构质量。 图 1:平面框架及构件截面 各构件的轴向刚度、抗弯刚度与剪切刚度列于表 1。表 1 中同时给出了各构件在静力分析中承受的等效竖向荷载以及在动力分析中的质量密度。 表 1 中梁等效竖向线荷载按 1 倍恒载+0.5 倍活载组合。其中恒载考虑了梁自重,120m m 厚楼板(屋面板)自重,2.0kN/m 2 楼板(屋面板)面层作法以及 6kN/m 的填充墙竖向荷载。活荷载均取2.0kN/m 2。表 1 中梁的等效质量密度是按梁的等效竖向恒荷载折算的,柱的等效质量密度取柱本身的质量密度。 L2 L2 L1,L3《 大 跨 与 高 层 结 构 》 课 程 作 业 2006 原 结 构 楼 盖 为 双 向 板 布 置 , 上 述 计 算 均 按 简 化 且 偏 于 安 全 的 原 则 将 梁 两 侧 半 跨 楼 板 之 内 的 荷载 ( 质 量 ) 全 部 折 算 到 梁 上 。 表 1: 构 件 参 数 及 荷 载 构 件 编 号 L1 L2 L3 Z1 Z2 轴 向 刚 度 EA( kN) 3.75e6 2.63e6 3.75e6 6.60e6 6.00e6 抗 弯 刚 度 EI( kNm2) 7.81e4 2.68e4 7.81e4 16.64e4 12.50e4 抗 剪 刚 度 GA( kN) 1.56e6 1.10e6 1.56e6 2.75e6 2.50e6 等 效 质 量 密 度 ( ton/m3) 23.3 25.4 18.5 2.5 2.5 梁 等 效 竖 向 线 荷 载 ( kN/m) 30.1 21.2 24.1 柱 端 竖 向 荷 载 ( kN) 42 42 注 : 取 弹 性 模 量 E=3e4MPa, 泊 松 比 v=0.2, 剪 切 模 量 G=1.25e4MPa 等 效 质 量 密 度 用 于 动 力 时 程 分 析 , 将 楼 板 结 构 及 面 层 做 法 质 量 折 算 到 梁 上 ; 等 效 线 荷 载 用 于 静 力 分 析 , 将 楼 板 荷 载 折 算 到 梁 上 , 荷 载 组 合 取 1 倍 恒 载 +0.5 倍 活 载 。 二、静力推覆分析 在 SAP2000 中 完 成 静 力 推 覆 ( Pu shov er) 分 析 。 塑 性 的 定 义 通 ...

1、当您付费下载文档后,您只拥有了使用权限,并不意味着购买了版权,文档只能用于自身使用,不得用于其他商业用途(如 [转卖]进行直接盈利或[编辑后售卖]进行间接盈利)。
2、本站所有内容均由合作方或网友上传,本站不对文档的完整性、权威性及其观点立场正确性做任何保证或承诺!文档内容仅供研究参考,付费前请自行鉴别。
3、如文档内容存在违规,或者侵犯商业秘密、侵犯著作权等,请点击“违规举报”。

碎片内容

用能力谱法分析钢混框架结构的抗震性能

小辰4+ 关注
实名认证
内容提供者

出售各种资料和文档

确认删除?
VIP
微信客服
  • 扫码咨询
会员Q群
  • 会员专属群点击这里加入QQ群
客服邮箱
回到顶部