电脑桌面
添加小米粒文库到电脑桌面
安装后可以在桌面快捷访问

电子元器件型号命名规则

电子元器件型号命名规则_第1页
1/6
电子元器件型号命名规则_第2页
2/6
电子元器件型号命名规则_第3页
3/6
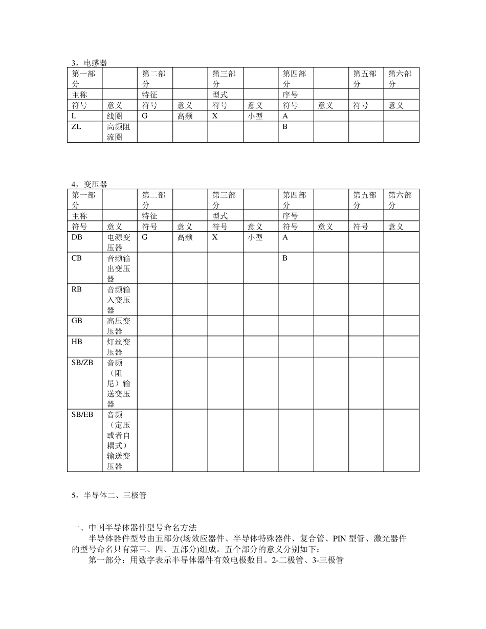
电子元器件型号命名规则 1,常用电阻器、电位器 第一部分 第二部分 第三部分 第四部分 第五部分 第六部分 第七部分 第八部分 用字母表示主称 用字母表示材料 用数字或者字母表示分类 用数字或者字母直接表示 用数字或者字母直接表示 用数字或者字母直接表示 用数字或者字母直接表示 用数字或者字母直接表示 符号 意义 符号 意义 符号 意义 额定功率 阻值 允许误差 精密等级 封装 R 电阻器 H 合成膜 1,2 普通 W 电位器 S 有机实芯 3 超音频 N 无机实芯 4 高阻 T 碳膜 5 高温 Y 氧化膜 7 精密 J 金属膜(箔) 8 电阻器-高压 I 玻璃釉膜 电位器-特殊 X 线绕 9 特殊 G 高功率 T 可调 W 微调 M 敏感 2,电容器 第一部分 (材料)第二部分 分类(第三部分) (用数字或者字母直接表示)第四部分 (用数字或者字母直接表示)第五部分 (用数字或者字母直接表示)第六部分 符号 意义 符号 意义 符号 意义 容值 精密封装 瓷介 云母 有机 电解 等级 C 电容器 C 高频瓷 1 圆片 非密封 非密封 箔式 T 低频瓷 2 圆形 非密封 非密封 箔式 I 玻璃釉 3 叠形 密封 密封 烧结粉液体 O 玻璃膜 4 独石 密封 密封 烧结粉固体 Y 云母 5 穿心 穿心 V 云母纸 6 支柱等 无极性 Z 纸介 7 J 金属化纸 8 高压 高压 高压 D 铝电解 9 特殊 特殊 A 钽电解 G 高功率 N 铌电解 W 微调 Q 漆膜 G 合金电解 E 其它电解材料 B 聚苯乙烯等非极性有机薄膜 L 聚酯等极性有机薄膜 H 复合介质 3,电感器 第一部分 第二部分 第三部分 第四部分 第五部分 第六部分 主称 特征 型式 序号 符号 意义 符号 意义 符号 意义 符号 意义 符号 意义 L 线圈 G 高频 X 小型 A ZL 高频阻流圈 B 4,变压器 第一部分 第二部分 第三部分 第四部分 第五部分 第六部分 主称 特征 型式 序号 符号 意义 符号 意义 符号 意义 符号 意义 符号 意义 DB 电源变压器 G 高频 X 小型 A CB 音频输出变压器 B RB 音频输入变压器 GB 高压变压器 HB 灯丝变压器 SB/ZB 音频(阻尼)输送变压器 SB/EB 音频(定压或者自耦式)输送变压器 5,半导体二、三极管 一、中国半导体器件型号命名方法 半导体器件型号由五部分(场效应器件、半导体特殊器件、复合管、PIN 型管、激光...

1、当您付费下载文档后,您只拥有了使用权限,并不意味着购买了版权,文档只能用于自身使用,不得用于其他商业用途(如 [转卖]进行直接盈利或[编辑后售卖]进行间接盈利)。
2、本站所有内容均由合作方或网友上传,本站不对文档的完整性、权威性及其观点立场正确性做任何保证或承诺!文档内容仅供研究参考,付费前请自行鉴别。
3、如文档内容存在违规,或者侵犯商业秘密、侵犯著作权等,请点击“违规举报”。

碎片内容

电子元器件型号命名规则

您可能关注的文档

确认删除?
VIP
微信客服
  • 扫码咨询
会员Q群
  • 会员专属群点击这里加入QQ群
客服邮箱
回到顶部