电脑桌面
添加小米粒文库到电脑桌面
安装后可以在桌面快捷访问

电子工业出版社微型计算机控制技术课后答案(第二版)潘新民

电子工业出版社微型计算机控制技术课后答案(第二版)潘新民_第1页
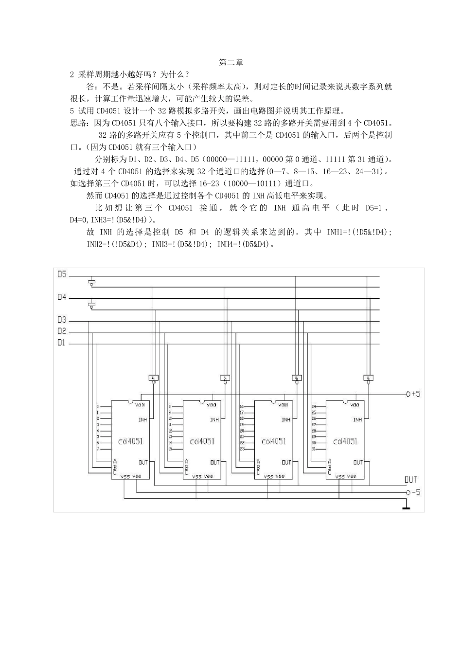
1/15
电子工业出版社微型计算机控制技术课后答案(第二版)潘新民_第2页
2/15
电子工业出版社微型计算机控制技术课后答案(第二版)潘新民_第3页
3/15
第一章 1.微型计算机控制系统的硬件由哪几部分组成?各部分作用? (1)主机:这是微型计算机控制系统的核心,通过接口它可以向系统的各个部分发出各种命令,同时对被控对象的被控参数进行实时检测及处理。主机的主要功能是控制整个生产过程,按控制规律进行各种控制运算(如调节规律运算、最优化计算等)和操作,根据运算结果作出控制决策;对生产过程进行监督,使之处于最优工作状态;对事故进行预测和报警;编制生产技术报告,打印制表等等。 (2)输入输出通道:这是微机和生产对象之间进行信息交换的桥梁和纽带。过程输入通道把生产对象的被控参数转换成微机可以接收的数字代码。过程输出通道把微机输出的控制命令和数据,转换成可以对生产对象进行控制的信号。过程输入输出通道包括模拟量输入输出通道和数字量输入输出通道。 (3)外部设备:这是实现微机和外界进行信息交换的设备,简称外设,包括人机联系设备(操作台)、输入输出设备(磁盘驱动器、键盘、打印机、显示终端等)和外存贮器(磁盘)。其中作台应具备显示功能,即根据操作人员的要求,能立即显示所要求的内容;还应有按钮,完成系统的启、停等功能;操作台还要保证即使操作错误也不会造成恶劣后果,即应有保护功能. (4)检测与执行机构:a.测量变送单元:在微机控制系统中,为了收集和测量各种参数,采用了各种检测元件及变送器,其主要功能是将被检测参数的非电量转换成电量.b. 执行机构:要控制生产过程,必须有执行机构,它是微机控制系统中的重要部件,其功能是根据微机输出的控制信号,改变输出的角位移或直线位移,并通过调节机构改变被调介质的流量或能量,使生产过程符合预定的要求。 4、操作指导、DDC 和 SCC 系统工作原理如何?它们之间有何区别和联系? (1)操作指导控制系统:在操作指导控制系统中,计算机的输出不直接作用于生产对象,属于开环控制结构。计算机根据数学模型、控制算法对检测到的生产过程参数进行处理,计算出各控制量应有的较合适或最优的数值,供操作员参考,这时计算机就起到操作指导的作用 (2)直接数字控制系统(DDC 系统):DDC(Direct Digital Control)系统就是通过检测元件对一个或多个被控参数进行巡回检测,经输入通道送给微机,微机将检测结果与设定值进行比较,再进行控制运算,然后通过输出通道控制执行机构,使系统的被控参数达到预定的要求。DDC 系统是闭环系统,是微机在工业生产过程中最普遍的一种应用形式。 (3)计算机监督控制系统...

1、当您付费下载文档后,您只拥有了使用权限,并不意味着购买了版权,文档只能用于自身使用,不得用于其他商业用途(如 [转卖]进行直接盈利或[编辑后售卖]进行间接盈利)。
2、本站所有内容均由合作方或网友上传,本站不对文档的完整性、权威性及其观点立场正确性做任何保证或承诺!文档内容仅供研究参考,付费前请自行鉴别。
3、如文档内容存在违规,或者侵犯商业秘密、侵犯著作权等,请点击“违规举报”。

碎片内容

电子工业出版社微型计算机控制技术课后答案(第二版)潘新民

您可能关注的文档

确认删除?
VIP
微信客服
  • 扫码咨询
会员Q群
  • 会员专属群点击这里加入QQ群
客服邮箱
回到顶部