电脑桌面
添加小米粒文库到电脑桌面
安装后可以在桌面快捷访问

电梯分部分部工程验收纪录

电梯分部分部工程验收纪录_第1页
1/14
电梯分部分部工程验收纪录_第2页
2/14
电梯分部分部工程验收纪录_第3页
3/14
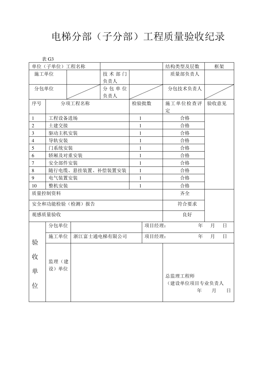
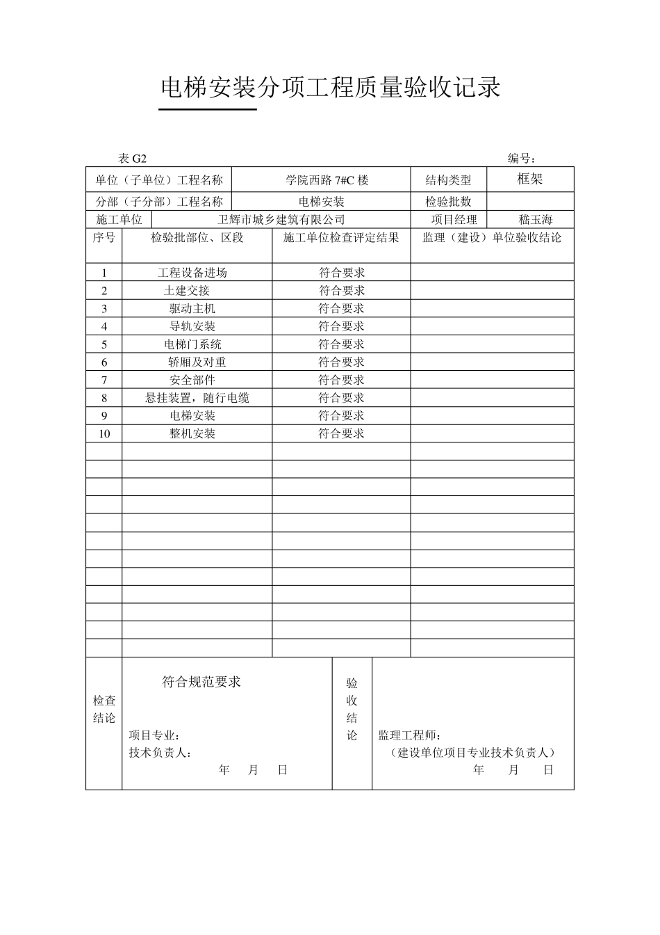
电梯分部(子分部)工程质量验收纪录 表G 3 单位(子单位)工程名称 结构类型及层数 框架 施工单位 技术部门负责人 质量部负责人 分包单位 分包单位负责人 分包技术负责人 序号 分项工程名称 检验批数 施工单位检查评定 验收意见 1 工程设备进场 1 合格 2 土建交接 1 合格 3 驱动主机安装 1 合格 4 导轨安装 1 合格 5 门系统安装 1 合格 6 轿厢及对重安装 1 合格 7 安全部件安装 1 合格 8 随行电缆、悬挂装置、补偿装置安装 1 合格 9 电气装置安装 1 合格 10 整机安装 1 合格 质量控制资料 齐全 安全和功能检验(检测)报告 符合要求 观感质量验收 良好 验 收 单 位 分包单位 项目经理: 年 月 日 施工单位 浙江富士通电梯有限公司 项目经理: 年 月 日 监理(建设)单位 总监理工程师 (建设单位项目专业负责人 年 月 日 电梯安装分项工程质量验收记录 表G2 编号: 单位(子单位)工程名称 学院西路7#C 楼 结构类型 框架 分部(子分部)工程名称 电梯安装 检验批数 施工单位 卫辉市城乡建筑有限公司 项目经理 嵇玉海 序号 检验批部位、区段 施工单位检查评定结果 监理(建设)单位验收结论 1 工程设备进场 符合要求 2 土建交接 符合要求 3 驱动主机 符合要求 4 导轨安装 符合要求 5 电梯门系统 符合要求 6 轿厢及对重 符合要求 7 安全部件 符合要求 8 悬挂装置,随行电缆 符合要求 9 电梯安装 符合要求 10 整机安装 符合要求 检查结论 符合规范要求 项目专业: 技术负责人: 年 月 日 验 收 结 论 监理工程师: (建设单位项目专业技术负责人) 年 月 日 电梯安装工程设备进场质量验收记录表 GB50310—2002 09010101 单位(子单位)工程名称 分部(子分部)工程名称 电梯安装 验收部位 号楼 施工单位 项目经理 分包单位 分包项目经理 施工执行标准名称及编号 GB50310-2002 GB7588-2003 施工质量验收规范的规定 施工单位检查评定记录 监理(建设)单位验收记录 主 控 项 目 随机文件必须包括 (1)土建布置图 第4.1.1 条 第5.1.1 条 符合要求 (2)产品出厂合格证 符合要求 (3)门锁装置、限速器、安全钳及缓冲器的型式试验证书复印件 齐全 随机文件还 应包括 (1)装箱单 第4.1.2 条 第5.1.2 条 齐全 (2)安装、使用维护说明书 (3...

1、当您付费下载文档后,您只拥有了使用权限,并不意味着购买了版权,文档只能用于自身使用,不得用于其他商业用途(如 [转卖]进行直接盈利或[编辑后售卖]进行间接盈利)。
2、本站所有内容均由合作方或网友上传,本站不对文档的完整性、权威性及其观点立场正确性做任何保证或承诺!文档内容仅供研究参考,付费前请自行鉴别。
3、如文档内容存在违规,或者侵犯商业秘密、侵犯著作权等,请点击“违规举报”。

碎片内容

电梯分部分部工程验收纪录

您可能关注的文档

确认删除?
VIP
微信客服
  • 扫码咨询
会员Q群
  • 会员专属群点击这里加入QQ群
客服邮箱
回到顶部